EasyManua.ls Logo

Panasonic FP-X0 L40MR - 6.4 Computer Link; 6.4.1 Overview

Panasonic FP-X0 L40MR
290 pages
To Next Page IconTo Next Page
To Next Page IconTo Next Page
To Previous Page IconTo Previous Page
To Previous Page IconTo Previous Page
Loading...
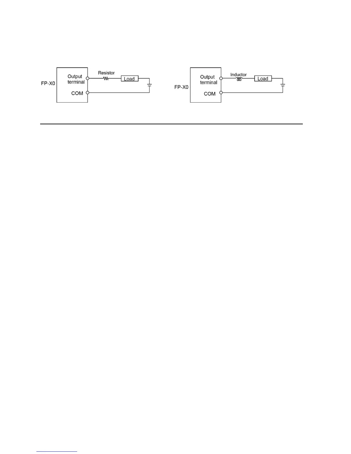
Precautions when using capacitive loads
When connecting loads with large in-rush currents, to minimize their effect, connect a protection circuit
as shown below.
5.4.3 Precautions Regarding Input and Output Wirings
Isolate input/output/power lines
Be sure to select the thickness (dia.) of the input and output wires while taking into consideration the
required current capacity.
Arrange the wiring so that the input and output wiring are separated, and these wirings are separated
from the power wiring, as much as possible. Do not route them through the same duct or wrap them up
together.
Separate the input/output wires from the power and high voltage wires by at least 100mm.
Wirings other than the above specifications or incorrect wirings may cause the fault or malfunction.
Others
Wiring should be carried out after the power supply to the PLC was turned off.
Also turn of the power supply when the control unit, expansion units and various cassettes are
connected. If they are connected during the power supply is on, it may cause the fault or malfunction.
Phone: 800.894.0412 - Fax: 888.723.4773 - Web: www.clrwtr.com - Email: info@clrwtr.com

Table of Contents

Related product manuals