EasyManua.ls Logo

Panasonic KX-FT931LA-B

Panasonic KX-FT931LA-B
173 pages
To Next Page IconTo Next Page
To Next Page IconTo Next Page
To Previous Page IconTo Previous Page
To Previous Page IconTo Previous Page
Loading...
29
KX-FT931LA-B
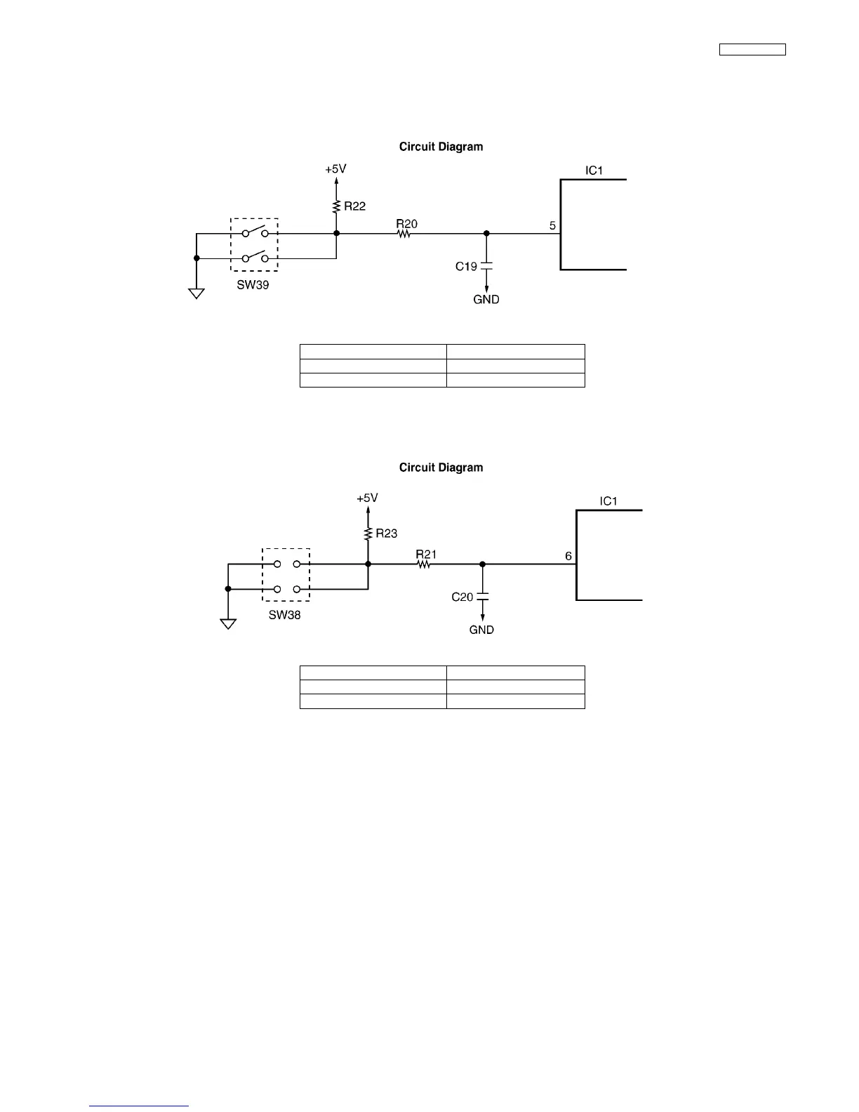
6.5.5. Document Top Sensor (SW39)
When a document is brought to the read position, the SW becomes ON, and the input signal of IC1-5 pin (Operation) becomes a
low level. When there is no document at the read position, the SW becomes OFF, and the input signal of IC1-5 pin (Operation)
becomes a high level.
Operation Board
6.5.6. Document Set Sensor (SW38)
When a document is set, the SW becomes ON, and input signal of IC1-6 pin (Operation) becomes a low level.
When there is no document, the SW becomes OFF, and the input signal of IC1-6 pin (Operation) becomes a high level.
Operation Board
Signal (IC1-5 pin)
Out of the Read Position High level
At the Read Position Low level
Signal (IC1-6 pin)
No document High level
Set document Low level

Table of Contents

Related product manuals