EasyManua.ls Logo

Panasonic KX-TEA308CE - Circuit Operation; Power Suppy Circuit

Panasonic KX-TEA308CE
137 pages
Print Icon
To Next Page IconTo Next Page
To Next Page IconTo Next Page
To Previous Page IconTo Previous Page
To Previous Page IconTo Previous Page
Loading...
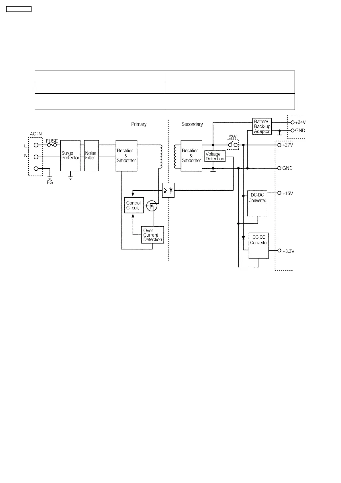
11 CIRCUIT OPERATION
11.1. POWER SUPPY CIRCUIT
11.1.1. The function of the power unit are listed below
AC-DC Inverter Function This function isolates and converts the AC input voltage to DC
input and output of DC27V.
DC-DC Converter Function This function outputs DC+15V and 3.3V from the inputted
DC27V.
Battery Back Up Adaptor Function This function connects battery and service unit without battery
adaptor, only needs a cable connected to the battery and
service unit.
20
KX-TEA308CE

Table of Contents

Related product manuals