EasyManua.ls Logo

Panasonic KX-TG1283BXS

Panasonic KX-TG1283BXS
99 pages
To Next Page IconTo Next Page
To Next Page IconTo Next Page
To Previous Page IconTo Previous Page
To Previous Page IconTo Previous Page
Loading...
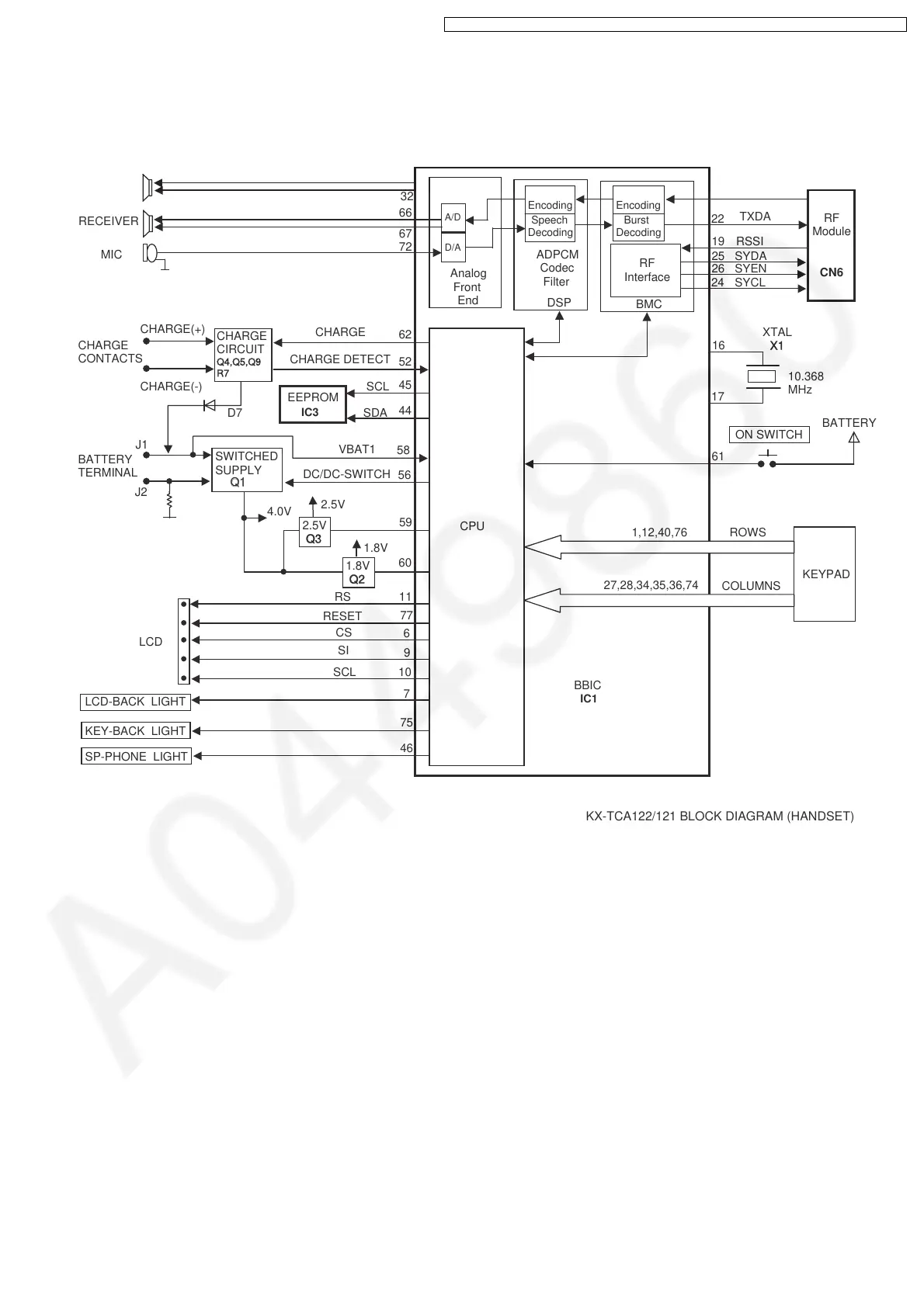
16 BLOCK DIAGRAM (HANDSET)
SPEAKER
RECEIVER
MIC
CHARGE
CIRCUIT
Q4,Q5,Q9
R7
CHARGE
CONTACTS
CHARGE(+)
CHARGE(-)
CHARGE
CHARGE DETECT
EEPROM
SCL
SDA
SWITCHED
SUPPLY
Q1
Q1
BATTERY
TERMINAL
D7
VBAT1
DC/DC-SWITCH
J1
J2
2.5V
Q3
1.8V
Q2
4.0V
2.5V
1.8V
LCD
RS
RESET
CS
SI
SCL
CPU
Analog
Front
End
A/D
D/A
30
32
66
67
72
62
52
45
44
58
56
59
60
6
9
10
77
ADPCM
Codec
Filter
DSP
Speech
Encoding
Speech
Decoding
BMC
Burst
Encoding
Burst
Decoding
RF
Interface
RF
Module
CN6
23
22
RXDA
TXDA
19
26
25
24
RSSI
SYDA
SYEN
SYCL
16
17
XTAL
X1
10.368
MHz
BATTERY
61
ON SWITCH
KEYPAD
ROWS
COLUMNS
1,12,40,76
27,28,34,35,36,74
BBIC
IC1
IC3
11
LCD-BACK LIGHT
KEY-BACK LIGHT
SP-PHONE LIGHT
7
75
46
KX-TCA122/121 BLOCK DIAGRAM (HANDSET)
51
KX-TG1283BXS / KX-TG1283BXT / KX-TCA122CXS / KX-TCA122CXT / KX-TCA121CXS / KX-TCA121CXT

Table of Contents

Related product manuals