EasyManua.ls Logo

Panasonic KXA142EXS - Page 84

Panasonic KXA142EXS
124 pages
Print Icon
To Next Page IconTo Next Page
To Next Page IconTo Next Page
To Previous Page IconTo Previous Page
To Previous Page IconTo Previous Page
Loading...
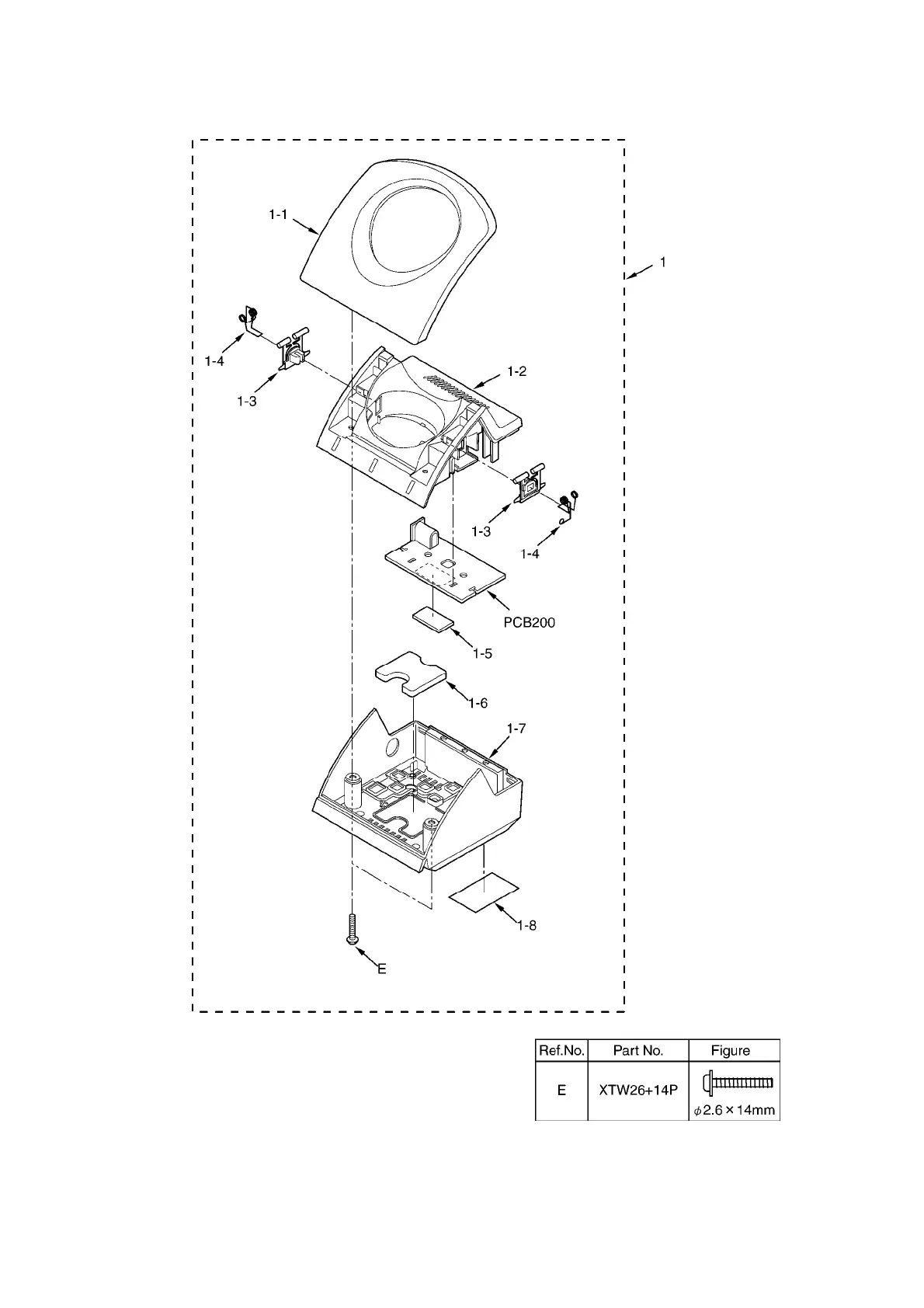
33. ACCESSORIES AND PACKING MATERIALS
84
www.freeservicemanuals.info
1/2/2015
Digitized in Heiloo, Holland

Related product manuals