EasyManua.ls Logo

Panasonic MCDLN35BL - Page 62

Panasonic MCDLN35BL
111 pages
Print Icon
To Next Page IconTo Next Page
To Next Page IconTo Next Page
To Previous Page IconTo Previous Page
To Previous Page IconTo Previous Page
Loading...
No. SX-DSV03335 - 60-
R2.0 Industrial Device Solution Business Unit, Panasonic Corporation
Size F 400 V
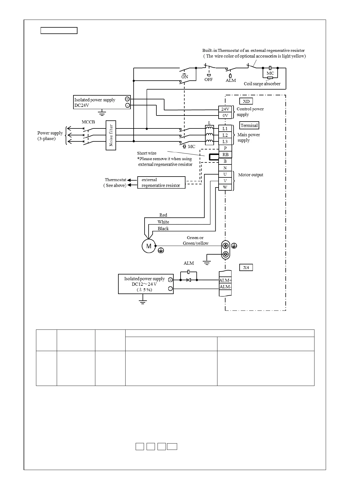
Connection of a regenerative resistor
Size
Short bar
(accessory)
Built-in
regenerative
resistor
Connection of the Terminal
In case of using the external
regenerative resistor
In case of using the external
regenerative resistor
F
Installed
Installed
Between RB and B:
Disconnect the short bar
Between P and B:
Connect the external
regenerative resistor
Between RB and B:
Connect the short bar
* The circuit connected to terminal X1 X7 are secondary circuits. (See [5. Appearance and name of each part ])
Insulation is needed against the primary side power supply (power supply of the motor brake).
Please do not connect them with the same power supply.
* The standard of the ability of the built-in dynamic brake resistor is up
to continuousness three times in the stop from the allowance and maximum inertia and the rated speed.
Resistor is damaged and the dynamic brake might not work when using it under more critical operating condition.
* For details, refer to 7-1 Power connector XA, XB, XC, XD, and terminal block.

Table of Contents

Related product manuals