EasyManua.ls Logo

Panasonic NV-DV2000 - Page 79

Panasonic NV-DV2000
170 pages
Print Icon
To Next Page IconTo Next Page
To Next Page IconTo Next Page
To Previous Page IconTo Previous Page
To Previous Page IconTo Previous Page
Loading...
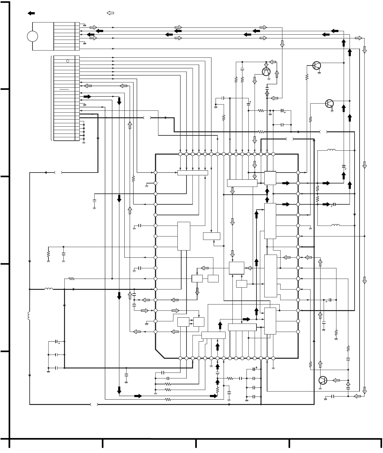
(HEAD/REC AMP)
CH3F
FP5001
MAIN SIGNAL PATH IN PLAYBACK MODE
MAIN SIGNAL PATH IN REC MODE
1
2
3
4
6
7
8
9
10
11
12
13
15
16
17
18
19
20
5
14
21
22
23
24RF GND
RF AGC OUT
RF GND
RF GND
RF GND
RF GND
RF GND
HRA5V
A3V
REC CUR
REC CADJ
RF GND
HA OUT
HSE
A TF OUT
EQHLD
RA STAB
REC CTL
HID3
HID2
HID1
PB
RECI
H
GND
CH3S
CH1F
CH1S
CH2S
CH2F
GND
1
2
3
4
6
7
8
5
CYL
TO DIGITAL
(VIDEO 2 SECTION)
FP3203 (B-18)
(PB HEAD2 CTL)
(PB HEAD1 CTL)
(AMP)
R5026
0
R5029
0
C5028
1200P
C5029
1
C5030
1000P
R5024
10K
C5031
0.01
R5028
1500
L5005
4.7u
C5032
47P
C5032
680P
L5007
4.7u
C5037
6V10
C5038
0.01
C5034
0.01
C5039
0.01
R5003 10K
R5002 470
C5002 0.01
C5001 0.01
R5005
1K
C5004
0.01
R5004
0
C5007
0.01
R5025
270
C5040
0.01
C5036
6V10
C5023
0.01
C5019
0.01
C5010
0.01
R5012
1500
(AMP)
C5017
0.01
C5018
22P
C5016
33P
R5013
12K
C5013
1500P
R5010
68
C5014
6V10
L5002
22u
C5020
6V10
R5015
270
R5014
270
L5003
22u
R5016
1K
R5017
1K
C5035
6V10
C5021
6V10
R5021
10
R5018
68
R5019
12K
R5020
1500
C5026
1500P
C5027
33P
C5024
0.01
C5025
6V10
C5015
0.01
FP5002
ENV
DET
AGC
DET
LOGIC
4142434445464748 3334353637383940
1 2 3 4 5 6 7 8 9
10 11 12 13 14 15 16
23
24
25
26
27
28
29
30
31
32
17
18
19
20
61
62
63
64
51
52
53
54
55
56
57
58
59
60
49
50
MONITOR
AGC
AMP
3rd
AMP
LPF
HA2
RA2
RA1
HA1
VREF
RA3
HA3
HSW
GCA
RCTL
HA2DET
H1D3
H1D2
H1D1
PB H
REC I
RCUR
REC R
HA2FB
HA2AFB
PBSW2
HA2 IN
VCC 3V
MON2 IN
GND
RA2 OUT
PBH2
VCC 5V
RA1 OUT
PB H1
GND
MONI IN
VCC 3V
HA1 IN
PBSW1
HA1 ACFB
HA1 FB
HA1
DET
VCC 5V
RA3 OUT
PBH3
GND
MON3IN
VCC3V
HA3IN
PBSW3
HA3ACFB
HA3FB
HA3DET
EVR
HSE
GND
REC R1
VCC 3V
AGC DET
AGC CTL
REC R2
GND
AGC IN
PB OUT
VCC 3V
HA OUT
ENV CTL
ATF OUT
TRICK H
ENV OUT
ENV DET
EQHLD
INSRH
MMC
PBEN
ST AB
AGC OUT
0 <2.9>
3
3
3
3
0 <3>
0
0
1.4
0.7
2.1 <2.5>
0
1.1
3
0
0
<0> 3.4
<2.7> 2
<0> 1.1
<1.2> 2.3
2.3
1.9
1.8
3
2.5
1.1
2.3
1.9
3
0
0
0
3
1.7
<2.6> 3
5
1.4
0.7
0
<2.5>
2.1
1.1
0
3
<0>
1.8
5
5
5
<0>
1.8
0.7
1.1
0
<0> 0.7
0
< 0 > 0.7
0.7
1.1
<2.2> 0
0
3V
3V
5V
5V
3V
Q5006
2SD1819A
Q5003
2SC3937
IC5001
AN3731FHQ
Q5002
2SC3937
Q5005
2SD1819A
NOTE : DO NOT USE ANY PARTS NUMBER
SHOWN ON THIS SCHEMATIC
DIAGRAM FOR ORDERING.
WHEN YOU ORDER A PART,
PLEASE REFER TO PARTS LIST.
21
22
NOTE: THE MEASURMENT MODE OF THE DC VOLTAGE OUT OF THE BRACKETS ON THIS DIAGRAM IS STOP MODE
WITH PAL COLOUR SIGNAL. (MINI DV:SP MODE) ·LINE IN SIGNAL LEVEL... -6dB 400Hz
THE MEASURMENT MODE OF THE DC VOLTAGE IN THE BRACKETS ( ) ON THIS DIAGRAM IS PLAYBACK MODE
WITH PAL COLOUR SIGNAL. (MINI DV:SP MODE) ·LINE IN SIGNAL LEVEL... -6dB 400Hz
THE MEASURMENT MODE OF THE DC VOLTAGE IN THE BRACKETS < > ON THIS DIAGRAM IS RECORD MODE
WITH PAL COLOUR SIGNAL. (MINI DV:SP MODE) ·LINE IN SIGNAL LEVEL... -6dB 400Hz
A
B
C
D
E
1
2 4
3

Related product manuals