EasyManua.ls Logo

Panasonic NV-DV2000 - Page 81

Panasonic NV-DV2000
170 pages
Print Icon
To Next Page IconTo Next Page
To Next Page IconTo Next Page
To Previous Page IconTo Previous Page
To Previous Page IconTo Previous Page
Loading...
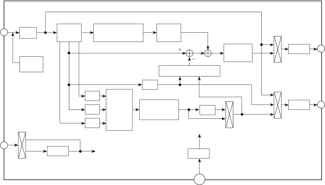
3
19
8/9
25
23
ADC
SECAM
CLAMP
4.43 NTSC
DYNAMIC
COM
FILTER
LINE
MEMORY
VERTICAL
ENHANCE CIRCUIT
CORING
CIRCUIT
PEDESTAL
CLIP
COLOR KILLER CIRCUIT
1-LINE DOT
IMPROVEMENT
CIRCUIT
Y DAC
BPF
BPF
BPF
BPF
BPF
PLL
I
2
C BUS
4fsc
4fsc
fsc
C DAC

Related product manuals