EasyManua.ls Logo

Panasonic PT-AX100U

Panasonic PT-AX100U
74 pages
To Next Page IconTo Next Page
To Next Page IconTo Next Page
To Previous Page IconTo Previous Page
To Previous Page IconTo Previous Page
Loading...
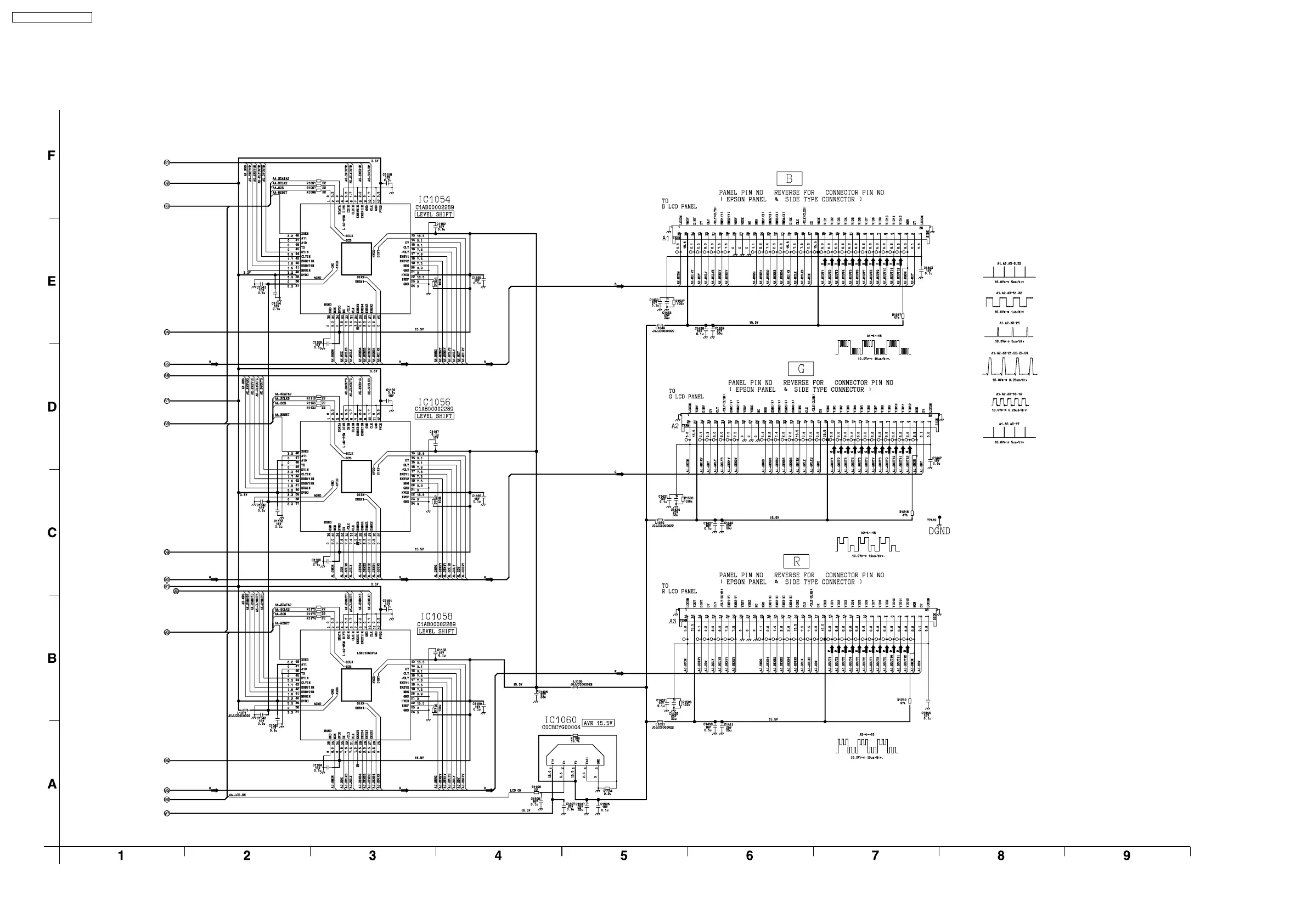
11.7. A-P.C.Board (7/7)
A-P.C.Board TXANP01VKD3 (7/7)
PT-AX100U / PT-AX100E
54

Table of Contents

Other manuals for Panasonic PT-AX100U

Related product manuals