EasyManua.ls Logo

Panasonic PT-AX100U

Panasonic PT-AX100U
74 pages
To Next Page IconTo Next Page
To Next Page IconTo Next Page
To Previous Page IconTo Previous Page
To Previous Page IconTo Previous Page
Loading...
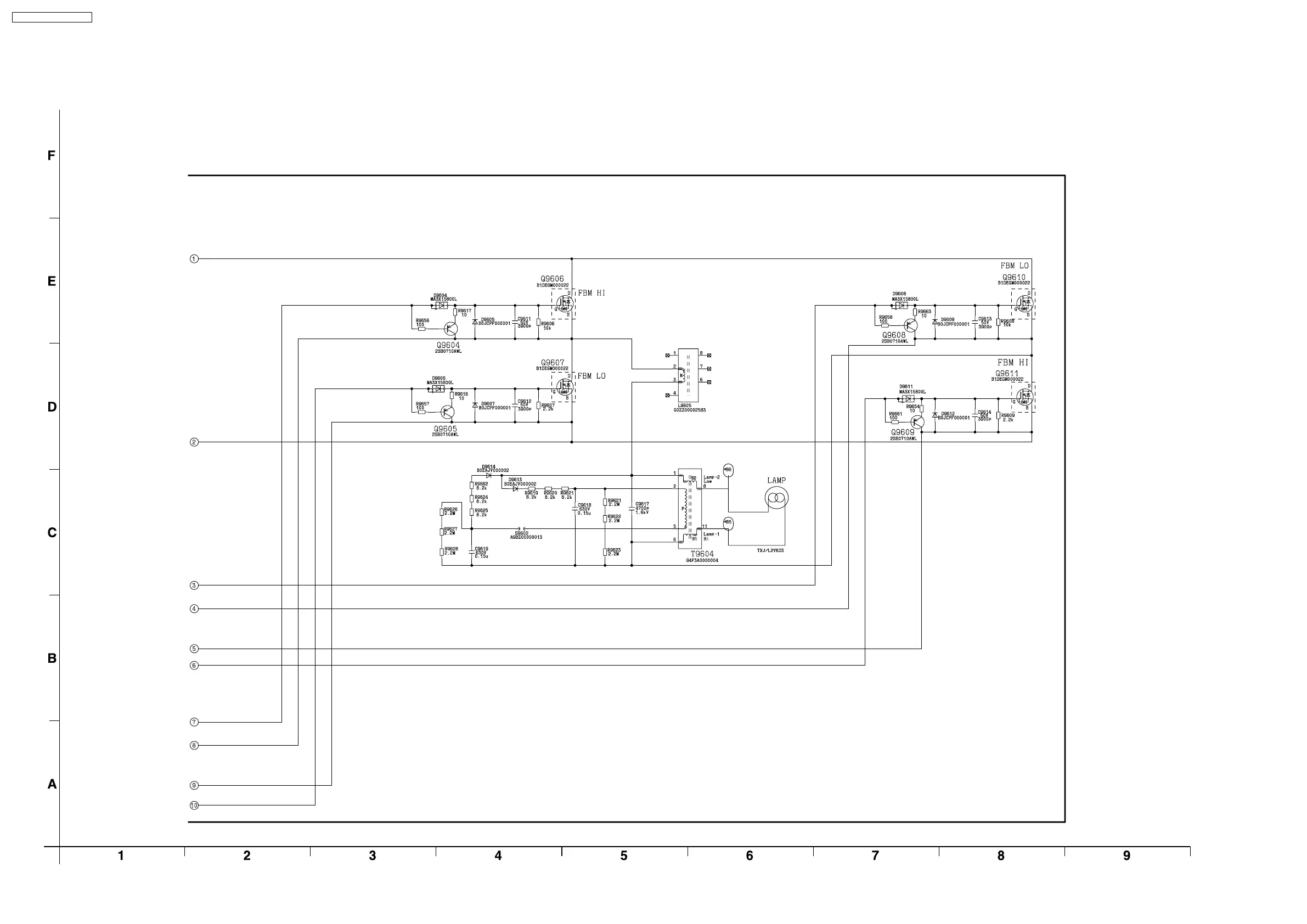
11.11. B-Module (2/2)
B-Module TXANP02VKD3 (2/2) Module Replacement
Only supplied components IC9602-03, Q9603-11, Q9614, D9601, D9604-09, D9611-12, D9616-29,
R9601, R9630-34, R9636-40, R9653, C9603, C9610, C9617-19, T9604, SW9601, S9602, TXJ/L2VKD3
PT-AX100U / PT-AX100E
58

Table of Contents

Other manuals for Panasonic PT-AX100U

Related product manuals