EasyManua.ls Logo

Panasonic PT-TW230U

Panasonic PT-TW230U
105 pages
To Next Page IconTo Next Page
To Next Page IconTo Next Page
To Previous Page IconTo Previous Page
To Previous Page IconTo Previous Page
Loading...
-58-
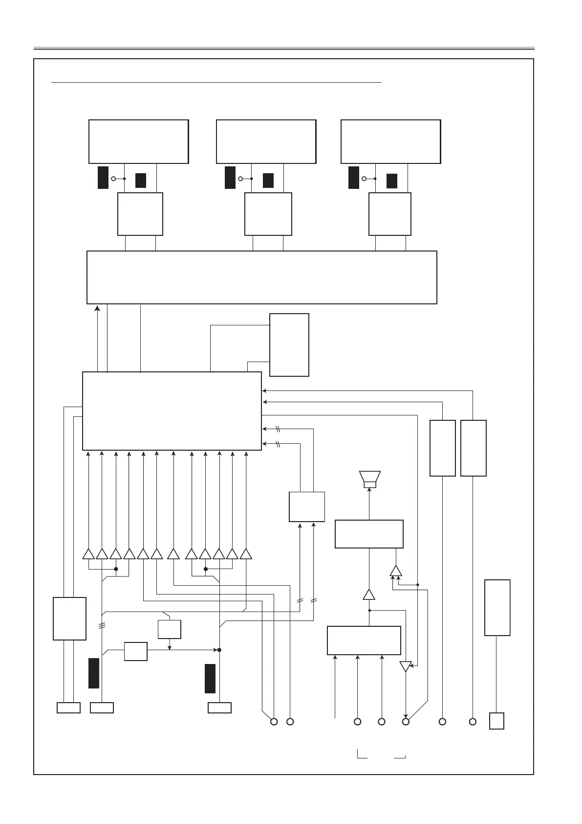
Chassis Block Diagrams
IC301
SCALER
<PW190>
IC501
B-D/A
S&H
<L3E06200>
B-LCD
PANEL
G-LCD
PANEL
R-LCD
PANEL
PC1 INPUT
[RGB]
[COMPONENT]
[SCART]
PC2
[RGB-IN]
[RGB-OUT]
[HDMI]
LAN
PC
IC5001
AUDIO CONTROL
<NJW1156>
IC001
AUDIO OUTPIT
<TPA3111>
OUTPUT
CONTROL
POART
R/C
IC801
FLASH MEMORY
VIDEO
AUDIO
DHS,DVS,DCLK
DB[2-9]
DG[2-9]
DR[2-9]
A[1-22]
D[0-15]
288,206,204
17,18,16
331
161
253
66
6,2
15,7 20,23
6
10,12
214
124,368
267
TXD_PW/RXD_PW
R/C
R/C_PW
16,6
20,2
12
1
82
260
258
265
264
262
3
7,13
SP901
SPEAKER
PC_L/R
18,4
HDMI_L/R
VIDEO
S-VIDEO
VIDEO_L/R
OUT_L/R
RGB,H/V
RGB,H/V
TP35B
B
G
R
HS1, VS1
HS2, VS2
IC531
G-D/A
S&H
<L3E06200>
IC561
R-D/A
S&H
<L3E06200>
IC3801
RS232C DRIVER
<MAX232>
IC8801
NETWORK
<AX11005>
IC9882
INVERTER
TP35G
TP35R
Q1001
R1
G1
B1
S_CHROMA
S_Y
VIDEO
Q1002
Q1005
263
SOG1Q1007
Q2011
172
78
256
5,1
9,13
R2
G2
B2
Q1003
86
SOG2
Q1008
409
SCART_CV
Q5036
Q5031
Q5035
MUTE
MUTE
OUT_DET
Q5061/
Q5062
Q1004
Q1006
Q2021
Q2031
IC4001
RGB-BUFFER
IC4071
SYNC-BUFFER
IC5301
SYNC-BUFFER
8,12
RGB
HV
RGB
IC401
LCD
DRIVER
&
GAMMA
CORRECTION
<L3E07111>
IC8001
DVI I/F
SII9127>
Chassis overview

Table of Contents

Related product manuals