EasyManua.ls Logo

Panasonic PT-TW230U

Panasonic PT-TW230U
105 pages
To Next Page IconTo Next Page
To Next Page IconTo Next Page
To Previous Page IconTo Previous Page
To Previous Page IconTo Previous Page
Loading...
-60-
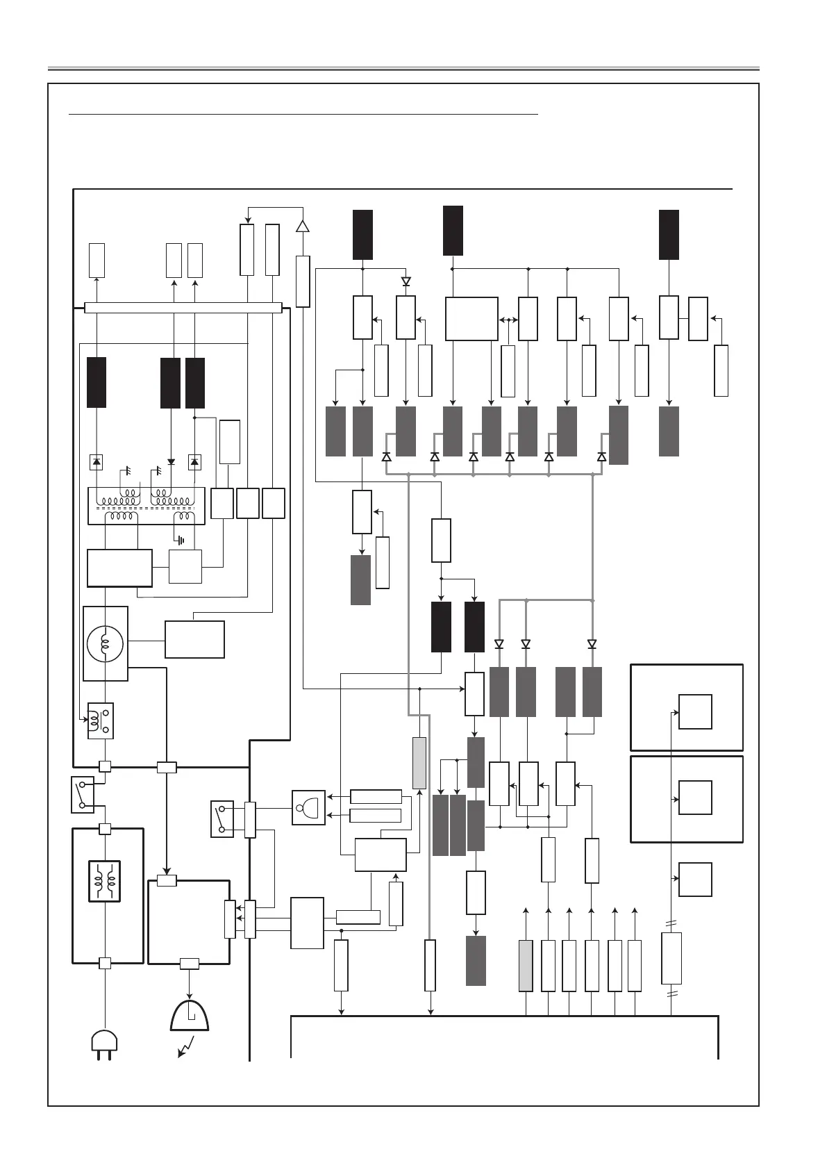
Chassis Block Diagrams
CHO_RXD
CHO_TXD
ON_33V ON_33V
FAN_ERR
ON_150V
LAMP_SCI
S1.8V
S1.8V_PW
SS3.3V
S6V
IC5861
S-5V S-5V
Q5701
D3601
3.3V_ALL
LINE FILTER
BOARD
LAMP
BALLAST
1 4 5
5
4
1
CN2
K8H
12
K8S
K6D
CN1
K6CK6B
LAMP
AC CORD
K6R K8R
POWER
TEMP SENSOR CTEMP SENSOR A
MAIN
IC621
P.F.CONTROL
<FA5550>
12
1
2
3
5
6
11
10
9
8
7
2
10
10
1
1
4
T651
D663/D664
D661
D662
IC671
1
PC671
ERROR
AMP
Power-On:H
Power-On:H
Power-On:H
Power-On:H
Power-On:H
Power-On:H
P-Fail:H
Network STBY: H
Eco STBY: L
LAMP_DET
(Power-On:L)
LAMP_SW
(Power-On:L)
PC661
PC663
IC631
POWER OSC.
<MR4010>
S-5V
S16V
S6V
ON_150V
LAMPDC_ON
POWER_SW
IC4891
NAND
S6V
S16V
S-5V
8
9
5
6
3
11
IC8821
TEMP. SENSOR B
<MCP9801>
(PANEL) (ROOM) (LAMP)
IC8811
TEMP. SENSOR A
<MCP9801>
IC8831
TEMP. SENSOR C
<MCP9801>
LAMP_DET
285
2 13
P_FAIL
P-Fail:L
215
188
95
ON_50V
419
ON_16V
96
Power-On:H
ON_18V ON_18V
347
Power-On:H
LAMP_DC_ON
89
293,212
SCL0
SDA0
IC9882
INVERTER
IC9885
SUB CPU
SW901
S16V
FAN_A
IC7811
D3613
D8092/D8093/D8094
D591/D592
2
Q5830
S1.2VSI
IC8092
Q7081
3.3V
D5625
3.3VGAM
D7081
S3.3VSI
Q3582
IC5621
3.3V_MCU
IC5821
S5V
IC5602
15.5V_PNL
ON_50V
FAN_B
IC7841
IC592
ON_16V
Q5700
D3614
FAN_C
D3644
12V
IC5542
D3602/D3611
ON_33V
POWER_SW
POWER_SW
POWER_SW
K6A
S2.5V_PW S3.3V
IC5841
SW902
Thermal
fuse
Lamp Cover SW
1.0V
IC301
SCALER
S3.3VA_PW
S3.3VD_PW
FAN_SW1
D5602
F/B
RL601
Q5704
POWER_SW
Power supply & protection circuit

Table of Contents

Related product manuals