EasyManua.ls Logo

Panasonic PT-TW231RU

Panasonic PT-TW231RU
105 pages
To Next Page IconTo Next Page
To Next Page IconTo Next Page
To Previous Page IconTo Previous Page
To Previous Page IconTo Previous Page
Loading...
-59-
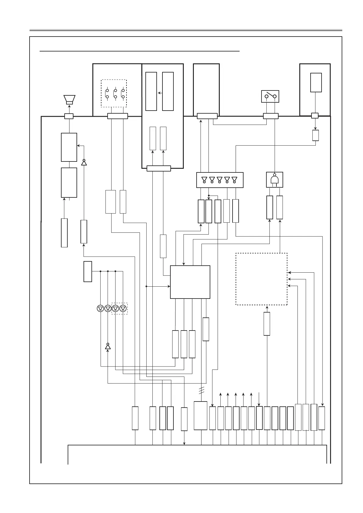
Chassis Block Diagrams
POWER
KEY SW
LAMP BALLAST
IC001
AUDIO-OUT
<TPA3111>
IC5001
AUDIO-CONTOL
<NJW1156>
R/C
RECEIVER
POWER SUPPLY
SW901
LAMP
COVER
SWITCH
P.F. CONTROL
SP901
SPEAKER
MUTE
LAMPDC_ON
POWER_SWPOWER_SW
R/C
MAIN
Q6845
FAN_CON_A
FAN_CON_B
R/C
4
ERROR:H
P-ON:H
P.Fail:L
2
1
1
Mute On:H
Mute On:H
Power On:H
Power On:L
L/R
VOLUME
LAMP_SCI
FAN_ERR
ON_33V
ON_150V
188
LAMP_DET
285
95
PIC_LAMP_LED
PIC_READY_LED
PIC_POWER_LED
ON_50V
419
P_FAIL
LAMP_DC_ON
215
FAN_SW1
FAN_SW1
190
89
275,191,
189
IC3804
MUTE
KEY1
KEY1
KEY2
267
28
KEY2
126
164
R/C_PW
R/C
R/C_PW
SCL1/SDA1
SCL2/SDA2
214
211,294
SCL0/SDA0
293,212
290,208
30
120
FAN_CON_C
374
IC301
SCALER
Q6846
D6831
D6833
D6835
Q5035
LAMP REPLACE
WARNING
POWER
IC4891
NAND
IC9882
INVERTER
2
6
8
13
22
12
7,9,10
1
3
10
19
3/6
3/6
515
20
23
11
K8R
K6R
K8S
2
1
K8H
4
5
1
K8D K29D
3
3.3V_ALL
FAN
CONTROL
CIRCUIT
KEY SWITCH
SCL2/SDA2
11
2
K8F
1
3
LAMP_DET
ON_16V
96
ON_18V
347
IC9885
SUB CPU
<MB95F353>
PW_MASTER_SDO
PW_MASTER_SDI
PW_MASTER_SCK
POWER_KEY
K6HK8K
1
3
2
IC3802SW
TEMP_LED
POW_KEY
21
16
System control

Table of Contents

Other manuals for Panasonic PT-TW231RU

Related product manuals