EasyManua.ls Logo

Panasonic PT-TW231RU

Panasonic PT-TW231RU
105 pages
To Next Page IconTo Next Page
To Next Page IconTo Next Page
To Previous Page IconTo Previous Page
To Previous Page IconTo Previous Page
Loading...
-67-
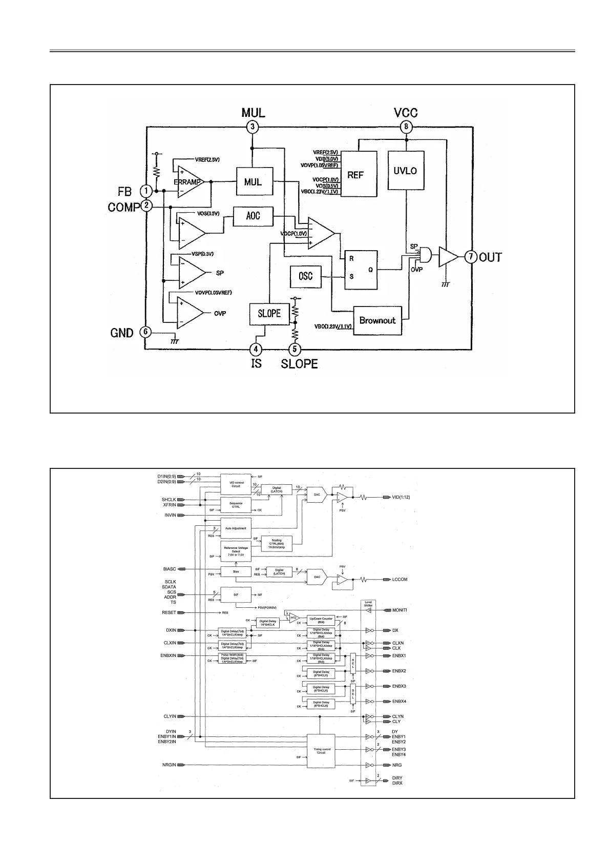
FA5550NG <P.F. control, IC621>
IC Block Diagrams
L3E06200 <D/A, S/H-LCD Driver, IC501, IC531, IC561>

Table of Contents

Other manuals for Panasonic PT-TW231RU

Related product manuals