EasyManua.ls Logo

Panasonic PT-TW231RU

Panasonic PT-TW231RU
105 pages
To Next Page IconTo Next Page
To Next Page IconTo Next Page
To Previous Page IconTo Previous Page
To Previous Page IconTo Previous Page
Loading...
-61-
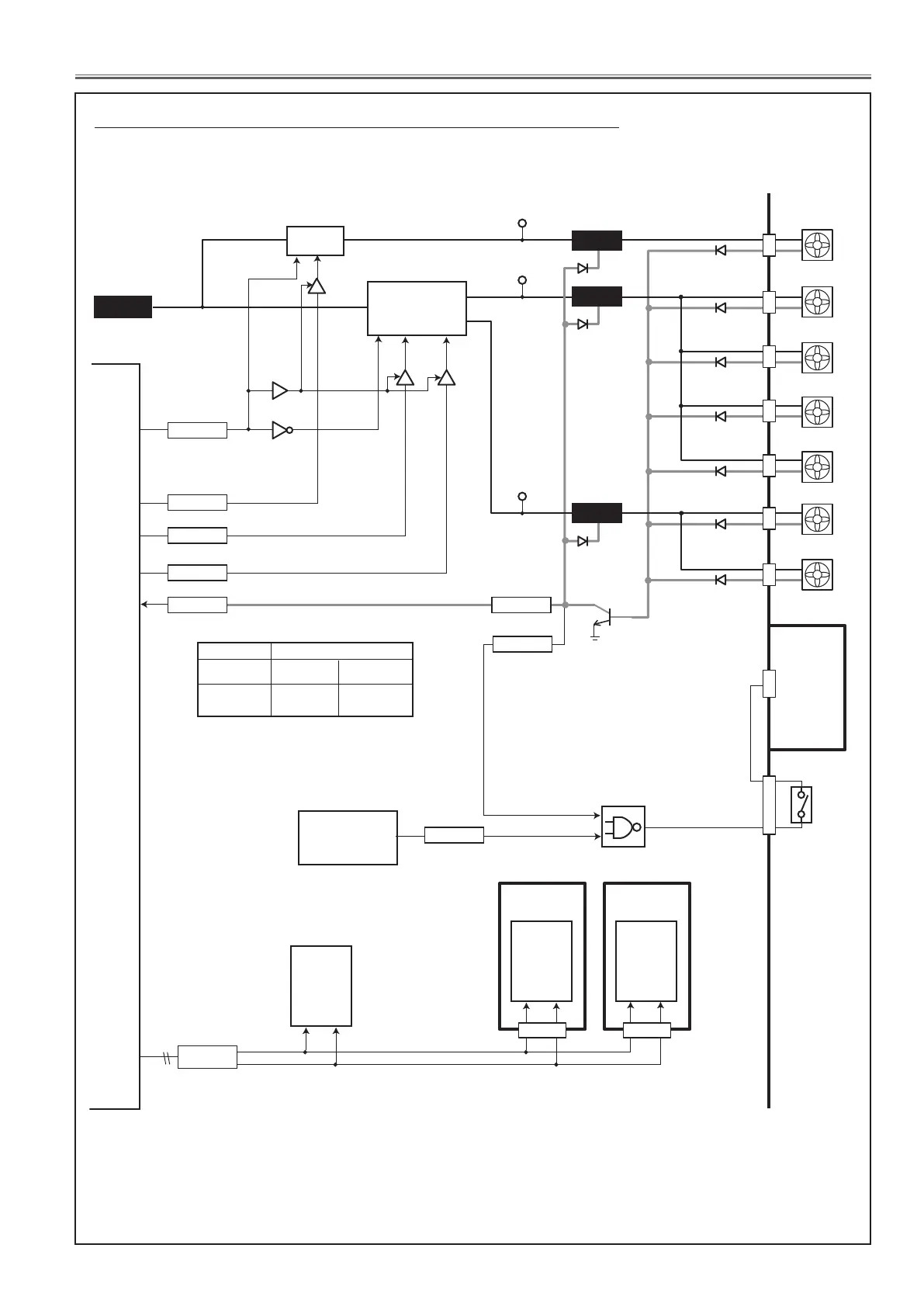
Chassis Block Diagrams
Q3601
D3629
D3621
SW901
LAMP
COVER
SW
TEMP SENSOR C
<LAMP>
TEMP SENSOR A
<ROOM>
LAMP
BALLAST
BOARD
K6J
K6F
FN901
FN902
1
2
1
2
D3628
K6P
K6K
FN906
FN905
1
2
D3622
K6G
FN903
1
2
1
2
1
21
S16V
FANA
FANB
TPFANA
Q7813
Q7801
12
7
5,6
1,14
3
8
IC7811
<TPS54286>
IC9885
SUB CPU
<MB95F353>
IC7841
Q7864
Q7842
P_FAIL
FAN_SW1
D3613
FANC
D3644
D3614
D3626
K6Q
FN907
1
2
D3631
IC8811
TEMP.
SENSOR A
<MCP9801>
21
IC8821
TEMP.
SENSOR B
<MCP9801>
MAIN BOARD
IC301
SCALER
Power-On:H
IC4891
NAND
1
2
4
190
293,212
SCL0
SDA0
Power Error: On
P_Fail: H
SIGNAL/MODE
POWER-ON STAND-BY
H L
NORMAL ERROR
H L
FAN_SW1
P_FAIL
P_FAIL
FAN_ERR
TPFANC
TPFANB
K8S
K8H
11
K8L
2
1
1
LAMP_SCI
30
FAN_CON_A
374
FAN_CON_C
120
215
FAN_CON_B
D3623
K6E
FN904
1
2
Q7814
34
21
IC8831
TEMP.
SENSOR C
<MCP9801>
K8I
34
Fan control circuit

Table of Contents

Other manuals for Panasonic PT-TW231RU

Related product manuals