EasyManua.ls Logo

Panasonic SA-PM30MD - Page 36

Panasonic SA-PM30MD
102 pages
Print Icon
To Next Page IconTo Next Page
To Next Page IconTo Next Page
To Previous Page IconTo Previous Page
To Previous Page IconTo Previous Page
Loading...
+
-
+
-
+
-
+
-
+
-
+
-
+
-
+
-
+
-
+
-
+
-
+
-
+
-
+
-
+
-
+
-
+
-
+
-
+
-
+
-
+
-
E
+
-
F
M
M
+B
LASER
POWER
DRIVE
+B
+B
+B
+B
+B
+B
LPD
+B
+B
+B
+B
+B
+B
+B
BDO
DET.
RF
DET.
SUBTRACTER
ACH
VCBA
BCH
SUBTRACTER
OFTR
DET.
3
TENV
+B
+B
LD
6
7
PDA
LDON
13
4
PDB
5
PDE
1
PDF
2
FCH
ECH
VCBA
RF RFIN
89
10
CRBRT
11
CEA
ENV
19
OFTR
BDO
/RFDET
FEN
17
12
15
25
FE OUT
VCC
VREF
GND
24
3
26
14
+B
VDET
18
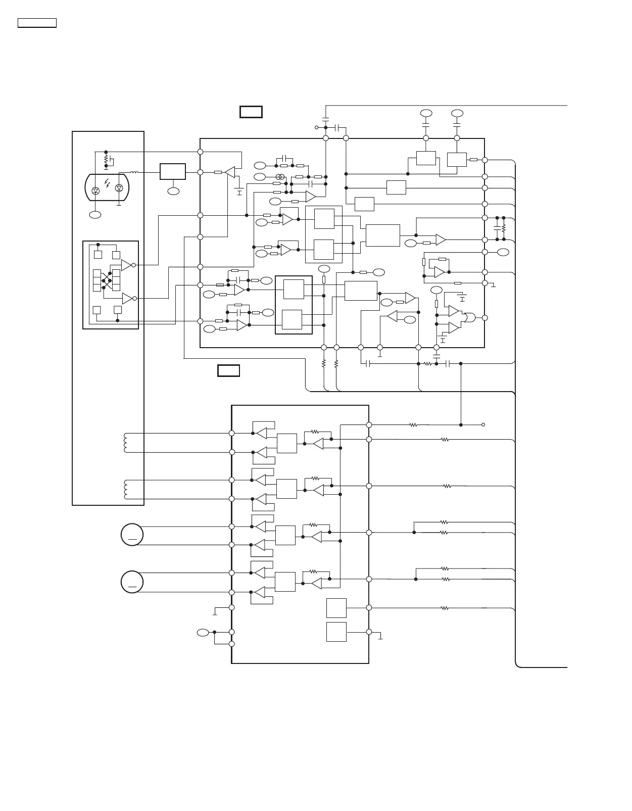
IC701
AN8837SBE1
SERVO AMP
Q701
+B
+B
M701
TRAVERSE
MOTOR
M702
SPINDLE
MOTOR
E
E
D
A
D
C
B
C
F
F
PHOTO DETECTOR
FOCUS COIL
TRACKING COIL
F+
F-
T+
T-
D3+
15
D3+
16
D4-17
LEVEL
SHIFT
[CH4]
D4+
18
14
D2+
LEVEL
SHIFT
[CH2]
D2-
13
D1+
12
D-
[CH1]
11
PGND1,2
9,20
PVCC1,2
10,19
VCC
25
+B
[CH3]
SP+
SP-
TRV+
TRV-
LEVEL
SHIFT
MUTE
[CH1]
MUTE
[CH2]
PC2
2
PC1
4
IN1
3
IN2
1
IN4
27
IN3
28
VREF
26
ENV
OFTR
BDO
/RFDET
FE
VREF
VREF
2123
TEBPF
TEOUT
CROSS
TEN
FBAL
1622
TBAL
2827
TBAL
FBAL
TE
LDON
PC
ECM
ECS
LOADING
TVD
TRD
FOD
(RF)
TJ701
VREF
IC703
BA5948FPE2
FOCUS COIL/TRACKING
COIL/TRAVERSE MOTOR/
SPINDLE MOTOR DRIVE
CD OPTICAL PICKUP
SEMICONDUCTOR
LASER
+B
+
-
B
+
-
A
LEVEL
SHIFT
36
SA-PM30MD

Related product manuals