EasyManua.ls Logo

Panasonic SA-PM30MD - Page 42

Panasonic SA-PM30MD
102 pages
Print Icon
To Next Page IconTo Next Page
To Next Page IconTo Next Page
To Previous Page IconTo Previous Page
To Previous Page IconTo Previous Page
Loading...
-
+
+B
+B
+B
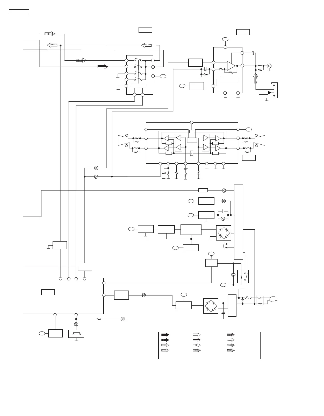
IC801
MN101C12GRB1
MICROPROCESSOR
-
+
-B
+B
+B
+B
IC403
AN7135
POWER AMP
SIGNAL LINES
: AM SIGNAL LINE
: AM OSC SIGNAL LINE
: AUX SIGNAL LINE
: CD SIGNAL LINE
: FM SIGNAL LINE
: AM/FM SIGNAL LINE
: FM OSC SIGNAL LINE
: MD SIGNAL LINE
: MD REC SIGNAL LINE
: MAIN SIGNAL LINE
: PLAYBACK SIGNAL LINE
: REC SIGNAL LINE
NOTE: ( ) indicates Pin No. Right Channel.
D634
9
SW CONT..
15(2)
16
11(4)
8
9
10
7
14(5)
13(3)
+
-
+
-
+
-
64dB
64dB
+
-
+
-
+
-
64dB
64dB
RIPPLE
FILTER
OR
1
2
2
4
12
78
5
6
11
3
10 14
1
15
13
IC404
AN7194K-LD
LOW AMP
RIPPLE FILTER/
STABILIZER
2(5)
1(6)
3
12(7)
11(8)
+
-
10
4
9
VCC
I/PGND
O/PGND
MUTING
35 36 37 58
GAIN
Q405(Q505)
MUTING
CONTROL
Q804
Q432 (Q532)
POWER
SUPPLY
Q613
+B
SP_L(R)
(FULL)
RESET
Q801
33
REGULATOR
Q901,D901
Q902,D902
SWITCH
Q1
D901~D904
Q906,Q907
REGULATOR
REGULATOR/
POWER SUPPLY
CONT.
Q908
Q905
Q961,Q962
REGULATOR
D1~D4
T2
L1
RL1
POWER
SUPPLY
CONTROL
Q912,Q913
REGULATOR
Q911
REGULATOR
Q910
D8
D10,D11
FP1
FL DISPLAY
Z701
28
F1
AC IN
POWER TRANSFORMER
12(1)
IC401
BU4052BCF-E2
FUNCTION SWITCH
+B
+
+B
+B
SP
WOOFER_L
SP
WOOFER_R
+
+
D6
59
73
+B
D925
+
D5
D633
CR02PB
SEL1
SEL2
MUTE A
MICON
RST
SYNC/
HALT
ACCNT
PWRCONT
D922
+
T1
+
MUTE
1/2
VCC
STBY
IN_R
IN_L
GND_R
GND
GND_L
OUT+ _R
OUT-_R
VCC
OUT+_L
OUT-_L
REGULATOR
JK604
RCH
42
SA-PM30MD

Related product manuals