EasyManua.ls Logo

Panasonic SA-PM35MD - Page 153

Panasonic SA-PM35MD
158 pages
Print Icon
To Next Page IconTo Next Page
To Next Page IconTo Next Page
To Previous Page IconTo Previous Page
To Previous Page IconTo Previous Page
Loading...
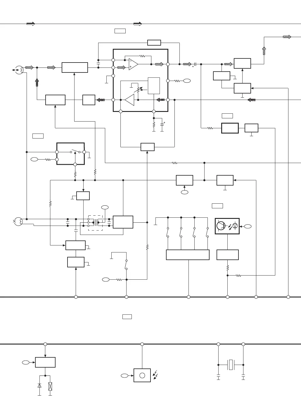
R/P HEAD
(L ch)
Q1105 (Q1205)
4
3
2
L1301
BIAS OSC
CONTROL
Q1302
Q1303
1
Q1308,Q1309
ERASE
HEAD
Vcc
Q1330
2(7)
1(8)
16(9)
3(6)
14(11)
5
NF
AGC
13
Q1304
Q1101(Q1201)
R1102,C1102
(R1202,C1202)
Q1102(Q1202)
Q1305~Q1307,
Q1313
12
Z971
INTERFACE
Q1317
32K OSC OUT
X802
(32.7kHz)
11 10
32K OSC IN
Q1106 (Q1206)
Q1311
Q1310
MUTING
DMT
CRO2
REC_H
53 54
BP
MK_IN1
92
MK_IN2
93 55 56
D971
SOLENOID
Q703,Q1320
49
PL_H
Z902
(REMOTE SENSOR)
20
RMT
15(10)
Q1103(Q1203)
TPS
DRIVE
REC
EQ
MUTING
CONT.
MUTING
TPS
DRIVE
SWITCH
(REC ON)
INTERFACE
SWITCH
HEAD SELECT
(PLAY:ON)
HEAD SELECT
(REC:ON)
SOLENOID
DRIVE
REC EQ
R/P
SELECT
R/P
SELECT
+B
+B
+B
+B
+B
+B
+B
+B
BA7755A
IC1301
R/P SELECT
SWITCH
(BEAT PROOF)
PLAY / REC AMP
IC1302
TA8142AP
BA4558FE2
IC1303
IC971
PHOTO INTERRUPTER
0N2180RLC1
S973 (CrO2)
S972 (HALF)
S975 (F.REC INH.)
S974 (R.REC INH.)
S971 (MODE)
SYSTEM CONTROL
M30622MC4A3F
IC801