EasyManua.ls Logo

Panasonic SA-PM35MD - Page 156

Panasonic SA-PM35MD
158 pages
Print Icon
To Next Page IconTo Next Page
To Next Page IconTo Next Page
To Previous Page IconTo Previous Page
To Previous Page IconTo Previous Page
Loading...
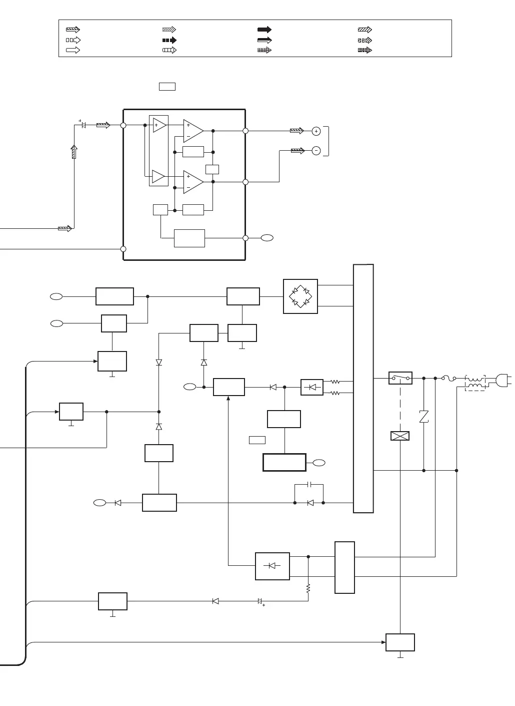
: PLAYBACK SIGNAL LINE
: RECORDING SIGNAL LINE
SIGNAL LINES
: FM SIGNAL LINE
: FM OSC SIGNAL LINE
: MAIN SIGNAL LINE
: FM & AM SIGNALS LINE
: AM SIGNAL LINE: CD SIGNAL LINE
: AUX SIGNAL LINE
: AM OSC SIGNAL LINE
: MD SIGNAL LINE : MD REC SIGNAL LINE
JK601
AC IN
F601
T601
POWER TRANSFORMER
L601
D620,D622,D624,D625
Q604
D607,D608, D629,D630
T602
Q603
D609,D610
Z601
RLY601
1
11(6)
34dB
1/2
34dB
15(2)
13(4)
OR
POWER
TRANSFORMER
D601
Q616,Q617
Q615,Q620
Q605
Q606
Q609,Q610
Q618,Q619
D613
Q611
MUTE
7
RIPPLE
FILTER
DIMMER
D617
SWITCH
D618
PCONT2
HALT
Q614
D619
PCONT1
Q612
D616
D103
JK502
SPEAKERS
LOW(6 W)
Q613
REGULATOR/
P.SUPPLY
STABILIZER
POWER
SUPPLY
POWER
SUPPLY
CONT.
REGULATOR/
STABILIZER
REGULATOR/
STABILIZER
REGULATOR
REGULATOR
REGULATOR
RELAY
DRIVE
SWITCH
Q602
SWITCH
SWITCH
+B
+B
+B
+B
+B
+B
AN7194K-LD
POWER AMP(LOW)
IC502
UPC29M33HF
IC601
OUT+_L(R)
OUT-_L(R)
IN_L(R)