EasyManua.ls Logo

Panasonic SA-PM35MD - Page 155

Panasonic SA-PM35MD
158 pages
Print Icon
To Next Page IconTo Next Page
To Next Page IconTo Next Page
To Previous Page IconTo Previous Page
To Previous Page IconTo Previous Page
Loading...
76 75
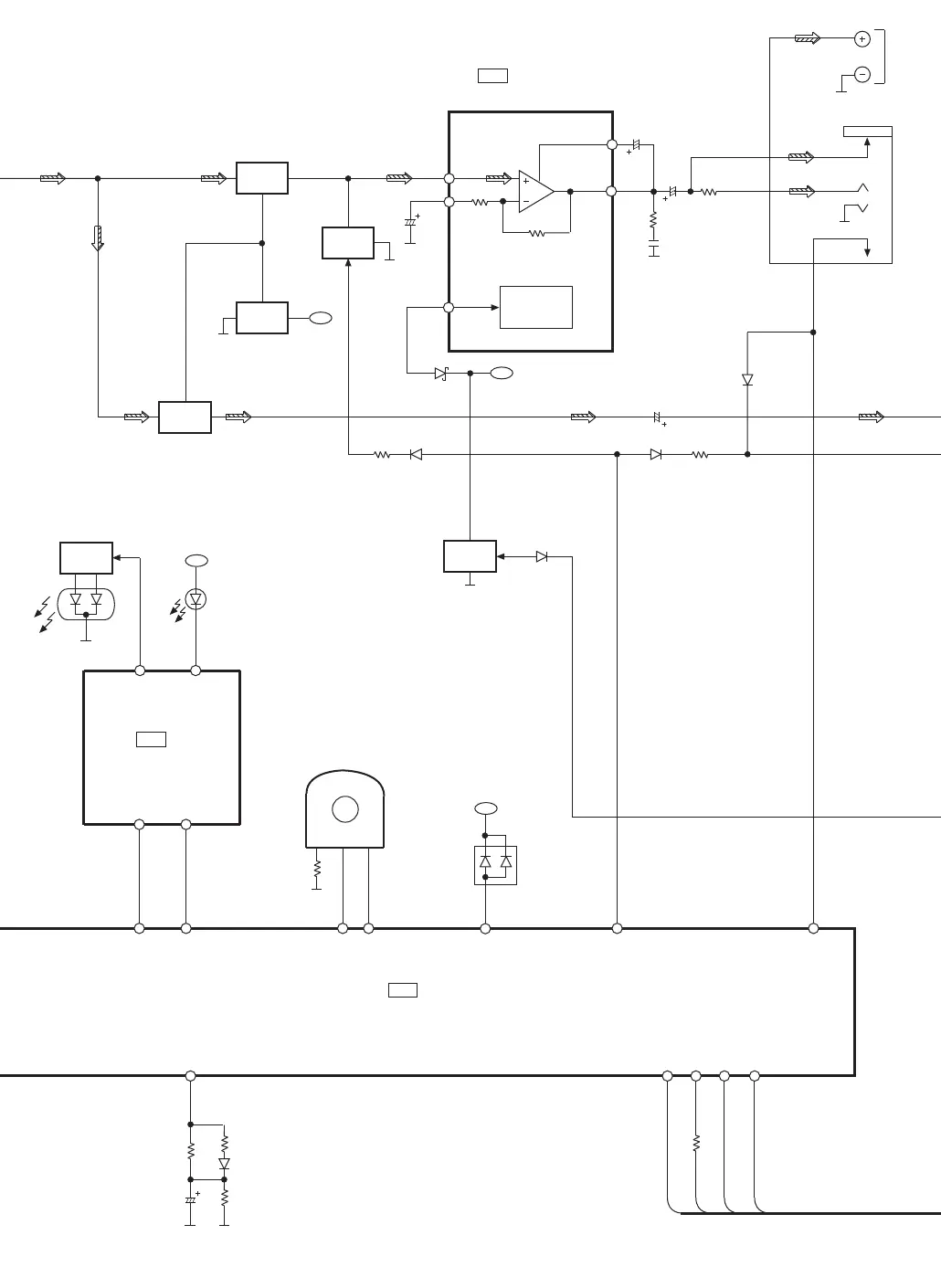
EXP DATA
3
CLK
2
DATA
EXP CLK
Q542
D546
3
2(5)
1(6)
11(8)
12(7)
86
MUTE A
Q406
D535
JK503
PHONES
D548
Q501(Q502)
Q403(Q404)
D534
D545
Q405
RIPPLE
FILTER/
STABILIZER
Q901~Q908
D904~D906,
D912,D913
4,5,8
VOL/EQ
6,7,9,10
MD/CD/
TUNER/TAPE
41
CRT
D804
85
PCONT2
18
HALT
84
PCONT1
94
DC DET
83
DIMMER
PCONT2
HALT
PCONT1
DIMMER
88
HP_SW
POWER
SUPPLY
FILTER
AMP
FILTER
AMP
MUTING
SWITCH
LED DRIVE
77 78
VOL S1
VOL S2
VR901
(VOLUME)
D907~D910
JK501
SPEAKERS
HIGH(6 W)
+B
+B
+B
BU2090AF-E2
LED DRIVE
IC902
D807,D808
+B
POWER AMP(HIGH)
AN7135
IC501
SYSTEM CONTROL
M30622MC4A3F
IC801