EasyManua.ls Logo

Panasonic SA-PM35MD - Page 22

Panasonic SA-PM35MD
158 pages
Print Icon
To Next Page IconTo Next Page
To Next Page IconTo Next Page
To Previous Page IconTo Previous Page
To Previous Page IconTo Previous Page
Loading...
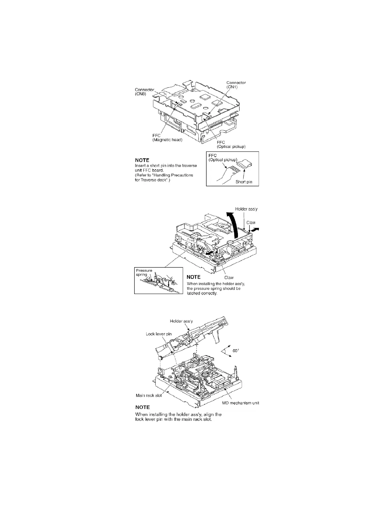
7.3.3. Replacement for the Magnetic Head and Optical Pick-up.
Step 1 Remove the 2 FFCs from the connector.
Step 2 Remove the pressure spring from latch.
Step 3 Release the 2 claws and then lift up the holder ass’y.
Step 4 Set the holder ass’y and MD mechanism unit at a 60 degree angle and then pull out the
holder ass’y.
22

Related product manuals