EasyManua.ls Logo

Panasonic SA-PM35MD - Page 76

Panasonic SA-PM35MD
158 pages
Print Icon
To Next Page IconTo Next Page
To Next Page IconTo Next Page
To Previous Page IconTo Previous Page
To Previous Page IconTo Previous Page
Loading...
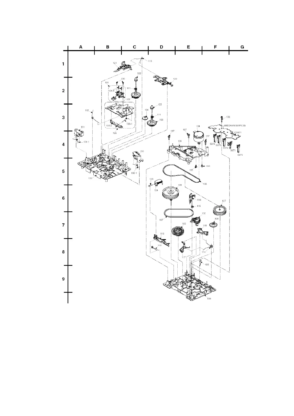
17.1.2. Deck Mechanism Parts List
76

Related product manuals