EasyManua.ls Logo

Panasonic SA-PMX3GN - Page 62

Panasonic SA-PMX3GN
102 pages
Print Icon
To Next Page IconTo Next Page
To Next Page IconTo Next Page
To Previous Page IconTo Previous Page
To Previous Page IconTo Previous Page
Loading...
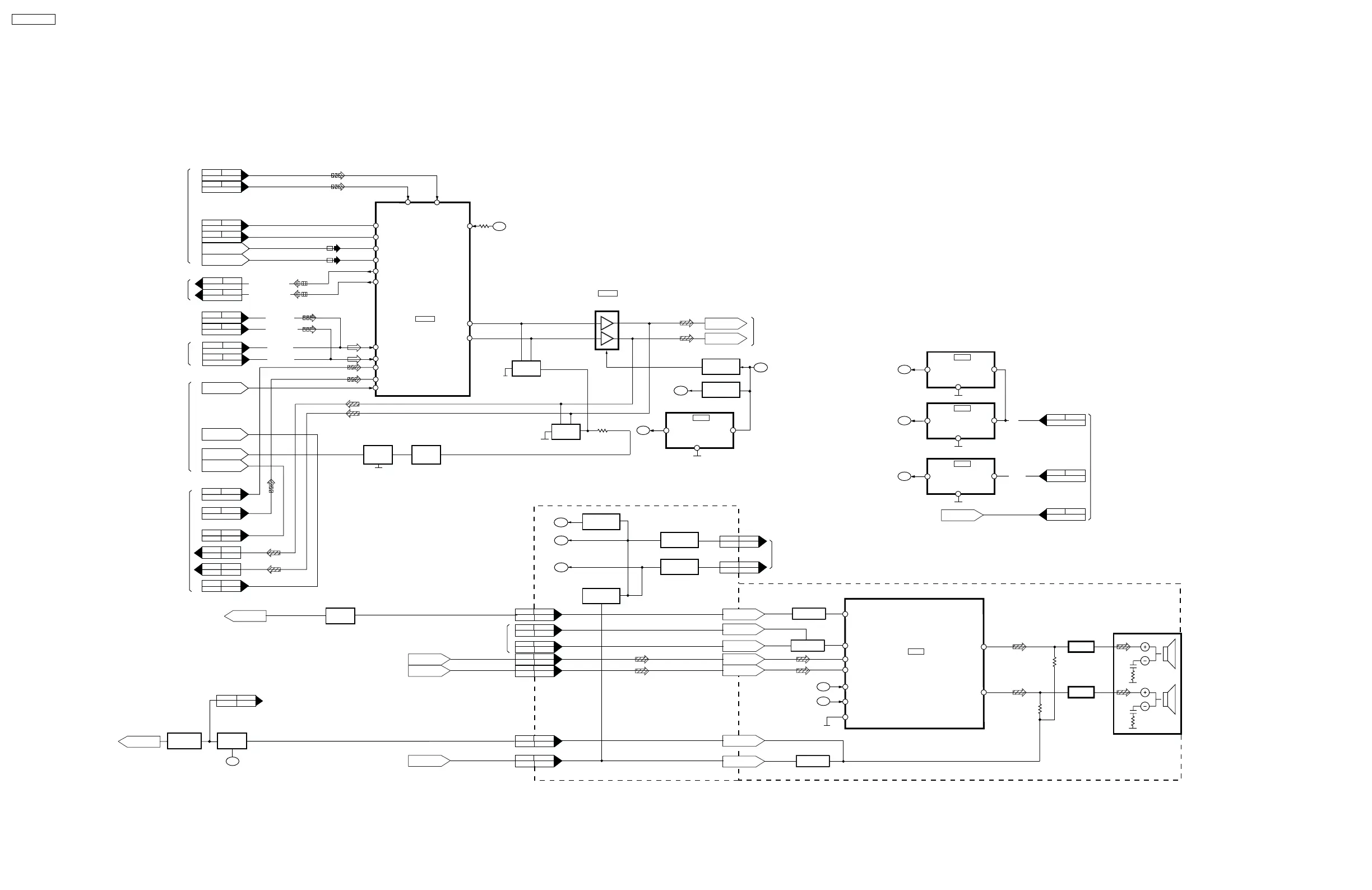
14.4. MAIN 2/2, POWER(CLAMP) /POWER(D-AMP) BLOCK DIAGRAM
=)A@"E!+
=)<@"E!)
G&.!93
G&.!93
O0D<<<
1&2&!%.#%$6
=)@"4/
=+8@$"19
=+@&')H
=++@&'+H
=?@:116)
=)>@:116+
=))@:446)
=)8@:446+
=D@42'1)
=B@42'1+
469%0934
G3"'!#3&2F!
!"#G%'
G3"'!#.9G!
&/D<<<
/)-%<<<<<A?;
58<:
J58<:#49'49L
JH8<:#49'49L
H8<:
J$H)+:L
H)+:
)+
/'A<<<
/'A<<<
)A
MDD<)CMDD<8
4N&!/F
MD><)CMD><8CMD><A
4N&!/F
MD)<)CMD)<+
4N&!/F
$E!9KG
GF"6
$"19#K1%
G3K&'
G.K&'
1/K19!
4&2'%.
H-
J:11L
H)D:
J%H)D:L
5-
J:44L
392E.%!"3
MD)<DCMD)<>CMD)<;
19!#4N&!/F
MD)<?CMD)<B
392E.%!"3
MD)<<
392E.%!"3
M+><)
392E.%!"3
M+><<
392E.%!"3
MD)<8CMD)<A
/'+?<>
+
G%'#13&:9
M+?<)CM+?<+
4N&!/F
M3+D<<CM+D<;
19!#4N&!/F
M+?<<CM+?<8
1/K19!)
/'D)<<
/'+?<?
A
/'D)<<
/'+?<?
+
A
/'D)<)
/'8;A<
DD
/'D)<)
/'8;A<
88
/'D)<)
/'8;A<
AA
/'DB<8
/'D)<A
;C? ;C?
/'DB<8
/'D)<A
+C8+C8
/'DB<<
/'+?)<
D
/'DB<<
/'+?)<
8
+
/'D)<)
/'8;A<
))
/'D)<)
/'8;A<
++
6"N93(15%$6,#6I/I-
6"N93(/.%$6,#6I/I-
1/K19!
!"#$%&'()*+,
-."/0#1&%23%$#
!"#$%&'#(+*+,
-."/0#1&%23%$#
!"#$%&'#()*+,
-."/0#1&%23%$#
!"#$%&'#()*+,
-."/0#1&%23%$#
!"#$%&'#()*+,
-."/0#1&%23%$#
!"#/1
-."/0#1&%23%$#
!"#41
-."/0#1&%23%$#
!"#$%&'()*+,
-."/0#1&%23%$#
!"#$%&'()*+,
-."/0#1&%23%$#
!"#!3%'4G"3$93
-."/0#1&%23%$#
G3"'!3
G3"'!.
6/"'!
G3"'!3
G3"'!.
J4R4DID:L
JG%')+:L
/'DB<<
/'+?)<
?CB
J1D:L
!"#$%&'()*+,
-."/0#1&%23%$#
H)D:
H)+:
GF"6
!"#!3%'4G"3$93
-."/0#1&%23%$#
!"#1%$6(/.%$6,
-."/0#1&%23%$#
4%56$782'#$%&'#+*+C#6"N93(/.%$6,#*6"N93(15%$6,##-."/0#1&%23%$
J/1K./FL
J/1K3/FL
J41K39/K./FL
J41K39/K3/FL
%46
1E%.#"65%$6
&/+?<+
/)%-<<<<+??D
&/+?))
/<%%--<<<)+D
=);@3K"E!
?
=++@.K"E!
=)B@4/.
=+<@41%
=8?@://
M+D)<
$E!&'2
4N&!/F
M+D<B
$E!&'2
4N&!/F
$E!9K%
F6K4N
M3+D<)
$E!&'2
4N&!/F
=8;@!E5.
=8@!E53
=8>@1%-5.
=A@1%-53
=A+@$6"3!5.
=D<@$6"3!53
=A<@/15.
=D+@/153
J%B:L
M+D<?
4N&!/F
%46K1%!%
%46K/.0
!E'93K.9G!
!E'93K3&2F!
JE4-K.9G!L
JE4-K3&2F!L
++
+A
=8>@39/K.
=D@39/K3
D
;
%E7K19!
/';<<+
/'+?<D
/'+?<D
/';<<+
)
8
/'+?<A
/'+?<A
/'+?<A/'><)
/'+?<A/'><)
/'><)
/'><)
)
/'>?<)
A)A
);
)D
)8
8
/'+?<8
/'>?<)
/'+?<8
/'>?<)
/'+?<8
/'>?<)
/'+?<8
D
HB:
=AA@1"/0K. =A;@1"/0K3
D
/'+?<</')<<)
)
/'+?<</')<<)
8
;
/'+?<>
/'+?<>
:".!%29
392E.%!"3
&/+?<B
/<1-/RR<<<<D
)CD
+
A
&'
2'1
"E!
H8I8:
J1H8I8:L
:".!%29
392E.%!"3
&/+?)+
/</-%-9<<<D>
)
+
8
&'
2'1
"E!
H8I8:
J1H8I8:L
J8I8:L
:".!%29
392E.%!"3
&/+?)<
/</-/-/<<<B<
)
+
8
&'
2'1
"E!
H8I8:
J%46B:L
:".!%29
392E.%!"3
&/+?<8
/</-%F9<<<<+
+
8
&'
2'1
"E!
HB:
NF>?<8 /'+?<B
NF>?<8 /'+?<B
SA-PMX3GN
62

Related product manuals