EasyManua.ls Logo

Panasonic SA-PMX3GN - Page 63

Panasonic SA-PMX3GN
102 pages
Print Icon
To Next Page IconTo Next Page
To Next Page IconTo Next Page
To Previous Page IconTo Previous Page
To Previous Page IconTo Previous Page
Loading...
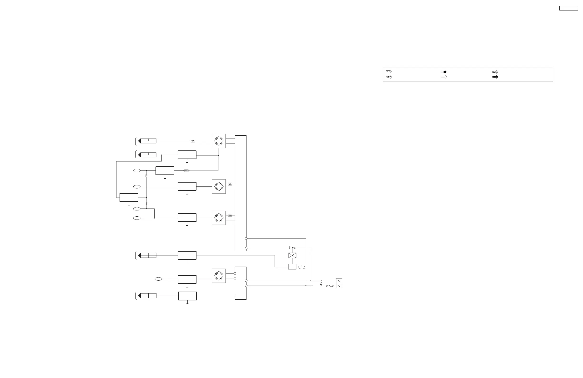
14.5. TRANSFORMER BLOCK DIAGRAM
T#$%&'#4&2'%.#.&'9
T#E4-#4&2'%.#.&'9
T#/1#4&2'%.#.&'9
T#/1#1%#4&2'%.#.&'9
T#$E4&/#6"3!*151"/0#4&2'%.#.&'9
4&2'%.#.&'9
!3%'4G"3$93#6I/I-
QDB;<
3.DB;<
GDB;<
%/#&'.9!
O0DB;<
!DB<)
4E-5!3%'4G"3$93
6"N93#
!3%'4G"3$93
1D;<)
1DB))PDB)A
1DB+?PDB8)
G6DB))
G6DB))
G6DB++
MDB;)
392E.%!"3
MDB;+
4N&!/F
MDBD<CMDB+;
392E.%!"3
1DB8+P1DB8D
1DB+<P1DB+8
G6DB+<
MDB+)CMDB++
392E.%!"3
MDB)+
392E.%!"3
MDBB<
5:6#392E.%!"3
MDB)<CMDB))
19!#4N&!/F
MDB;<
4N&!/F
4R4>:
1HD:
4ND:
$HB:
5:6
++
/'DB<<
88
/'DB<<
+C8
/'DB<8/'D)<A
)
4R4>:
/'DB<</'+?)<
!"#6"N93(/.%$6,
-."/0#1&%23%$#
!"#$%&'#()*+,
-."/0#1&%23%$#
!"#$%&'#(+*+,
-."/0#1&%23%$#
!"#$%&'#(+*+,
-."/0#1&%23%$#
T#G$*%$#4&2'%.#.&'9
!DB<<
/'+?)<
/'+?)<
4%56$782'#!3%'4G"3$93##-."/0#1&%23%$
SA-PMX3GN
63

Related product manuals