EasyManua.ls Logo

Panasonic SA-PT860E - Video

Panasonic SA-PT860E
159 pages
Print Icon
To Next Page IconTo Next Page
To Next Page IconTo Next Page
To Previous Page IconTo Previous Page
To Previous Page IconTo Previous Page
Loading...
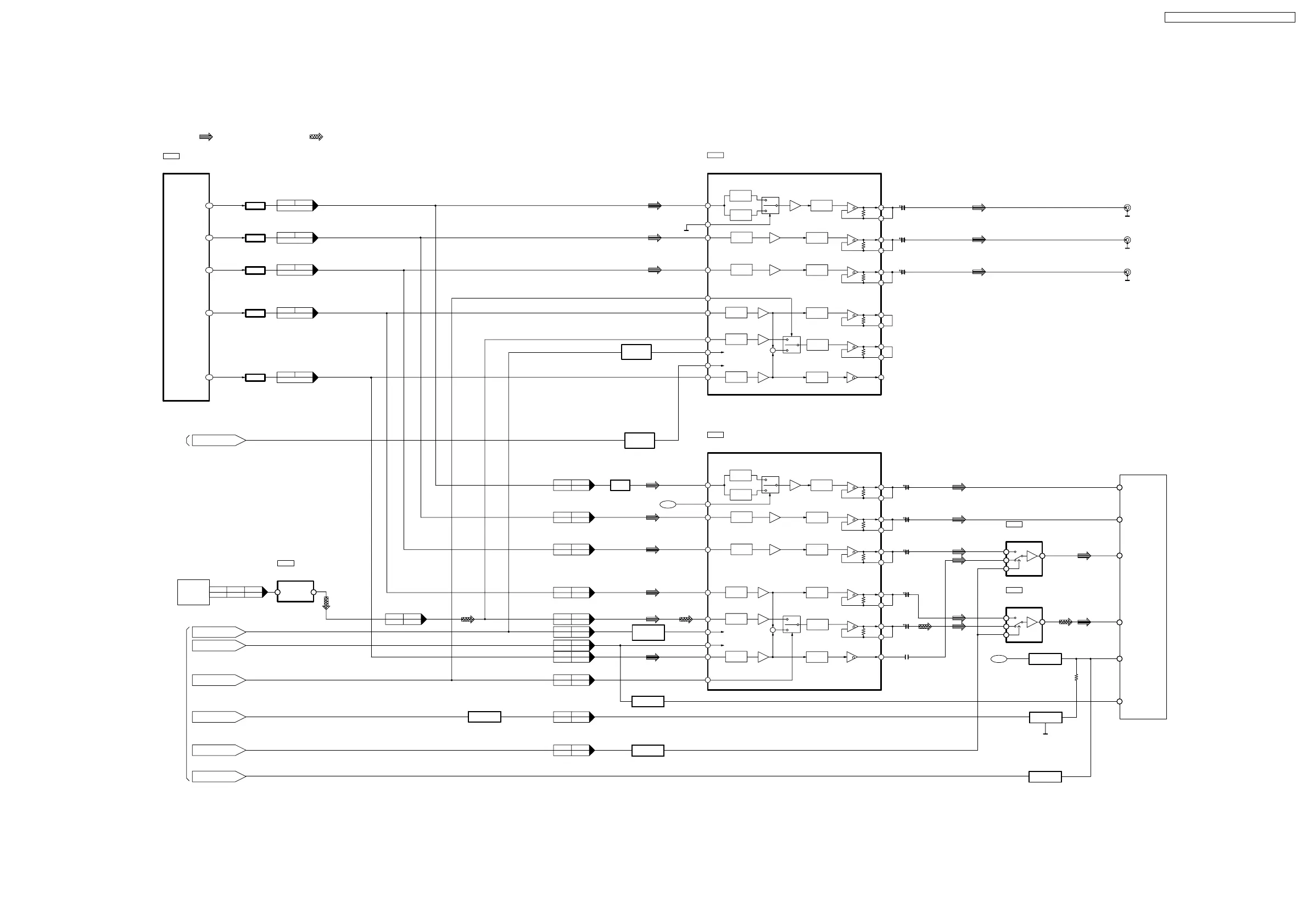
17.5. VIDEO
: DVD VIDEO SIGNAL LINE : IPOD VIDEO SIGNAL LINE
6
4
1
VIDEO BUFFER
IC4102
IC4103
C1AB00001731
2
4
ISOLATION AMP
IC6601
C0ABAA000114
VIN VOUT
1
6
4
1
VIDEO BUFFER
C1AB00001731
IN1
IN2
SW
OUT
IN1
IN2
SW
OUT
2
IC8001
DV5.0 LSI
MN2DS0018MP
CR/PR/R
CB/PB/B
Y/PY/G
131
130
C
Y
129
138
DAC1 OUT
DAC2 OUT
DAC3 OUT
DAC4 OUT
DAC5 OUT
139
RGB H
YC H
FROM
SYSTEM CONTROL
FROM
SYSTEM CONTROL
WIDE 1
IPOD VIDEO SEL
VMUTE
VCOMP MUTE
VMUTE2
BUFFER
Q8331
BUFFER
Q8335
BUFFER
Q8341
BUFFER
Q8321
BUFFER
Q8325
MUTING
CONTROL
Q2802
1
CN2001
FP8101
3
CN2001
FP8101
5
CN2001
FP8101
7
CN2001
FP8101
9
CN2001
FP8101
13 223
CN6003
CN1002
CN1001
SA-PT860E/EB/EG VIDEO BLOCK DIAGRAM
4
C IN
8
5
14
Y IN
MUTE 1
MUTE 2
CR IN
15
13
CB IN
CY IN
11
C OUT
32
IC4101
VIDEO BUFFER
C9ZB00000461
10
BIAS
6dB
LPF
6 MHz
CLAMP
6dB
LPF
6 MHz
LPF
6 MHz
BIAS
6dB
LPF
12 MHz
BIAS
6dB
LPF
12 MHz
6dB
LPF
12 MHz
CLAMP
+
CY OUT
CY SAG
23
24
75
CR OUT
CR SAG
17
18
75
Y OUT
Y SAG
26
27
75
V OUT
V SAG
29
30
75
CB OUT
CB SAG
20
21
75
75
BIAS
6
CV IN
CLAMP
6dB
L
H
SEL
7
SEL
L
H
REGULATOR
Q4008
Q4003,D4002
Q4005
MUTING
SWITCH
AV
JK4001
IPOD
GREEN I/O
BLUE I/O
FUNCTION SW
BLANKING I/O
V OUT
RED I/O
Q4002,Q4004
BUFFER
Q4009
INVERTER
Q2803
INVERTER
Q4001
MUTING
CONTROL
11
7
19
15
8
16
Q4007
AMP
11 12
914
716
13 10
16 7
15 8
17 6
617
8
15
CN4001
CN2801
CN2801
CN2801
CN4001
CN4001
CN4001
CN4001
CN4001
CN4001
CN4001
CN4001
DVD A+5V
CN2801
CN2801
CN2801
CN2801
CN2801
22 1
CN4001
CN2801
CN2801
20 3
CN4001
CN2801
27 2
CN2008
CN6001
18V
<SCART_+18V>
Y (GREEN)
JK2001
VIDEO BUFFER
C9ZB00000461
PR (RED)
JK2001
PB (BLUE)
JK2001
MUTING
CONTROL
Q2801
4
C IN
8
5
Y IN
MUTE 1
MUTE 2
CR IN
15
13
CB IN
CY IN
11
10
BIAS
6dB
LPF
6 MHz
CLAMP
6dB
LPF
6 MHz
LPF
6 MHz
75
6
CV IN
CLAMP
SEL
7
SEL
C OUT
32
BIAS
6dB
LPF
12 MHz
BIAS
6dB
LPF
12 MHz
6dB
LPF
12 MHz
CLAMP
+
CY OUT
CY SAG
23
24
75
CR OUT
CR SAG
17
18
75
26
27
75
30
75
20
21
75
BIAS
6dB
L
H
L
H
Y OUT
Y SAG
V OUT
V SAG
29
CB OUT
CB SAG
IC2801
14
SA-PT860E / SA-PT860EB / SA-PT860EG
95

Table of Contents

Related product manuals