EasyManua.ls Logo

Panasonic SA-PT860E - Audio

Panasonic SA-PT860E
159 pages
Print Icon
To Next Page IconTo Next Page
To Next Page IconTo Next Page
To Previous Page IconTo Previous Page
To Previous Page IconTo Previous Page
Loading...
17.6. Audio
Q2848
MUTING
Q2104
MUTING
Q2103
MUTING
CONTROL
Q2845
MUTING
CONTROL
Q2847
MUTING
RECOUT R
RECOUT L
JK4001
3
1
6
2
AV
JK4001
AV
SCART MUTE
FROM
SYSTEM CONTROL
AV MUTE
FROM
SYSTEM CONTROL
MULTIROOM AUX MUTE
FROM
SYSTEM CONTROL
TO
DVD (AUDIO)
IPOD
CN2008
CN6001
CN6003
CN1002CN1001
27
28
22
24
8
10
7
5
7
5
CN2008
CN6001
CN6003
CN1002CN1001
CN4001
CN2801
21 2
CN2801
CN4001
21 2
CN2801
CN4001
19 4
29 9 6
CN6003
CN1002CN1001
C0ABBB000230
IPOD DIFFERENTIAL AMP
5
6
7
-
+
-
+
3
1
2
IC6101
C0JBZS000003
IC4104
QUADRUPPLE ANALOG SWITCH
OUT/IN IN/OUT
SWA
1
3
2
4
5
13
IN/OUT
CONT.B
CONT.A
OUT/IN
SWB
IC2501
LEVEL
PROTECTION
CIRCUIT
CENTER
POP-UP
CIRCUIT
SUB IN
MIC IN
C IN
OP IN 1
OP IN 2 OP OUT 2
FLVOL OUT
FRVOL OUT
FLF IN
FRF IN
SL OUT
SR OUT
FL OUT
FR OUT
C OUT
SURROUND L
SURROUND R
FRONT L
FRONT R
CENTER
SUBOUT
OP OUT 1
46
C1AB00002735
AUDIO SIGNAL PROCESSOR
FL IN
SL IN
SR IN
INL2
INR2
INL3
INR4
INR3
INL4
RECOUTR
RECOUTL
AUX L (WHITE)
JK2001
FLSEL OUT
FRSEL OUT
FLVOL IN
FRVOL IN
SLVOL IN
SRVOL IN
CVOL IN
SUBVOL IN
SLSEL OUT
SRSEL OUT
CSEL OUT
SUBSEL OUT
IC2101
AUX R (RED)
JK2001
AMP
AMP
AMP
AMP
AMP
AMP
AMP
AGC
AMP
AMP
AMP
AMP
H BASS
ASS
TONE
INL1
INR1
AMP
100
MIX R
MIX L
TUN R-CH
TUN L-CH
DOCK L-CH
DOCK R-CH
TV R-CH
TV L-CHSCART L-CH
SCART R-CH
FR IN
RMPORT L
RMPORT R
99
90
89
92
91
93
95
86
85
82
81
79
78
80
7777
97
62
63
12
21
36
35
22
60
20
37
23
52
34
13
19
FRF IN
15
27
14
30
16
44
SRVOL OUT
SLVOL OUT
CVOL OUT
39
25
32
SRF IN
CF IN
SLF IN
40
26
31
48
47
45
46
MCU
I/F
DVD FR
DVD FL
DVD SR
DVD SL
DVD CNT
DVD SUBW
96
94
C0AABB000125
IC2102
HEADPHONE AMP
5
6
7
-
+
-
+
3
1
Q2203
Q2101
MUTING
CONTROL
MUTING
17
41
18
2
ASP CLK
ASP DAT
FROM
SYSTEM
CONTROL
FROM
DVD (AUDIO)
SENSE 1
HP MUTE
FROM SYSTEM CONTROL
TO SYSTEM CONTROL
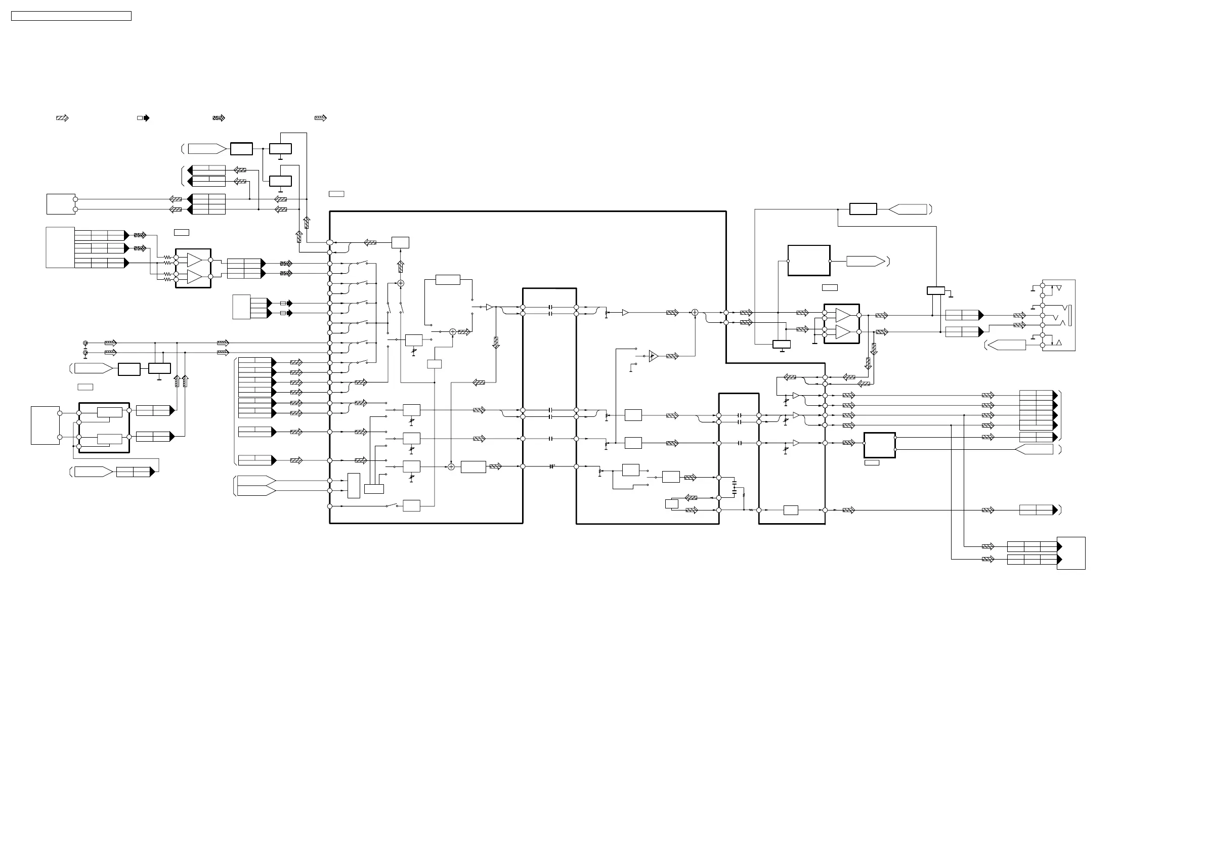
SA-PT860E/EB/EG AUDIO BLOCK DIAGRAM
SUBWOOFER
TUNER PACK
JK6901
HP DETECT
CENTER POP-UP
TO SYSTEM CONTROL
HEADPHONE
7
6
1
2
3
4
5
INR5
INL5
88
87
Q2102
MUTING
TO
DIGITAL AUDIO AMP
TO DIGITAL AUDIO AMP
FROM
SYSTEM CONTROL
26
CN2001
FP8101
24
CN2001
FP8101
20
CN2001
FP8101
22
CN2001
FP8101
16
CN2001
FP8101
18
CN2001
FP8101
12
CN2001
FP8101
14
CN2001
FP8101
5
7
CN2002
CN2002
117
CN5050
CN2009
315
CN5050
CN2009
711
CN5050
CN2009
9
CN5050
CN2009
11 7
CN5050
CN2009
513
CN5050
CN2009
CN2007
CN6904
15
3
17
1
CN2007
CN6904
HP L-CH
HP R-CH
122
CN2801
CN4001
518
CN2801
CN4001
28
CN2001
FP8101
30
CN2001
FP8101
CLOCK
DATA
A(A)IN
A(B)IN
A(A)OUT
A(B)OUT
L IN
R IN
L OUT
AIN L
AIN R
R OUT
Q2501,Q2502
C0ABBB000230
CENTER POP-UP AMP
TRANSMITTER
DIGITAL
CN6301
CN6300CN2003
CN6301
CN6300CN2003
6
8
9
7
10
12
: FM SIGNAL LINE: MAIN SIGNAL LINE : IPOD AUDIO SIGNAL LINE : TV AUDIO SIGNAL LINE
SA-PT860E / SA-PT860EB / SA-PT860EG
96

Table of Contents

Related product manuals