EasyManua.ls Logo

Panasonic SA-VK81D - Page 83

Panasonic SA-VK81D
154 pages
Print Icon
To Next Page IconTo Next Page
To Next Page IconTo Next Page
To Previous Page IconTo Previous Page
To Previous Page IconTo Previous Page
Loading...
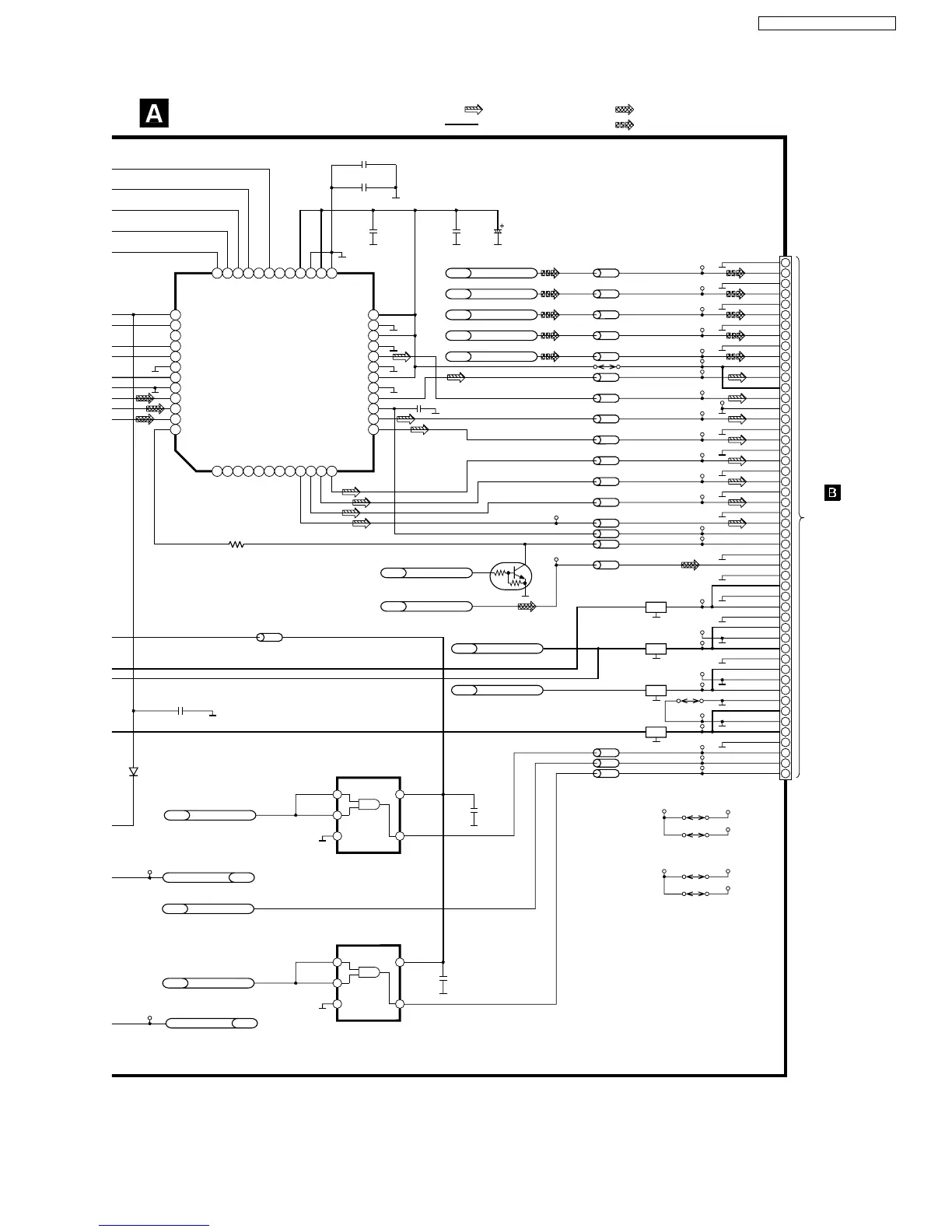
SCHEMATIC DIAGRAM - 4
DVD MODULE (IN/OUT) CIRCUIT
: +B SIGNAL LINE
TO
MAIN
CIRCUIT
(CP2813) ON
SCHEMATIC
DIAGRAM - 15
FP8101
Y/PY/G
VGND
VGND
VGND
VGND
VGND
ADAC5V
ADAC5V
ADACGND
ADACGND
ADACGND
ADACGND
ADACGND
ADACGND
DGND
DGND
D+5V
D+5V
A+5V
A+5V
AGND
AGND
D+1.2V
D+1.2V
DGND
DGND
M+9V
M+9V
MGND
MGND
DGND
DGND
LB8303 TC8303J0JCC0000119
CB/PB/B
LB8304 TC8304J0JCC0000119
CR/PR/R
LB8305 TC8305J0JCC0000119
Y
LB8301 TC8301J0JCC0000119
C
LB8302
K8421
TC8302J0JCC0000119
MIX-L
LB8421 TC8423
TC8421
J0JCC0000119
MIX-R
LB8422 TC8424
TC8422
J0JCC0000119
OP_CPU-CLK
LB8691 TC8691D0GB101JA002
D0GB101JA002
D0GB101JA002
FL
LB8451 TC8425J0JCC0000119
FR
LB8452 TC8426J0JCC0000119
SL
LB8453 TC8427J0JCC0000119
SR
LB8454 TC8428J0JCC0000119
CNT
LB8455 TC8429J0JCC0000119
SW
LB8456 J0JCC0000119
A-REF
LB8423 TC8431ERJ3GEY0R00V
ZFLAG&AMUTE
LB8424 TC8432
TC8105
TC8103
TC8104
TC8102
TC8108
TC8101
TC8107
J0JCC0000091
AUDIODIGITAL
LB8491
TC8430
TC8491 J0JCC0000119
OP_CPU-CMD
LB8692 TC8692
OP_CPU-STAT
LB8693 TC8693
CP8551
CP8561
FL8103
F1H0J1050022
FL8102
F1H0J1050022
FL8101
F1H0J1050022
FL8104
F1J1E1040022
RSTB
SCLKI
SCLKO
BCKIN
LRCIN
TEST
VDD
DGND
DIN1
DIN2
DIN3
ZFLGA
VCC
AGND
VCC
AGND
VOUT8(NC)
AGND
VCC
AGND
VOUT7(NC)
VCOM
VOUT1
VOUT2
ZFLG1
ZFLG2
ZFLG3
ZFLG4
ZFLG5
ZFLG6
NC
NC
VOUT6
VOUT5
VOUT4
VOUT3
ML
MC
MDI
MDO
ZERO8
DATA4
ZERO7
NC
VCC
AGND
VCC
AGND
VCC
GND
GND
VCC
OP_CPU-CLKDV2
OP_CPU-CMDDV2
OP_CPU-STATDV2
LPCO2 DV2
LPCO1 DV2
Y/PY/GDV2
CB/PB/BDV2
CR/PR/RDV2
YDV2
CDV2
AMUTDV2
A+5VDV2
D+1.2VDV2
AUDIODIGITALDV2
D8550
MA2S11100L
C8462
0.1
C8695
0.1
C8691
0.1
LB8690
J0JCC0000091
R8420
2.2K
C8461 100P
C8451
10
C8452
10
C8420
6.3V330
IC8451
C0FBBK000036
AUDIO DAC
QR8420
QR8420
UNR521100L
AUDIO MUTINGSWITCH
IC8691
C0JBAA000346
AND GATE LOGIC IC
IC8695
C0JBAA000346
AND GATE LOGIC IC
C8423
0.1
C8424
0.1
K8100
: DVD VIDEO SIGNAL LINE
: DVD AUDIO SIGNAL LINE: MAIN SIGNAL LINE
K8009
TC8010
TC8006
TC8000
K8004
TC8004
K8010
TC8011
ERJ3GEY0R00V
K8005
TC8005
K8004,8005,
K8009,8010
ERJ2GE0R00X
1
2
3
4
5
67
8
9
13
14
15
16
17
18
19
20
21
28
29
30
31
32
33
34
3536
40
41
42
43
44
45
46
47
48
10
27
22
39
11
26
23
38
12
25
24
37
4
51
2
3
4
51
2
3
15
14
13
12
11
10
2
4
6
8
9
7
5
3
1
30
29
28
27
26
25
17
19
21
23
24
22
20
18
16
36
35
34
33
32
31
50
49
48
47
46
38
40
42
44
45
43
41
39
37
83
SA-VK81DGCS / SA-VK81DGCP

Table of Contents

Related product manuals