EasyManua.ls Logo

Panasonic TC-26LX20

Panasonic TC-26LX20
56 pages
To Next Page IconTo Next Page
To Next Page IconTo Next Page
To Previous Page IconTo Previous Page
To Previous Page IconTo Previous Page
Loading...
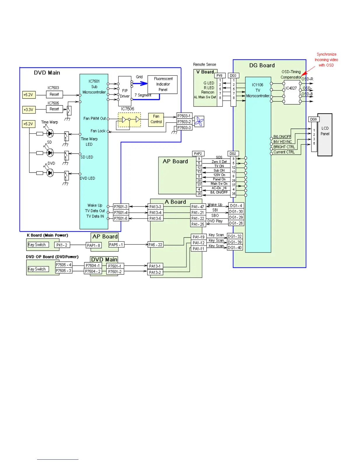
System Control Signals
Figure 7
8

Table of Contents

Other manuals for Panasonic TC-26LX20

Related product manuals