EasyManua.ls Logo

Panasonic TC-26LX20

Panasonic TC-26LX20
56 pages
To Next Page IconTo Next Page
To Next Page IconTo Next Page
To Previous Page IconTo Previous Page
To Previous Page IconTo Previous Page
Loading...
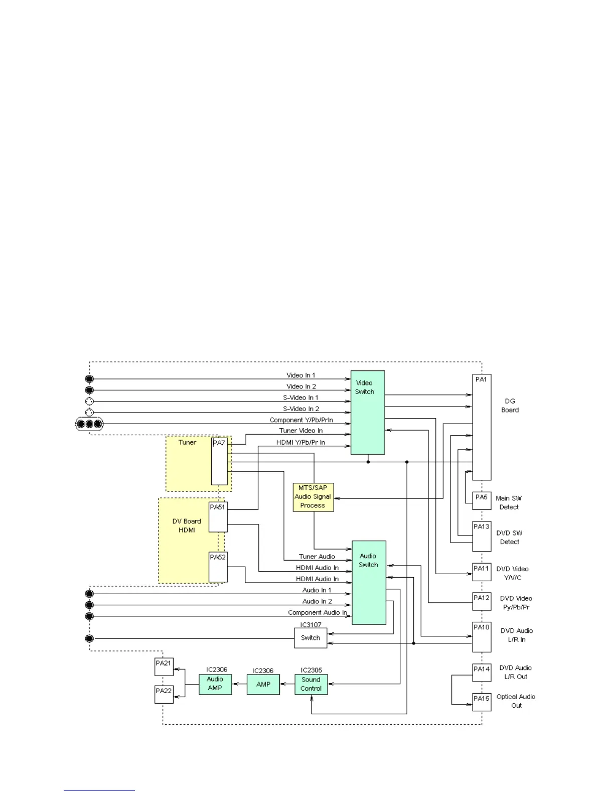
Circuit Board Description
A Board (TC-22LR30)
The A board serves as the main board and is comprised of the following:
The Video Switch IC3101 is responsible for selectively switching all video inputs
(Component, Composite, S-Video and HDMI). The selected input is fed to the
DG Board via the connector A1.
The Audio Switch (IC3102) selects the desired audio input for processing by the
Sound Control (IC2301). The MTS (IC3103) performs stereo separation of the
tuner’s multiplex signal and sends the output to the audio switch.
The TA tuner board on the TC-22LR30 provides the same functionality as the B
tuner board found on the TC26/32LX20. The output is connected to the A board
via connector PA7.
The HDMI interface, which resides on the DV board, processes and converts the
digital video and audio signals to analog and outputs them to the DG board via
the video switch.
A board TC22LR30
IC3103
IC3102
IC3101
Figure 8
9

Table of Contents

Other manuals for Panasonic TC-26LX20

Related product manuals