EasyManua.ls Logo

Panasonic TC-32LX70/70

Panasonic TC-32LX70/70
128 pages
To Next Page IconTo Next Page
To Next Page IconTo Next Page
To Previous Page IconTo Previous Page
To Previous Page IconTo Previous Page
Loading...
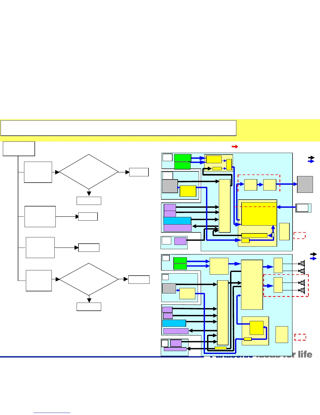
Picture NG
Picture NG
and
and
Sound NG
Sound NG
(LX700/LX70 )
(LX700/LX70 )
No
Yes
DT Board
Input Source
check
Analog TV
Picture NG
Sound NG
A Board
AV Terminal
Picture NG
Sound NG
A Board
A Board
HDMI Input
Picture NG
Sound NG
AV Terminal
Picture &
Sound OK?
No
Yes
DT Board
A Board
AV Terminal
Picture &
Sound OK?
Digital TV
Picture NG
Sound NG
LCD
Panel
VIDEO
SWITCH
IC3001
STB
MCU
IC1100
LVDS TX
IC4207
HQ1L
IC8001
FRON
T
END
TU8300
TU8302
IC4510
IC4200
DTV
VIDEO PROCESS
SW
PROCES
S
SCALING/
A/D
LX700 Only
IP
CONVER
TER/
PICTURE CORRECT/
OSD
LVDS
A
Analog
Digital
G
DT
Monitor Out
AV1 GS
AV2
COMPONENT
AV3
HDMI1
HDMI
2
TUNE
R
HDMI I/F
: Line where problem might occur
AUDIO
SWITCH
IC3101
STB
MCU
IC1100
IC8001
IC451
0
DTV
AUDIO
PROCESS
L/R
AUDIO
AMP
AUDIO
AMP
IC2301
IC2302
LX700 Only
G
AV3
HEADPHONE
FRON
T
END
TU8300
COMPONEN
T
HP AMP
L/R
L/R
L/R
L/R
L/R
Peaks Lite2
Audio DSP
HDMI I/F
Analog
Digital
A
DT
TUNER
HDMI1
HDMI2
MONITOR OUT
AV1
IC2106
G
AV2
IC830
2
52

Table of Contents

Related product manuals