EasyManua.ls Logo

Panasonic TC-32LX70/70

Panasonic TC-32LX70/70
128 pages
To Next Page IconTo Next Page
To Next Page IconTo Next Page
To Previous Page IconTo Previous Page
To Previous Page IconTo Previous Page
Loading...
TC
TC
-
-
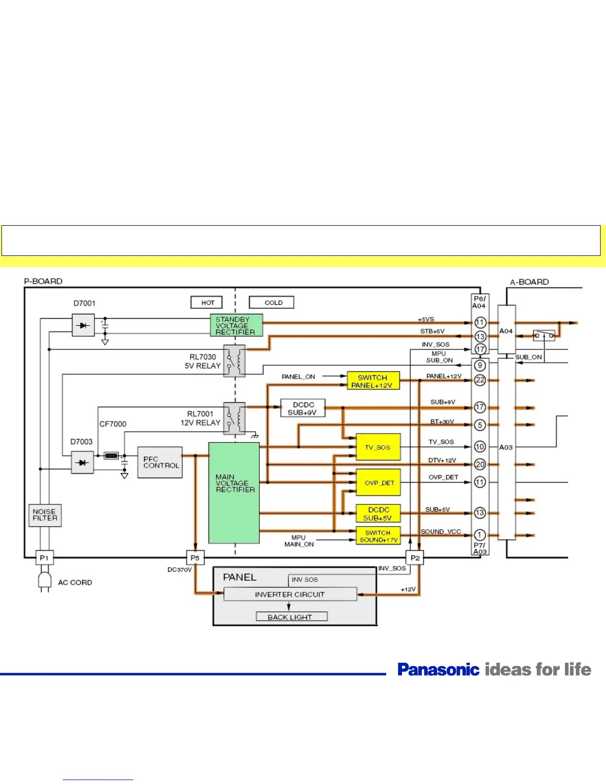
37LZ85 Power Supply Description
37LZ85 Power Supply Description
78

Table of Contents

Related product manuals