EasyManua.ls Logo

Panasonic TH-37PV70F - Main Block Diagram (42 Inch)

Panasonic TH-37PV70F
182 pages
Print Icon
To Next Page IconTo Next Page
To Next Page IconTo Next Page
To Previous Page IconTo Previous Page
To Previous Page IconTo Previous Page
Loading...
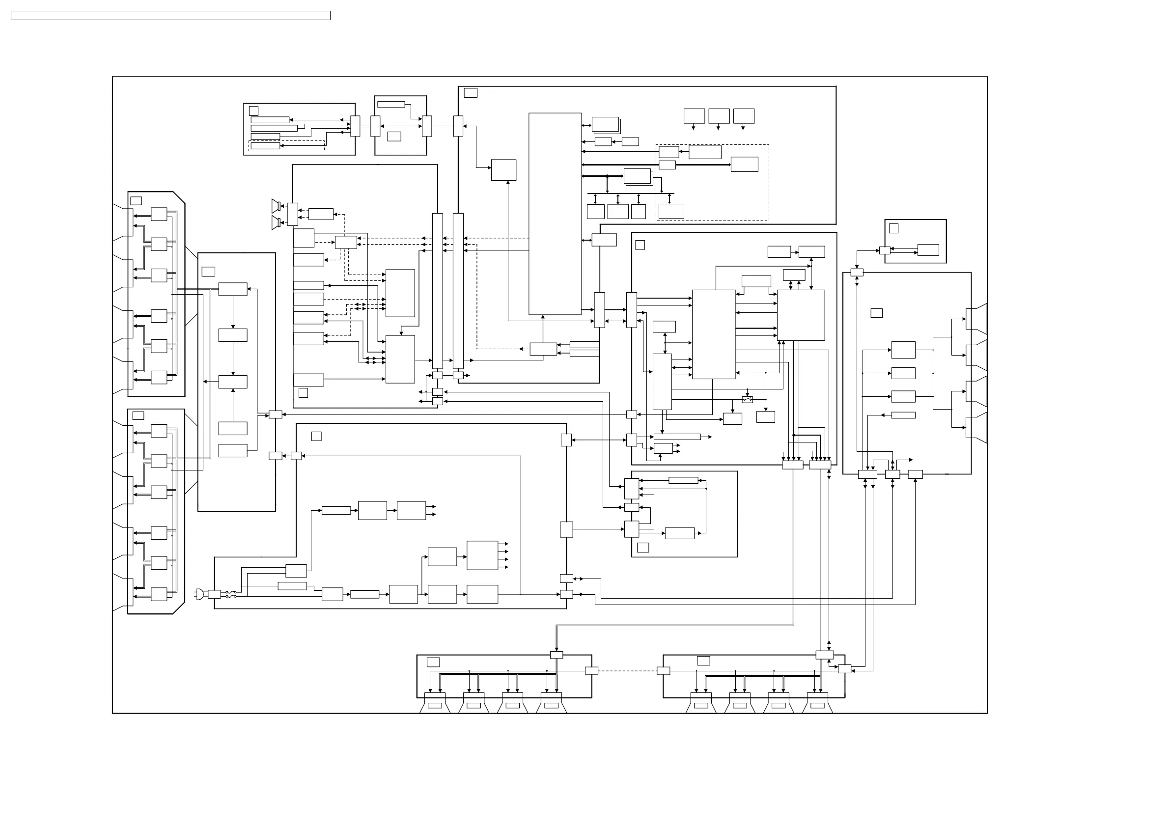
15.2. Main Block Diagram (42 inch)
OUT
LATCH,SFVRST,SFRST
+15V
S.R
IN
K1
PLASMA AI PROCESSOR
C10
STB12V
SS
C20
SIF
CONTROL
P2
VDA
CONTROL
FACTOR
AV TERMINAL,
VDA
DG1
SS_SOS8
L/R
S.R.
64
VSUS
H4
5V
C23
CI SLOT
P9
STB5V
L/R
BUFF
C2
FRONT
END
S.R
SELECT
D20
RF TUNER
CONTROL
*Sub Filed Processor
TV-V
64
[DIGITAL]
S.R.
*Plasma AI
DDR2x2
SC2
C,V
CLOCK
BOOT
ROM
PULSE
VOLTAGE
GENERATOR
Peaks-Lite 2
POWER
SUPPORT
CARD
RESET IC
VOLTAGE
PA 3
D5
NOR
FLASH
HDMI IN 2
D-LATCH
SOS1
DG
MEM
S.R.
+15V
P5
VCXO
DIGITAL SIGNAL PROCESSOR
*CLK
X'tal
PULSE
AD/HDMI
*RGB:10bit(or8bit)
D32
*VD,HD
SCAN
TV_L/R
DISPEN
12V
PROCESS
DG6
DC/DC
1.8V
CONTROL
SUSTAIN
[27MHz]
DC/DC
1.2V
P3.3V
D25
DC/DC
3.3V
STANDBY
P1.2V
AI SENSOR
+15V
P2.5V
STANDBY
S.R.
RECTIFIER
MICOM
D
64
P5V
FILTER
C11
VOLTAGE
S.R
SU
RELAY
PROTECTION(SOS)
CONTROL
HDMI IN 1
LINE
POWER SUPPLY
SUSTAIN DRIVE
FILTER
ERASE
DC/DC
SOS2
LINE
ADDRESS
SLOT
AC CORD
PS_SOS
MODEM LED
C1
SCAN DRIVE
STB12V
64
POWER SW
LVDS format
S.R
64
SS11
STB12V
SD CARD
SUSTAIN
VOLTAGE
STB12V
SD
REMOTE RECEIVER
S
VSUS
S.R
STB_PS
STB_PS
VOLTAGE
Vda
Vda 75V
GK
(VE)
P12
XRST
S.R
IIC2
STB_PS/
WRITE PROTECT
P5V
RECTIFIER
SUSTAIN
FLASH CONTROL
PCLK/NCLK
PULSE
F_STBY_15V
Discharge
Control(SS)
DC POWER
Data Driver
Control
PULSE
FPGA
H3
DRVRST
*Discharge Control
SC
64
*H,V Snyc Control
PA
S.R
S.R
*LVDS receiver
DATA DRIVER(RIGHT)
64
PD1-M plus
STB5V
+15V
S.R
64
SS23
MAIN
DC-DC CONVERTER
+5V
FCLK,FPDATA[1:0]
15V
MCU
VOLTAGE
R[9:0]
VSUS
64
B[9:0],HD,VD
SC20
DG5
G[9:0]
S.R
S.R
Discharge
Control(SC)
CONVERTER
RECTIFIER
H2
OSD
POWER LED
PA 5
DG2
REG
RESET
D31
L
FORMAT CONVERTER,
KEY SW
SPEAKER
R
GENERATOR
SCAN OUT
SPEAKER
S.R.
PULSE
L
AMP
SWITCH
H12
L/R
R
64
POWER
SPEAKER
SS34
PROCESS
VOLTAGE
INPUT
P
V,R,G,B
AUDIO
VIDEO
STBY5V_M
AV1
OUT
DC POWER
S.R
COMP
DATA DRIVER(LEFT)
MAIN
16/32Mbit
Flash-ROM
S1
SCAN OUT
64
(4MByte)
SCART
PROM
VIDEO
128Mbit
DDR
STB3.3V
EEPROM
Y, P B , P R
RESET
VOLTAGE
VDA
[ANALOG]
H
PA 4
S.R.
SELECT
KEY SCAN
K
L/R
AV2
AV SWITCH,MSP
C21
REMOTE/LED
INPUT
P25
POWER SOS
AUDIO
32k
MSP
THERMAL
SENSOR
AUDIO
P_ON/OFF
64
TUNER
DC/DC CONVERTER
SUSTAIN
SCART
S.R.
H6
S.R.
PC IN
SS12
DCLK
P11
RECTIFIER
R,G,B
ASDIO
DATA0
DCK
RECTIFIER
GK2 GK1
PX70B/E ONLY
PX70B/E ONLY
TH-42PV70F/P, TH-42PX70B/E
Main Block Diagram
TH-42PV70F/P, TH-42PX70B/E
Main Block Diagram
TH-37PV70F / TH-37PV70P / TH-37PX70B / TH-37PX70E / TH-42PV70F / TH-42PV70P / TH-42PX70B / TH-42PX70E
64

Table of Contents

Related product manuals