EasyManua.ls Logo

Panasonic TH-37PV70F - H-Board (2 of 2) Block Diagram

Panasonic TH-37PV70F
182 pages
Print Icon
To Next Page IconTo Next Page
To Next Page IconTo Next Page
To Previous Page IconTo Previous Page
To Previous Page IconTo Previous Page
Loading...
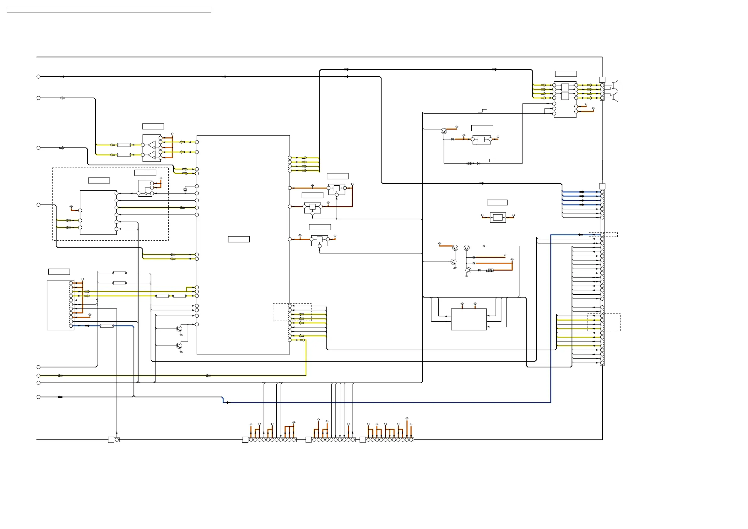
15.14. H-Board (2 of 2) Block Diagram
AFC1
FAN_CONT
TUNER_SUB_ON
SOUND_SOS
DTV_SDIN
SOUND_SOS
AFC1
ALL_OFF
SCL0B
SP_MUTE
AUDIOOUT_R
DTV_BCLK
RGB_CVBS
SDA0B_5V
TV_SUB_ON_DELAY
TV_L
A_MUTE
AUDIO_XRST
DTV_LRCK
AUDIO_MUTE
24V_DET
MAIN_PB_OUT
SCL0B
PANEL_STBY_ON
AUDIO_MUTE
MAIN_PR_OUT
AUDIOOUT_L
TUNER_SUB_ON
DAC_PD
DTV2_SDIN
TV_SUB_ON_DELAY
SQ_L+
MAIN_RF_CVBS
SQ_R+
TUNER_SUB_ON
TUNER_MAIN_ON
TV_R
SDA0B
AUDIO_XRST
TUNER_MAIN_ON
SCL0B
HDMI_BCLK
SQ_L-
HDMI_LRCK
SDA0B_5V
24V_DET
SOUND_SOS
DTV_SL
PC_V
MAIN_Y_OUT
HDMI_SDIN
FAN_SOS
AUDIO_MUTE
SCL0B_5V
SPDIF_IN
SOS
PC_H
VIDEO_STATUS
HDMI_SDIN
SDA0B
AV_L
DVB_CVBS
FB
ALL_OFF
DTV2_SDIN
ECO_ON
DTV_LRCK
SQ_L+
SPDIF_IN
HDMI_INT2
SDA0B
DTV_SDIN
SQ_R+
AV_R
DTV_SR
DTV_BCLK
FAN_SOS
SQ_R-
FAN_CONT
QLINK_AV2
SCL0B_5V
SQ_L-
TV_SUB_ON_DELAY
SOS
HDMI_INT2
QLINK_AV3
SP_MUTE
AMUTE
HDMI_BCLK
SQ_R-
MON_MUTE
SOS
ECO_ON
HDMI_LRCK
AUDIO_MUTE
D2301
SUB5V
BT30V
SOUND12V
DTV9V
Q2635
SUB5V
DTV9V
IC2610
SUB3.3V
AUD3.3V
D2636
BT30V
SOUND15V
MAIN9V SUB5V
D2637
D2635
SUB5V
SUB3.3V
X2010
SOUND15V
D2633
DTV9V
SOUND12V
D2303
DTV9V
SOUND15V
DVDD1.8V
Q2102
LCD3.3V
SUB3.3V
DTV9V
Q2638
STB+5V
SUB5V
Q2637
SUB5V
SUB9V_H264
Q2636
D2632
D2304
STB+5V
LCD3.3V
MAIN9V
STB+5V
MAIN9V
Q2301
Q2639
Q2101
STB+5V
AUD3.3V
BT30V
AMP
H6
TU3200
Q2641
AUDIO MUTE
36
BT+30V
5
2
31
DC-DC
3
5
7
3
9
+15V_S
+15V
15
SCL
10
1
18 22
SDA
+12V
AVR
21
12
PX70B/E ONLY
MAIN_Y/CVBS/G
4
23
AUDIO AMP
32
5
28
33
PC_V
1
5
5
2
SUB3.3V
34
1
5
ECO_ON
7
35
RGB_FB
AVR
VIDEO_OUT
AVR
SOS
Q3200
38
10
IC2106
75
RESET
14
11
39
BT30V SHORT DET
39
16
41
Q2021
AMP
3
44
SUB9V_H264
46
5V<->3.3V
48
2
49
17
SUB5V
FAN_CONT
AUDIO DAC
AUXOUTL1
SPDIF_OUT
MAIN_PB/C/B
Q2015
2
23
38
IC2107
RSTN
72
BICK
MAIN_PR/R
1
20
FAN_SOS
SMUTE
1
21
DVB_CVBS
XOUT
18
AUDIO_XRST
H12
AUD3.3V
34
21
SOUND_SOS
SIF3.3V
74
AINL1
TUNER_MAIN_ON
76
78
BCLK1
TUNER_SUB_ON
MAIN9V
26
77
35
AINR1
TUNER_MAIN_ON
9
FAN_CONT
36
79
79
1
FAN_SOS
IC2301
MUTE
DG6
IC2002
AVR+3.3V
SIF_IN1
7
AGC1
8
15
XIN
H2
IC2010
AUXOUTR2
8
AOUTR
FHD9V
6
SCL
OPERATE
4
AUD3.3V
SDA
28
12
18
17
7
9
IC2008
16
5
16
LRCLK2
8
SOUND12V
10
14
17
18
1
IC2303
30
RESET
BCLK2
3
19
5
AVR
BUFFER
FHD9V
SDIN2
IC2006
AUXOUTL2
24
SDIN1
SUB_3.3V OVER VOLTAGE
AFC1
BTL
4
BB
PC_H
AFT_OUT
+B
RGB_CVBS
PX70B/E ONLY
23
SOUND PROCESSOR
>> RESETB
SUB9V_H264
QLINK_AV2
Q2631,Q2033-Q2035
7
DVDD1.8V
QLINK_AV3
8
MUTE SW
7
50
MUTE
H4
MUTE(ES2-)
TUNER_SUB_ON
SUB5V
DTV+9V
14
DVDD1.8VV
6
SUB5V
Q2039-Q2040
MCLK
18
MONITOR
+15V_S
33
5
MUTE
SP_MUTE
51
SPDIF_IN
SCL0B_3.3V
VIH > 2.2V
SPDIF_IN
HDMI INT
HDMI_INT2
16
SDA0B_3.3V
52
AUDIO MUTE
AMP
17
PANEL_STBY_ON
SPEAKER
37
5
ALL_OFF
DTV9V
55
LRCLK1
11
SDIN1
STB+5V
OPERATE
DTV9V
2
2
56
22
RESET
6
58
PWM2B
LRCLK0
7
18
60
DTV2_SDIN
26
+15V_S
R
21
62
DTV_LRCK
BCLK0
45
39
L
DTV_BCLK
PX70B/E ONLY
SDO0
27
PWM2A
3
DTV_SDIN
64
44
SUB5V
HDMI_SDIN
AUDIO_MUTE
SUB5V
66
PWM1B
HDMI_LRCK
68
HDMI_BCLK
FHD9V
8
Q2017
6
70
FHD9V
ECO_ON
TV_SUB_ON_DELAY
112
Q2016
SDTI
72
1
AC_GOOD
SUB_3.3V SHORT DET
SOS
LRCK
13
PX70B/E ONLY
AC_GOOD
STB5V
8
To SOS
STB5V
13
DTV9V
1 23
43
H15
1
SOS
PWM1A
AUXOUTR1
73
67
VIDEO_STATUS
DG2
42
1
AINR2
3
74
4
Q2640
RF_AGC
77
3
MAIN9V
VB
SOS
5V<->3.3V
AOUTL
16
H3
VCC
AINL2
SUB5V
3
HIGH:MUTE
2
ALL_OFF
5
76
1
VIL < 0.8V
AUDIO_OUT
1
DTV9V
SUB3.3V
IC2011
TUNER(ANALOG)
SIF_OUT
R+
L
R
L+
L-
SPEAKER
R-
SPEAKER
PA 4PA 3
TH-37/42PV70F/P, TH-37/42PX70B/E
H-Board (2 of 2) Block Diagram
TH-37/42PV70F/P, TH-37/42PX70B/E
H-Board (2 of 2) Block Diagram
TH-37PV70F / TH-37PV70P / TH-37PX70B / TH-37PX70E / TH-42PV70F / TH-42PV70P / TH-42PX70B / TH-42PX70E
76

Table of Contents

Related product manuals