EasyManua.ls Logo

Panasonic TH-37PV70F - P-Board (2 of 6) Schematic Diagram

Panasonic TH-37PV70F
182 pages
Print Icon
To Next Page IconTo Next Page
To Next Page IconTo Next Page
To Previous Page IconTo Previous Page
To Previous Page IconTo Previous Page
Loading...
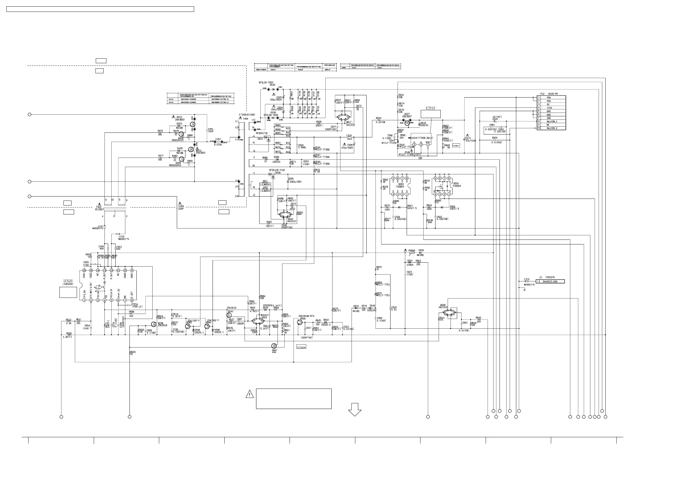
15.6. P-Board (2 of 6) Schematic Diagram
16 181513 1411 171210
TH-37/42PV70F/P, TH-37/42PX70B/E
P-Board (2 of 6) Schematic Diagram
TH-37/42PV70F/P, TH-37/42PX70B/E
P-Board (2 of 6) Schematic Diagram
P-BOARD
(4/6)
TO
AA AB AC AD AF AH AJ
AGAE AI AK
AR
AL AM AN AO AP AQ AS
1
2
3
POWER
CONTROL
(Vlow)
ERROR DET
(Vda)
COLD
HOT
COLD
HOT
COLD
HOT
TO
SS-BOARD
(SS12)
P-BOARD (2/6)
TNPA4221AE (42 inch)
TNPA4268AE (37 inch)
TH-37PV70F / TH-37PV70P / TH-37PX70B / TH-37PX70E / TH-42PV70F / TH-42PV70P / TH-42PX70B / TH-42PX70E
68

Table of Contents

Related product manuals