EasyManua.ls Logo

Panasonic TH-37PV70F - H-Board (1 of 5) Schematic Diagram

Panasonic TH-37PV70F
182 pages
Print Icon
To Next Page IconTo Next Page
To Next Page IconTo Next Page
To Previous Page IconTo Previous Page
To Previous Page IconTo Previous Page
Loading...
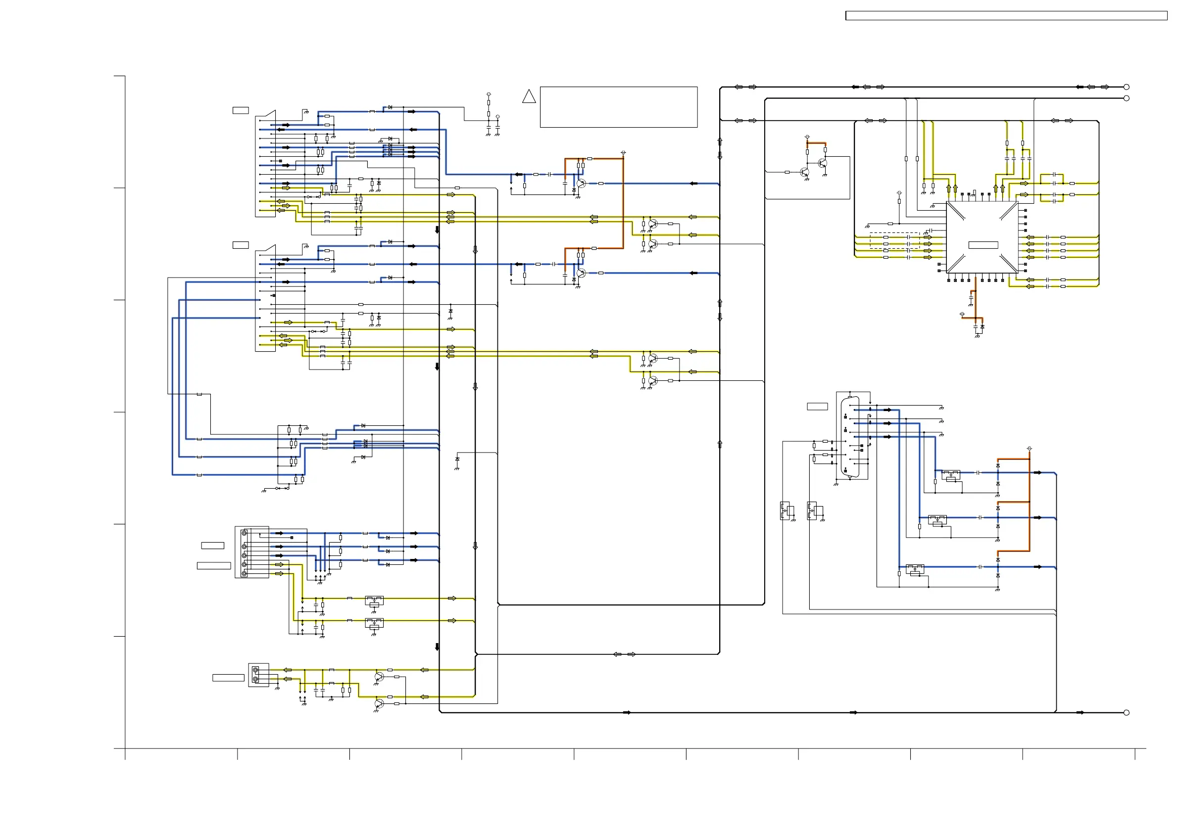
15.15. H-Board (1 of 5) Schematic Diagram
+
+
+
L
PR
PB
R
Y
+
+
9V
AV_L
YPBPR_PR
SDA0B_5V
AV2_ROUT
AV1_BLUE
SCL0B_5V
QLINK_AV2
AUDIOOUT_L
AV2_LOUT
AV1_GREEN
AUDIOOUT_R
YPBPR_PB
AV2_V
AV1_V
AV1_RED
AV1_ROUT
AV1_ROUT
AV2_R
AV1_LOUTAV1_LOUT
AV1_ROUT
AV2_SLOW
AV1_R
AV1_LOUT
AV2_VOUT
YPBPR_Y
AV2_LOUT AV2_LOUT
AV1_L
AV1_FB
AV2_L
AV1_SLOW
AV1_L
AV1_R
AV2_R
AV2_L
AV_R
AV2_ROUT
AV2_ROUT
AV1_VOUT
AV1_VO
AV2_VO
PC_RIN
PC_LIN
TV_L
TV_R
MONITOROUT_MUTE
DTV_SL
DTV_SR
PC_B
DAC_PD
PC_H_IN
PC_V_IN
MONITOROUT_MUTE
PC_G
PC_R
AV2_C
MONITOROUT_MUTE
PC_LIN
PC_RIN
TUNER_MAIN_ON
HV/FB_CONT
AV3_FB
AV3_RED/C
AV3_GREEN
AV3_BLUE
QLINK_AV3
QLINK_AV3
R2138
220
L3001
J0JCC0000100
R2042
2.2k
1%
R3005
150
C2014
50V
560p
R2154
22
*D3102
MA2J11100L
D3003
MAZ81400ML
D2119
B0BC01100001
JS3016
0
ERJ6GEY0R00V
*D3336
MA2J11100L
1%
*R3313
75
1%
R3013
75
C2136
16V
1u
R2037
2.2k
L2009
J0JCC0000100
C2139
10u
10V
*FL3001
J0HABB000003
1
2
3
4
R3152
100k
R2102
330
D3004
MAZ81400ML
R2167
220
R3153
360
1%
R3003
150
C2022
560p
50V
1%
*R3318
75
C2122
10u
10V
C2141
10u
10V
*R3308
0
1%
R3028
150
*C2127
16V
1u
JS3015
0
ERJ6GEY0R00V
1%
*R3310
75
L2016
J0JCC0000100
C2160
16V
1u
AN15862A-VT
IC3101
1
L1
2
R1
3
L2
4
R2
5
VCC
6
L3
7
R3
8
L4
9
R4
10
L5
11
R5
12
L6
13
R6
14
L7
15
R7
16
L8
17
R8
18
L9
19
R9
20
L10
21
R10
22
O1
23
LOUT5
24
ROUT5
25
LOUT4
26
ROUT4
27
LOUT3
28
ROUT3
29
GND
30
LOUT2
31
ROUT2
32
LOUT1
33
ROUT1
34
ADR
35
SCL
36
SDA
37
O2
38
BIAS
39
L11
40
R11
41
L12
42
R12
43
L13
44
R13
SUB9V_PRCT
*FL3004
J0HABB000004
1
2
3
4
*C2129
16V
1u
L2015
J0JCC0000100
D3010
MAZ81400ML
1%
R3033
150
L2008
J0JCC0000100
R3130
220
C3120
50V
0.1u
D3030
MAZ81400ML
C3119
10u
16V
R2172
220
1%
R3014
75
R2029
22k
JS2032
C2005
50V
560p
*FL3005
J0HABB000004
1
2
3
4
Q2006
2SC584500L
R2047
330
JK2002
K2HA204A0041
L
L-G
R
R-G
C2011
50V
560p
R2049
330
*D3335
MA2J11100L
Q2004
2SC584500L
JS3014
0
SUB5V
R2041
2.2k
Q2003
2SC584500L
FL2001
J0HABB000004
1
2
3
4
*D3338
MA2J11100L
D3011
MAZ81400ML
R2048
2.2k
*R2134
220
10k
R3102
R2196
100k
R2101
330
C2012
50V
560p
1%
*R3021
21.5k
1%
*R3150
63.4
R2040
100k
JS3009
0
ERJ6GEY0R00V
D3027
MAZ81400ML
C2147
16V
22u
D3005
MAZ81400ML
Q3032
2SC584500L
*FL3002
J0HABB000003
1
2
3
4
D3025
MAZ81400ML
Q3028
2SA207700L
R3146
360
R2050
2.2k
R2030
22k
R2164
220
C2010
50V
560p
D3038
MAZ81400ML
L2010
J0JCC0000100
DTV9V
C2162
16V
1u
R2052
180k
C2103
10u
10V
JS3012
0
C3001
50V
1000p
C2007
50V
560p
L2001
J0JCC0000364
*C3102
10V
1u
JS3007
0
ERJ6GEY0R00V
R2137
220
L2002
J0JCC0000364
1%
R3001
150
R2171
220
D3100
MAZ81400ML
R2039
100k
MOUT_9V
SUB9V_VIDEO
*JK3001
K1FB315A0006
1
2
3
4
5
6
7
8
9
10
11
12
13
14
15
C2013
50V
560p
L2005
J0JCC0000100
R2053
100k
C2104
10u
10V
R3144
220
C3072
470u
R2038
2.2k
1%
R3006
150
Q3027
2SA207700L
C2165
16V
1u
R2157
330
L2006
J0JCC0000100
C2021
560p
50V
R2051
180k
*C3101
10V
1u
R3151
220
C2123
10u
10V
*D3337
MA2J11100L
FL2002
J0HABB000004
1
2
3
4
L3002
J0JCC0000100
*R3309
0
R2173
220
R2152
22
R2195
100k
1%
*R3143
63.4
1%
R3004
150
JS3011
0
R2170
220
*D3006
MAZ81400ML
C2159
16V
1u
JS3013
0
R2031
22k
1%
R3023
13k
R2132
47k
D3012
MAZ81400ML
D3028
MAZ81400ML
R2054
100k
1%
R3027
150
1%
*R3020
21.5k
L2004
J0JCC0000100
*JK3005
K2HA511A0002
R
R-G
L
L-G
PR
PR-G
PB
PB-G
Y- S W
Y
Y- G
JS3010
0
ERJ6GEY0R00V
1%
R3015
75
L2007
J0JCC0000100
Q3031
2SC584500L
Q2002
2SC584500L
10k
R3177
R2235
47k
R3032
0
C2008
50V
560p
C2006
50V
560p
C3002
50V
1000p
C2135
16V
1u
SUB9V_PRCT
JS3008
0
ERJ6GEY0R00V
1%
R3002
150
C3070
470u
R2159
330
*D3013
MAZ80560ML
C3068
50V
0.1u
*D3334
MA2J11100L
C2015
50V
560p
R3145
100k
R2032
22k
C2142
10u
10V
R3154
360
R3149
360
JS2031
*FL3003
J0HABB000004
1
2
3
4
1%
R3173
150
*R2133
220
C2161
16V
100u
C2163
16V
1u
R2035
100k
1%
R3187
150
D3039
MAZ81400ML
*JK3002
K1FB121A0010
1
2
3
4
5
6
7
8
9
10
11
12
13
14
15
16
17
18
19
20
21
R2036
100k
C2164
16V
1u
L2003
J0JCC0000100
C2154
50V
0.1u
10k
R3104
Q2005
2SC584500L
R3018
68
DTV9V
C3071
50V
0.1u
R3031
0
*JK3003
K1FB121A0010
1
2
3
4
5
6
7
8
9
10
11
12
13
14
15
16
17
18
19
20
21
1%
R3178
150
Q2007
2SC584500L
*C3100
10V
1u
1%
R3163
13k
C2140
10u
10V
R3131
220
JS3020
0
JS3019
0
JS3018
0
*JS3043
0
*D3014
MAZ80560ML
D3031
MAZ81400ML
1%
R3009
150
C
1%
R3193
150
1%
R3036
150
*JS3040
0
1%
R3008
150
D3008
MAZ81400ML
1%
R3194
150
*JS3042
0
1%
R3192
150
1%
R3011
150
D3032
MAZ81400ML
*JS2033
*JS3041
0
1%
R3010
150
JS3005
0
D3009
MAZ81400ML
*R3114
68
*R3306
4.7k
*R3307
4.7k
16V
16V
GREEN IN
GND
L IN
TV R OUT
AV1
R IN
GND
AV2 SLOW
GND(BLK)
GND(PLUG)
AUDIO OUT
GND(BLUE)
GND(GREEN)
AV1 SLOW
GND(AUDIO)
B
L IN
TV L OUT
RED IN
TV R OUT
FB IN
GND(VIDEO)
GND
VIDEO OUT
GND
G
YPBPR
VIDEO IN
R IN
GND
AV2
TV VIDEO OUT
GND(AUDIO)
TV L OUT
PC IN
GND(RED)
Chroma in
VIDEO IN
BLUE IN
GND(VIDEO)
GND(BLK)
HD
R
GND(PLUG)
Q-LINK
VD
Audio SW
AUDIO IN
6
B
85
D
E
1
F
9
A
734
C
2
TNPA4177AD (PX70B/E)
TNPA4177AH (PV70F/P)
H-BOARD (1/5)
!
PX70B/E ONLY
2
4
1
RED IN
BLK IN
RED IN
GREEN IN
BLUE IN
FB IN
BLUE IN
GREEN IN
Q-LINK
TH-37/42PV70F/P, TH-37/42PX70B/E
H-Board (1 of 5) Schematic Diagram
TH-37/42PV70F/P, TH-37/42PX70B/E
H-Board (1 of 5) Schematic Diagram
TH-37PV70F / TH-37PV70P / TH-37PX70B / TH-37PX70E / TH-42PV70F / TH-42PV70P / TH-42PX70B / TH-42PX70E
77

Table of Contents

Related product manuals