EasyManua.ls Logo

Panasonic TH-37PV70F - DG-Board (1 of 3) Block Diagram

Panasonic TH-37PV70F
182 pages
Print Icon
To Next Page IconTo Next Page
To Next Page IconTo Next Page
To Previous Page IconTo Previous Page
To Previous Page IconTo Previous Page
Loading...
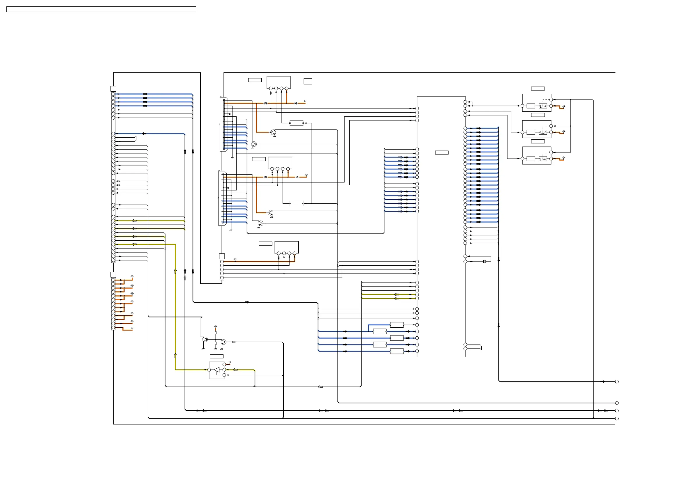
15.20. DG-Board (1 of 3) Block Diagram
AH_DAUDIO
AG_ECO_ON
HDMI_INT2
AG_TV_SUB_ON
HDMI_SDIN
AG_QLINK2
STB_RST
AG_TV_SUB_ON_DELAY
AD_SDA2
AG_AUDIO_MUTE
AG_RF_AFT1
PC_VS
AG_A_MON_MUTE/SP_MUTE
AG_TV_MAIN_ON
MAIN_PB/C
MAIN_PR
AG_ALL_OFF
AD_SCL2
HDMI_LRCK
HDMI_BCLK
PC_HS
AG_AUDIO_XRST
AG_KEY1(CON-PANE)
AG_SOS
AH_SRCK0
AG_SOUND_SOS
AG_QLINK1
PANEL_STBY/VCC_ON
AH_DMIX0
AH_LRCK0
MAIN_Y/CVBS
RXA_2N
RXA_0P
RXA_CP
RXA_2P
RXA_1P
RXA_CN
RXA_1N
RXA_0N
RXB_CN
RXB_2N
RXB_CP
RXB_2P
RXB_1N
RXB_1P
RXB_0N
RXB_0P
VI1P8
VI1P5
VI1P4
VI1P6
VI1P3
VI1P2
VI1P9
VI1P7
VI1P17
VI1HSYNC
VI1P19
VI1P15
VI1VSYNC
VI1P18
VI1ENB
VI1P14
VI1P29
VI1P16
VI1P13
VI1P28
VI1P12
VI1CLK
CLKOA
VI1P23
VI1P25
VI1P24
VI1P22
VI1P26
VI1P27
MAIN_PR
RGB_CVBS
MAIN_Y/CVBS
MAIN_PB/C
RGB_FB
RXB_CN
RXB_0P
RXB_1N
RXB_2P
RXB_CP
RXB_1P
RXB_0N
RXB_2N
RXA_CN
RXA_1P
RXA_0N
RXA_2P
RXA_CP
RXA_0P
RXA_1N
RXA_2N
PC_HS
PC_VS
AG_HDMI_5V_DET1
AG_HDMI_CEC
AG_EDID_WP
AG_HPD1
AG_HDMI_5V_DET3
AG_HPD3
XIRQ3
AG_7493_XRST
RGB_CVBS
RGB_FB
AG_VIDEO_STATUS
AD_SCL1
AD_SDA1
DVB_CVBS
AG_PANEL_STBY_ON/PANEL_VCC_ON
HDMI_SPDIF
HDMI_SPDIF
HDMI_SDIN
HDMI_LRCK
HDMI_BCLK
HDMI_INT2
AG_TV_MAIN_ON_DELAY
AG_HDMI_OPT_ENB
PANEL_STBY/VCC_ON
MAIN9V
SUB5V
SUB9V(FHD)
P12V
STB5V
DTV9V
SUB3.3V
SUB3.3V
SUB3.3V
SUB5V
X4500
Q4500
JK4500
1
2
3
4
5
6
7
8
9
10
11
12
13
14
15
16
17
18
19
D4524
Q4502
D4526
Q4501
JK4501
1
2
3
4
5
6
7
8
9
10
11
12
13
14
15
16
17
18
19
Q4503
D4527
MAIN5V
MAIN5V
D4525
MAIN3.3V
STB5V
Q2000
Q2001
R2001
SUB3.3V
TV_SUB_ON
PC_V
AFC1
DTV_LRCK
HDMI_BCLK
HDMI_LRCK
ALL_OFF
AUDIO_XRST
AUDIO_MUTE
TV_MAIN_ON
DTV_BCKL
VIDEO_STATUS
QLINK_AV3
SCL0B
SDA0B
DTV2_SDIN
HDMI_INT2
MAIN_PB/C/B
RGB_FB
KEY1
SOUND_SOS
GENX_RST
ECO_ON
PC_H
MAIN_Y/CVBS/G
DTV_SDIN
RGB_CVBS
SOS
SP_MUTE
DVB_CVBS
TO H6
MAIN_PR/R
HDMI_SDIN
QLINK_AV2
SPDIF_IN(OPT)
SUB3.3V
SUB5V
P12V
DTV9V
SUB5V
P12V
STB5V
SUB9V(FHD)/LCD3.3V
DTV9V
SUB9V(FHD)/LCD3.3V
SUB3.3V
SUB5V
MAIN9V
1
2
5
6
8
9
12
13
14
17
18
21
23
DG2
IC4509
+1.8V
5
81
DVDD+1.8V
+1.8V
5
81
IC4508
+1.8V
71
IC4506
+3.3V
+3.3V
5
112
113
115
116
118
119
121
122
128
129
131
132
134
135
137
138
38
39
40
41
42
43
44
45
55
58
30
28
17
29
33
27
18
25
16
26
24
32
31
OUT
IN
65
66
51
48
53
52
46
47
RIN0
RIN2
RIN1
RIN3
CLKOA
CLKIA
VSIA
HSIA
XTAL1
XTAL
YIN6
YIN8
YIN4
YIN0
YIN3
YIN7
YIN1
YIN9
YIN5
YIN2
UVIN1
UVIN6
UVIN3
UVIN5
UVIN0
UVIN8
UVIN7
UVIN2
UVIN9
UVIN4
74
80
94
99
FB
78
97
Q4517
BUFFER
Q4519
BUFFER
Q4514
BUFFER
Q4515
BUFFER
Q4516
BUFFER
SDA
D1G
D0+
HDMI2 +5V DET
D2+
HPDT
D2-
CEC
SCL
D1+
+5V
DDCG
CLK+
HDMI2 RESET
CLKG
N.C.
D0G
D2G
CLK-
D0-
D1-
SDA
HPDT
CEC
HDMI1 +5V DET
D0-
N.C.
D2+
CLK-
+5V
D1+
SDA
CLKG
D2-
HDMI1 RESET
D0G
CLK+
SCL
D0+
D1G
D1-
DDCG
D2G
62
63
6
SCL
57
WC
8
VCC
EEPROM
EDID1
IC4501
SDA
EEPROM
EDID2
7
SCL
6
IC4500
8
VCC
5
WC
INV.
Q4504
INV.
Q4505
105
106
DDCA_SDA0
DDCA_SCL0
DDCA_SDA1
DDCA_SCL1
1
144
108
107
7
SCL
6
IC4504
8
VCC
5
WC
EEPROM
KEY
SDA
MDA
MCL
1
3
4
5
6
SCL
SDA
WC
MAIN3.3V
XRST
DG32
19
21
AVD D
TVDD
CVDD
DVDD
11
12
3
5
7
10
12
14
16
26
28
30
32
33
34
35
36
38
39
41
44
46
48
49
54
55
58
60
62
64
66
68
70
72
74
76
77
79
DG6
41
5
VCC
IC2000
SWITCH
2
20
RX_SCK
8
3
2
7
RX_SD0#
RX_WS
HDMI_BCLK
HDMI_LRCK
HDMI_SDIN
HDMI_SPDIF
HDMI_INT2
IC4510
AD/HDMI
I2C
I2C
FOR
FACTORY
USED
DG
DIGITAL SIGNAL PROCESSOR
4
3
1
2
TO H2
TH-37/42PV70F/P, TH-37/42PX70B/E
DG-Board (1 of 3) Block Diagram
TH-37/42PV70F/P, TH-37/42PX70B/E
DG-Board (1 of 3) Block Diagram
TH-37PV70F / TH-37PV70P / TH-37PX70B / TH-37PX70E / TH-42PV70F / TH-42PV70P / TH-42PX70B / TH-42PX70E
82

Table of Contents

Related product manuals