EasyManua.ls Logo

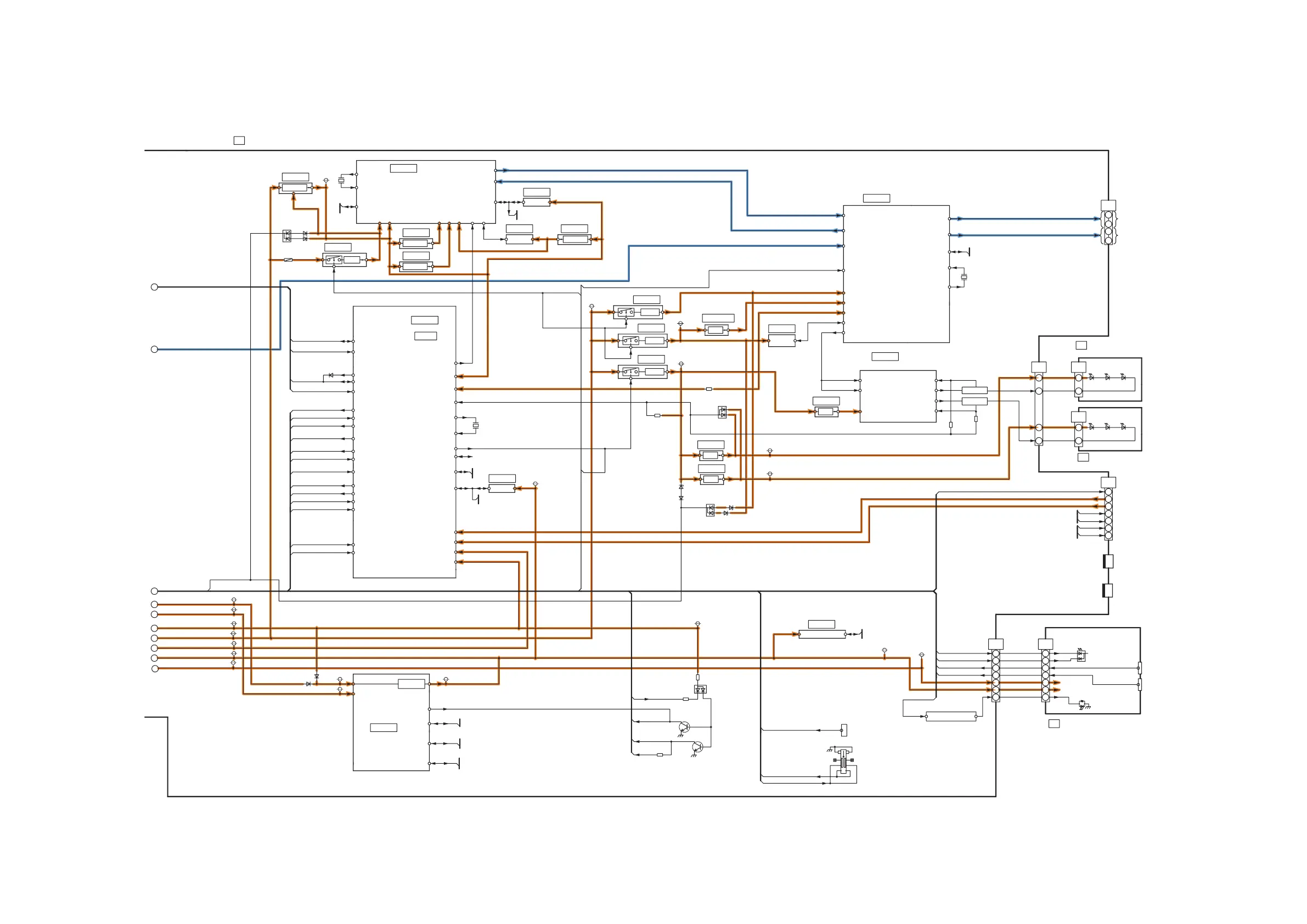
Panasonic TH-P50VT20D - 10.3. Block (2;5) Diagram

Panasonic TH-P50VT20D
153 pages
Print Icon
To Next Page IconTo Next Page
To Next Page IconTo Next Page
To Previous Page IconTo Previous Page
To Previous Page IconTo Previous Page
Loading...
37
10.3. Block (2/5) Diagram
(LED:5TIMES)
(LED:10TIMES)
(LED:11TIMES)
(LED:3TIMES)
(LED:12TIMES)
(LED:10TIMES)
(LED:10TIMES)
(LED:10TIMES)
(LED:10TIMES)
(LED:10TIMES)
G
R
PUSH
SUB5V
STB3.3V
SUB9V
D5470
STB5V
STB3.3V
Q5478
Q5475
SUB9V
D2520
SW2500
STB3.3V
SUB5V
SUB3.3V
STB3.3V
D5436
D5447
D5448
SUB_AI_3.3V
F15V
P+15V
STB5V
X4200
X1100
LED_6V
SUB_AI_3,3V
D5490
D5493
LED5V_2
LED5V_1
D5492
D5519
D5524
D5491
PA4206
D2521
D2500
D2500
D2501
D2502
D2501
D2502
IC5482
7
A31
RM2501
R_LED_ON
STB5V_SW_ON
ANALOG-ASIC
3
K1
IC1000
POWER LED
8
2
POWER_DET
NRST
36
MIHO2-3D
SUB_AI_3.3V
4
ADDR/DATA
GENX_IIC
RMIN
SERIAL
FLASH
LVDS DATA_LEFT
IC5801
LVDS_RIGHT (1ST_PIX,2ND_PIX)
PANEL_MAIN_ON
MIAN_SW_1
IIC0
IIC2
TEMP SENSOR
IIC
LED_SOS
LVDS_LEFT (1ST_PIX,2ND_PIX)
PANEL_STB_ON
D3
D5
3
SW_OFF_DET
IIC_CLK2
10
3
IIC_DATA1
AI_SENSOR PC2511
POWER SWITCH
6
LVDS DATA_RIGHT
4
1.2V
G_LED_ON
AI SENSOR
STB_RST
A3
IC5800
AI_SENSOR
REMOTE IN
P+5V
FOR
FACTORY
USE
P+3.3V
11
33
A
67
1.2V
A1
STB3.3V
POWER LED(R)
2
IIC2
8
DIGITAL SIGNAL PROCESSOR
TXD/RXD
1
IIC_CLK1
LVDS DATA
2
1
KEY SWITCH
CN0101
LVDS DATA_IN
6
KEYSCAN1
2
REMOTE
FOR
FACTORY
USE
STB_RST
4
IIC_DATA2
SW_OFF_DET
IIC0
PANEL MAIN ON
GENX
IIC1
FAN ON
IC1101
EEPROM
KEYSCAN1
MAIN+3.3V DET
SUB5V DET
SUB3.3V DET
SOS
STB_RST
KEYSCAN1
FAN SOS
FAN ON
TV SUB ON
P+5V DET
STB_RST
IIC1
SOS
SW_OFF_DET
PANEL MAIN ON
MIHO+3.3V DET
TV SUB ON
P+3.3V DET
DTV_RST
FAN SOS
GENX
IIC
DTV_RST
FRCS
2.5V
PORT-Z(INPUT)
A1.05V
IC4201
DDR2
1.05V
D1.05V
IC4200
FRC_LVDS DATA
FRC_D
1.05V
IC4211
IC4206
EEPROM
MIIC
MIIC
IC4205
IC4207
IC4204
FRC2.5V
FRC1.8V
A1.05V
1.8V
3.3V
FRC3.3V
IC4212
MIHO2_LVDS DATA
GenX8
MPU
IC1100
SOUND SOS
DRVRST
PD4_DRVRST
X7_IIC
RESET
HQ_XRST
1.2V
+1.2V
+3.3V
IC5811
IC5806
IC5805
IC5808
+6V
3.3V
CN0102
DDC_IIC0-3
HDMI_CEC
HDMI_5V_DET0-3
HDMI_CEC
DDC_IIC0-3
SOUND SOS
HDMI_CEC_PULL_ON
STB_RST
STB+3.3V
KEY SWITCH
SW2552
SW2553
SW2554
F
TV
VOL.DN/CH.DN
AV
SW2550
SW2551 VOL.UP/CH.UP
XOUT
XIN
27MHz
X0
DCDC_EN
FLASH_IF
IR_L
X5800
IIC1
STB LED(G)
IIC0
LED6V DET
STB LED(G)
REMOTE IN
POWER LED(R)
POWER LED(R)
AI_SENSOR
REMOTE IN
AI_SENSOR
STB LED(G)
MAIN_SW_2
IIC1
PANEL_IIC2
GENX_IIC
IIC0
X7_IIC
SBI0/SBO0
10MHz
OSDXO
OSDXI
SIIC
IIC1
MIHO_IN
HDMI_5V_DET0-3
2
8
XI
HQ_XRST
MIHO_0UT
DCDC_EN
IC5809
5V
IC5810
5V
IC5813
5V
IC5814
IR_DRIVE_CONTROL
A_INPIT
A_OUTPUT
B_OUTPUT
B_INPIT
A
B
A+INPIT
B+INPIT
DRIVER
DRIVER
X7_IIC
PANEL_IIC
Q5814
Q5813
LVDS DATA_OUT
LVDS DATA_OUT
(LEFT)
(RIGHT)
(1ST_PIX,2ND_PIX)
(1ST_PIX,2ND_PIX)
1Mbit
X-PORT(OUT 1st)
ON/OFF
TXD1/RXD1
P3.3V_DET
P5V_DET
SD LED DRIVE
Q2850,Q2851
REMOTE RECEIVER
AI.SENSOR
POWER LED
SD_LED_ON
SD LED
99
SD LED
SD LED ON
K
1
6
10
8
9
5
7
3
4
3D EYEWEAR
4
TRANSMITTER
TRANSMITTER
3D EYEWEAR
8
5
1
1
LED_7V
3D EYEWEAR
LED_7V
A20
IR_L
V1
1
TRANSMITTER
V1
V
3D EYEWEAR
V
TRANSMITTER
4
4
IR_L
(LED:5TIMES)
(LED:10TIMES)
(LED:11TIMES)
(LED:3TIMES)
(LED:12TIMES)
(LED:10TIMES)
(LED:10TIMES)
(LED:10TIMES)
(LED:10TIMES)
(LED:10TIMES)
MIHO2+3.3V
OVER_V
OVER_V
FRC3.3V

Table of Contents

Related product manuals