EasyManua.ls Logo

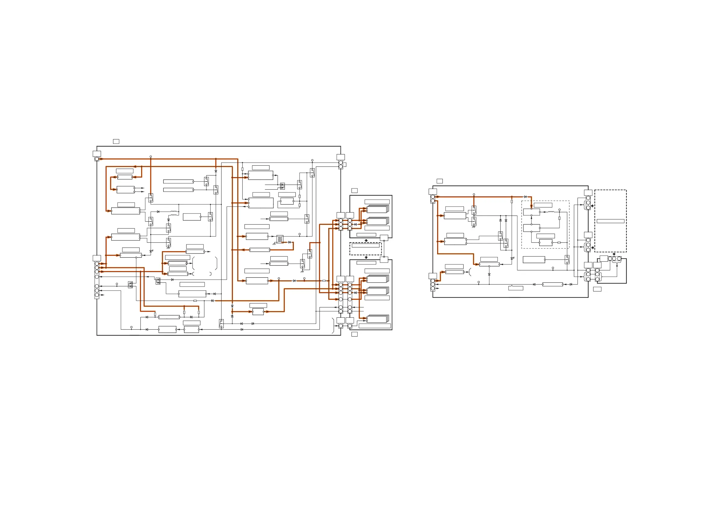
Panasonic TH-P50VT20D - 10.6. Block (5;5) Diagram

Panasonic TH-P50VT20D
153 pages
Print Icon
To Next Page IconTo Next Page
To Next Page IconTo Next Page
To Previous Page IconTo Previous Page
To Previous Page IconTo Previous Page
Loading...
40
10.6. Block (5/5) Diagram
(LED:7TIMES)
(LED:6TIMES)
(LED:8TIMES)
SEL2
D16920
TPVSUS
D16721
TPSS1
D16791
TPSC1
D16901
TPVAD
D16618
D16253
TPSOS7
TPSOS8
D16493
D16822
D16728
D16583
D16476
D16480
D16282
TPVSUS
D16255
D16821
D16820
D16475
D16280
TPSOS6
D16490
D16473
TPVSCN
L16303
TPVE
D16051
6
Q16422
+5V
P+15V
SS
11
PC16191
SUSTAIN
P+15V
USL
ERROR DET
PC16480
(16V_F)
LED(G)
CSH
UHZ
CSH/CMH GATE
DRIVE CIRCUIT
Q16607
VRH
7
DRIVER
IC16471
PC16603
2
REG.
Q16885
SC
46
VAD GEN.
2
IC16920
CHA
8
IC16501
6
SCAN
CMH
21
IC16692
PHOTO
4
2
SHUNT
PC16461
SS
24
TP59,TP60
TP61,TP62
1
5
CRC1
UML
9
P+5V
SUSTAIN DRIVE
RECOVERY
SOS7_SC2
SC JIG
VFG
PHOTO
D16041
F16V
IC16784,85
SCAN OUT (LOWER)
Q16441
P11
SEL
IC14801-03
8
UEH
Q16101
SS
58
CRC2
CIS
1
CRC2
SD
SS
21
SIU
CEL
COMPARATOR
CIRCUIT
SS
56
CMH
OC2
LOGIC IC
Q16622
Q16403
IC16581
D16462
CONNECTOR
SD
46
P2
DRIVER
P+5V
6
SCAN
Q16280
8
CSH
CML CPH1
USH
USH
CLK
Q16876
SS
C33
ERROR DET
SS
33
Q16601
5V_F
IC16490,91
SU1-SU5
MID
INVERTER
SC2
VRL
Q16660
2
OC1
CMH
Q16661
SU
41
ELECTRODE
IC16561,62
1
7
SHUNT REG
SHUNT REG
F16V GEN.
PANEL SCAN
SCAN
IC16563
6
2
SUSTAIN CONTROL
13
Q16608
BUFFER
IC16521
CSL
IPD CIRCUIT
Q16002
PHOTO
UMH
IC16773
SC
41
IC16786,87
8
COUPLER
Vfo
FPC DET
SU
IC14601-03
35
SC
50
COUPLER
CEL
Q16490
5
1
4
1
1
1
VE Gen.
SS
53
VSCN GEN.
SC
20
IC14804-06
Q16051
9
CPH1
13
ERROR DET
SEL
P+5V
SCAN OUT (UPPER)
CERS
UHZ
CRC1
(LOWER)
UMH
SOS8_SS
Q16452
D20
1
USL
2
SEPA PROTECT
1
UML
Q16041
SUSTAIN CONTROL
ERROR DET
SOS6_SC1
Q16402
IC16771
OC1
Q16621
CSL
PLASMA PANEL
20
DRIVER
LED(G)
SIU
PHOTO COUPLER
VSUS Gen.
IPD CIRCUIT
SCNR_PRO
IC16151
7
SD
11
SD1-SD5
NAND
18
Vfo
CIS
15V_F
Q16001
SC
42
Q16471
Q16022
CHA
P+15V
PHOTO COUPLER
IC16661
VSCN-F
PC16685
DRIVER
SU
11
1
IC16241
Q16421
SCAN CONTROL
CLK
Q16102
IC14604-06
D16871
CERS
COUPLER
IC16131
PC16684
P+15V
F16V
BUFFER
T16471
CSL/CML GATE
DRIVE CIRCUIT
SCNR_PRO
SS2
VOL
7
IPD CIRCUIT
CEL
COMPARATOR
CSH
UML
IC16251
13
SHUNT
REG
Vscn
4
CML
VFG
D16872
OC2
IC16724
Q16021
2
6
Vsus
SCAN DRIVE
SCAN
CONTROL
PLASMA PANEL
SCAN
IC16691
DRIVER
PANEL SUSTAIN
UEH
SC
SD
42
D16482
1
Vad+5V
(SC1)
Vsus
Q16647
ELECTRODE
D16859
Q16818
INVERTER
ENERGY
DRIVER
2
IC16564
AND
SEL2
SHUNT
VE GEN.
D16316
PHOTO
COUPLER
REG.
PC16301
IC16304
IC16312
IC14901,02,04
(LED:7TIMES)
(LED:6TIMES)
(LED:8TIMES)

Table of Contents

Related product manuals