EasyManua.ls Logo

Panasonic TH-P50VT20D - SC-Board (4;4) Schematic Diagram

Panasonic TH-P50VT20D
153 pages
Print Icon
To Next Page IconTo Next Page
To Next Page IconTo Next Page
To Previous Page IconTo Previous Page
To Previous Page IconTo Previous Page
Loading...
94
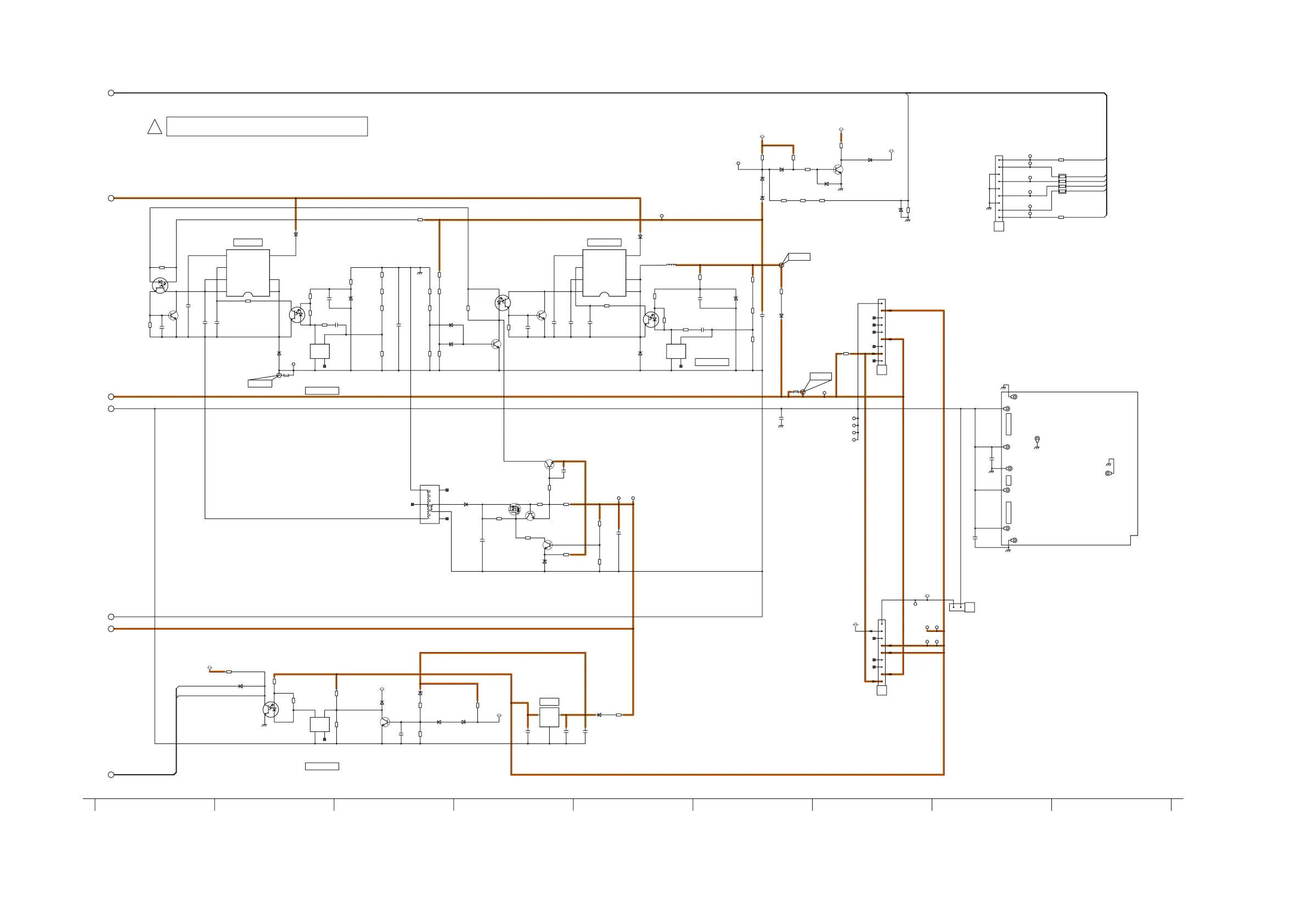
12.48. SC-Board (4/4) Schematic Diagram
+
+
+
+
+
AA_SEL
AA_SC_FPGANRST
MAIN_STOP0
AA_SOS6
AA_OC2
AA_CLK
AA_OC1
AA_SEL2
AA_SIU
VAD
C16472
25V
1u
C16856
1u
10V
C16861
0.1u
16V
C16843
50V
0.1u
C16724
25V
4.7u
C16844
50V
0.1u
C16857
0.1u
16V
*C16460
630V
820p
C16860
1u
10V
C16863
50V
0.1u
C16862
1u
10V
C16864
0.1u
50V
C16858
1u
10V
C16723
25V
1u
C16794
10u
10V
C16859
0.1u
50V
C16854
50V
0.1u
C16795
25V
470u
C16793
25V
220u
C16813
220V
220u
C16721
50V
82u
C16842
160V
100u
D16719
B0ECKP000055
D16474
B0ACCJ000048
D16711
B0ECHR000001
D16875
B0ACCJ000048
D16720
B0ECKP000055
D16859
B0HCKS000002
D16728
B0ECKP000055
D16476
B0ACCJ000048
D16820
B0ACCJ000048
D16473
B0ACCJ000048
D16713
B0ECHR000001
D16721
B0ECHR000001
D16893
DZ2J056H0L
D16710
DZ2J15000L
D16871
DZ2J240M0L
D16712
DZ2J15000L
D16874
DZ2J051M0L
D16475
DZ2J051M0L
D16825
DZ2J330M0L
D16872
DZ2J200M0L
D16824
DZ2J330M0L
D16791
DZ2J200M0L
D16821
DZ2J330M0L
C0DBZYY00352
IC16787
4
REFERENCE
3
CATHODE
1
NC
2
ANODE
C0DBZYY00352
IC16785
4
REFERENCE
3
CATHODE
1
NC
2
ANODE
C0DBEYY00114
IC16471
4
REFERENCE
3
CATHODE
1
NC
2
ANODE
IC16786
MIP3910MSSCF
1
VDD
2
NC
3
FB
4
LS
5
DRAIN
7
SOURCE
8
SOURCE
IC16784
MIP3910MSSCF
1
VDD
2
NC
3
FB
4
LS
5
DRAIN
7
SOURCE
8
SOURCE
IC16724
C0CBADE00049
OUT3
2
COMMON
IN
1
SC50
1
2
SC41
1
2
3
4
5
6
7
8
9
SC46
1
2
3
4
5
6
7
8
9
SC42
1
2
3
4
5
6
7
8
9
L16851
L16472
G0ZZ00002183
L16698
G0C681MA0065
T16471
G4DYA0000200
1
NC
3
S2
4
S1
5
NC
6
P2
10
P1
8
PT
SCNR_PRO
5V
SCNR_PRO
CHA
5V
SOS7_SC2
CHA
15V
PC16723
B3PBA0000498
12
34
PC16722
B3PBA0000498
12
34
PC16897
B3PBA0000498
12
34
PC16480
B3PBA0000498
12
34
PC16896
B3PBA0000498
12
34
TP62
TP100
TP80
TP59
TP51
TP81
TP61
TP44
TP45
TP95
TP78
TP41
TP79
TP42
TP57
TP96
TP60
TP43
TP58
TP94
TP125
Q16885
B1CFNG000001
Q16816
DSC2001Q0L
Q16471
B1ABCF000231
Q16876
B1ABCF000231
Q16815
B1ABCN000007
Q16817
DSC2001Q0L
Q16932
DSC2001Q0L
Q16931
B1ABCN000007
Q16930
DSC2001Q0L
R16721
EXB38V220JV
R16755
12k
R16471
3.9k
R16933
10k
R16752
4.7k
R16785
107k
R16825
150k
R16844
2.4k
R16472
2.2k
R16873
2.4k
R16756
12k
R16937
180k
R16843
1k
R16822
82k
R16750
12k
R16478
5.6k
R16787
33k
*R16720
22
R16845
66.5k
R16786
107k
R16719
22
R16829
1k
R16832
71.5k
R16838
100k
R16791
1k
R16479
10k
R16826
10k
R16789
10k
R16772
4.7k
R16837
1k
R16473
560
R16849
64.9k
R16831
68.1k
R16931
2.7
R16934
6.8k
R16773
1k
R16932
22k
R16935
5.1k
R16783
150k
R16696
2.2
R16936
2.2k
R16846
64.9k
R16474
1k
R16860
8.2
R16751
150k
R16824
33k
R16852
470k
R16841
4.7k
R16774
27k
1
R16929
R16475
4.7k
R16823
82k
R16870
68k
R16827
2.2k
R16938
180k
R16851
470k
R16930
2.7
R16753
47k
ZA16422
TUXJ490
*C16902
4700p
630V
ZA16412
TUXJ490
ZA16402
K4CD01000011
ZA16404
K4CD01000011
ZA16421
TUXJ490
ZA16401
K4CD01000011
*C16903
1500p
630V
ZA16411
TUXJ490
ZA16407
K4CD01000011
ZA16403
K4CD01000011
=
*
*
TPVSCN
TPSC1
VSCN_F
VFG
VAD
16V_F
15V_F
VSCN
5V_F
5V_F
TPVAD
Vfo
5V_F
343332 36353029
28
31
SC46 SC41SC42
!
VSCN_F
16V_F
VFG
Vsus
VAD
24
22
23
21
27
26
25
VAD GEN.
SHUNT REG
SHUNT REG
5V_F
SHUNT REG
FOR
FACTORY
USE
TO
SD-BOARD
(SD42)
TO
SD-BOARD
(SD46)
TO
SU-BOARD
(SU41)
VSCN GEN.
SC-BOARD TXNSC11VEK (4/4)

Table of Contents

Related product manuals