EasyManua.ls Logo

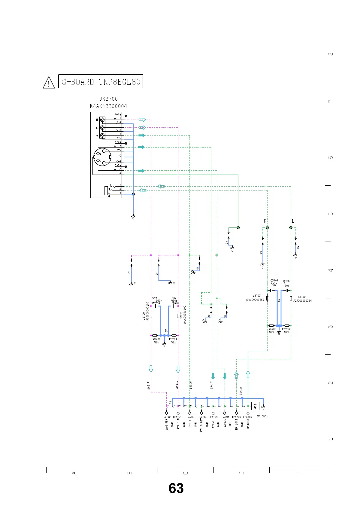
Panasonic TX-32LMD70FA - G-Board Schematic Diagram

Panasonic TX-32LMD70FA
69 pages
Print Icon
To Next Page IconTo Next Page
To Next Page IconTo Next Page
To Previous Page IconTo Previous Page
To Previous Page IconTo Previous Page
Loading...
L
L
V
Y
C
G
R
R
0V
0V
0V
0V
0V
0V
0V
0V
0V
AV4_R
0V
AV4_L
AV4_V
AV4_Y
AV4_C
0V
C
C
C3705
50V
0.1u
TP3706
JK3700
K4AK18B00004
R
R-G
L
L-G
V
V-G
Y-SW
Y
Y-G
G
C-G
C-SW
C
G
b
a
c
R-SW
G51
1
2
3
4
5
6
7
8
9
10
11
12
13
14
15
C
C
TP3707
J0JCC0000100
L3701
C
TP3702
C3707
50V
0.1u
C
R3700
39k
R3703
180k
L3702
J0JCC0000364
R3701
39k
R3702
180k
C3702
50V
560p
C
TP3700
C
C3700
50V
560p
TP3701
C
C
TP3705
C
TP3704
C
L3703
J0JCC0000364
J0JCC0000100
L3700
TP3703
HP_LOUT
AV4_RIN
AV4_Y
AV4_LIN
GND
GND
AV4_C
L
AV4_S_DET
HP_ROUT
AV4_V
R
GND
GND
GND
GND
GND
TO DG51
G-BOARD TNP8EGL80
I
<
63
All manuals and user guides at all-guides.com

Related product manuals