EasyManua.ls Logo

Parker Hyperchill ICE116 - Installation Diagram

Parker Hyperchill ICE116
Print Icon
To Next Page IconTo Next Page
To Next Page IconTo Next Page
To Previous Page IconTo Previous Page
To Previous Page IconTo Previous Page
Loading...
15
,
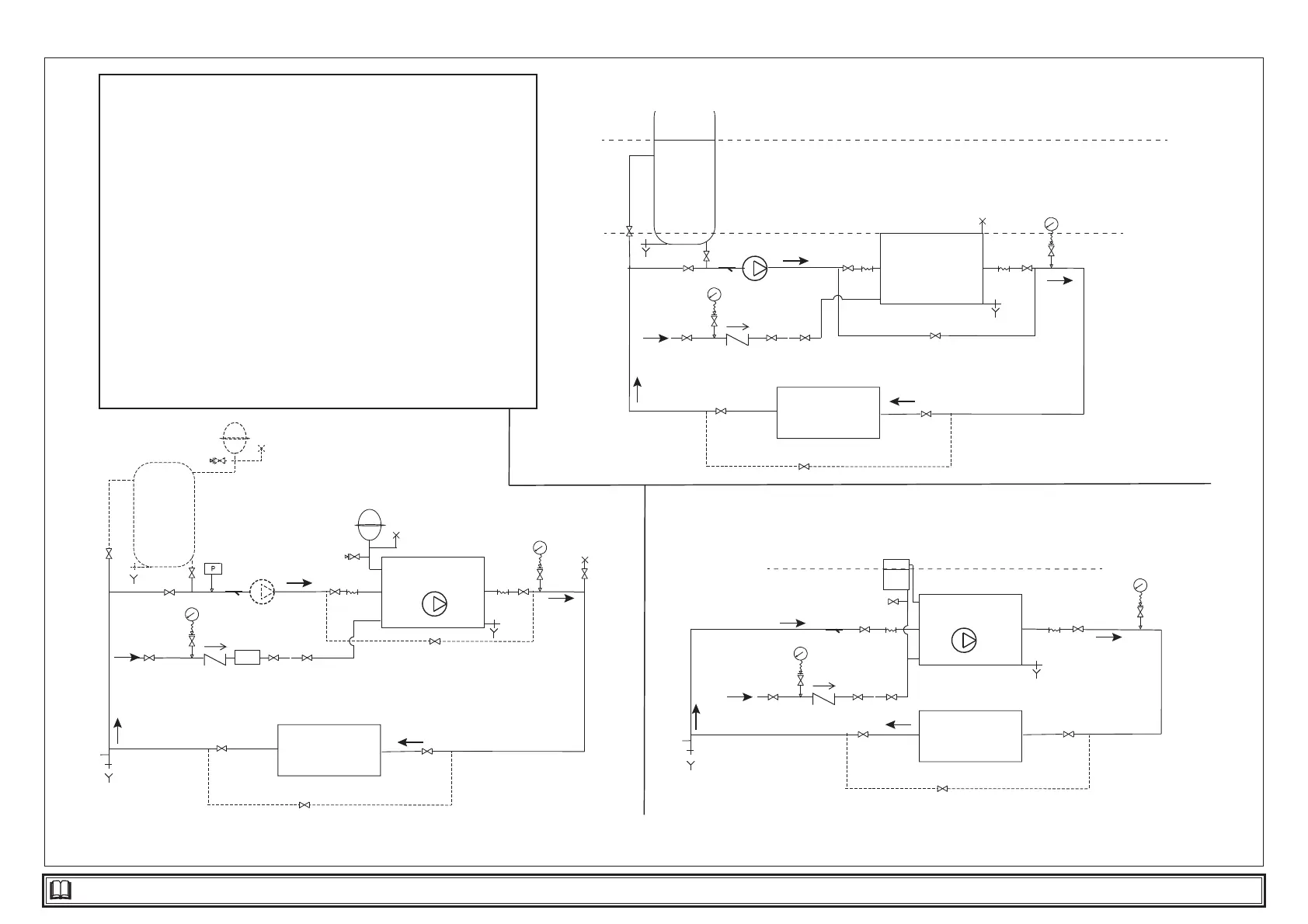
7.4 Installation diagram
ICE076-116
Pos. DESCRIPTION DENOMINAZIONE
1 Ball valves Valvole di intercettazione
2 External pump * Pompa esterna
2.1 Pump (chiller) Pompa (chiller)
3 Gauges Manometri
4 Water lter Filtro a rete
5 Air bleed valve ** Sato
5.1 Air bleed valve (chiller) Sato (chiller)
6 Water drain valve Valvola di scarico acqua
7 Charge group Gruppo di carica
7.1 Gauge manometro
7.2 Non return valve valvola di non ritorno
7.3 Water ll hose tubo di alimentazione scollegabile
7.4 Pressure reducer riduttore di pressione
8 Tank Serbatoio
9 Expansion Tank Vaso espansione
10 Safety valve Valvola disicurezza
11 Flexible union Giunto essibile
12 Pressure switch Pressostato
* The pump must be installed near the tank
** It must be installed at the highest point of the circuit
TANK
USER
USER
CHILLER
1
1
7.1
7.2
7.3
8
4
4
6
6
2
3
3
1
1
1
1
1
1
11
1
1
water chiller level
water tank level
OPEN circuit
Close circuit pressured
TANK
USER
1
1
7.1
7.2
7.4
7.3
8
12
4
5
6
2
3
1
1
1
1
1
1
11
CHILLER
CHILLER
no pump
6
5.1
Close circuit not pressured
1
6
8
water chiller level
1
TANK
9
10
5.1
6
11 11
11
11
11
11
7.1
7.2
7.3
1
9
10
5
6
1
2.1
2.1
1
1
1
5.1

Table of Contents

Related product manuals