EasyManua.ls Logo

Parker Hyperchill ICE116 - Page 159

Parker Hyperchill ICE116
Print Icon
To Next Page IconTo Next Page
To Next Page IconTo Next Page
To Previous Page IconTo Previous Page
To Previous Page IconTo Previous Page
Loading...
27
,
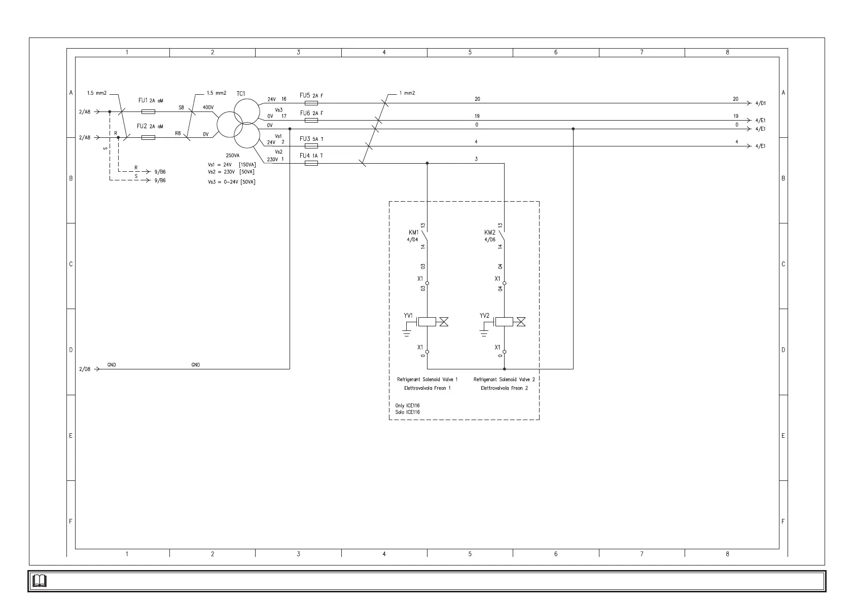
7.9 Wiring diagram ICE076-116 (A/C/W)
ICE076-116
(Sheet 3 of 13)

Table of Contents

Related product manuals