EasyManua.ls Logo

Payne PH1S - Page 3

Payne PH1S
28 pages
Print Icon
To Next Page IconTo Next Page
To Next Page IconTo Next Page
To Previous Page IconTo Previous Page
To Previous Page IconTo Previous Page
Loading...
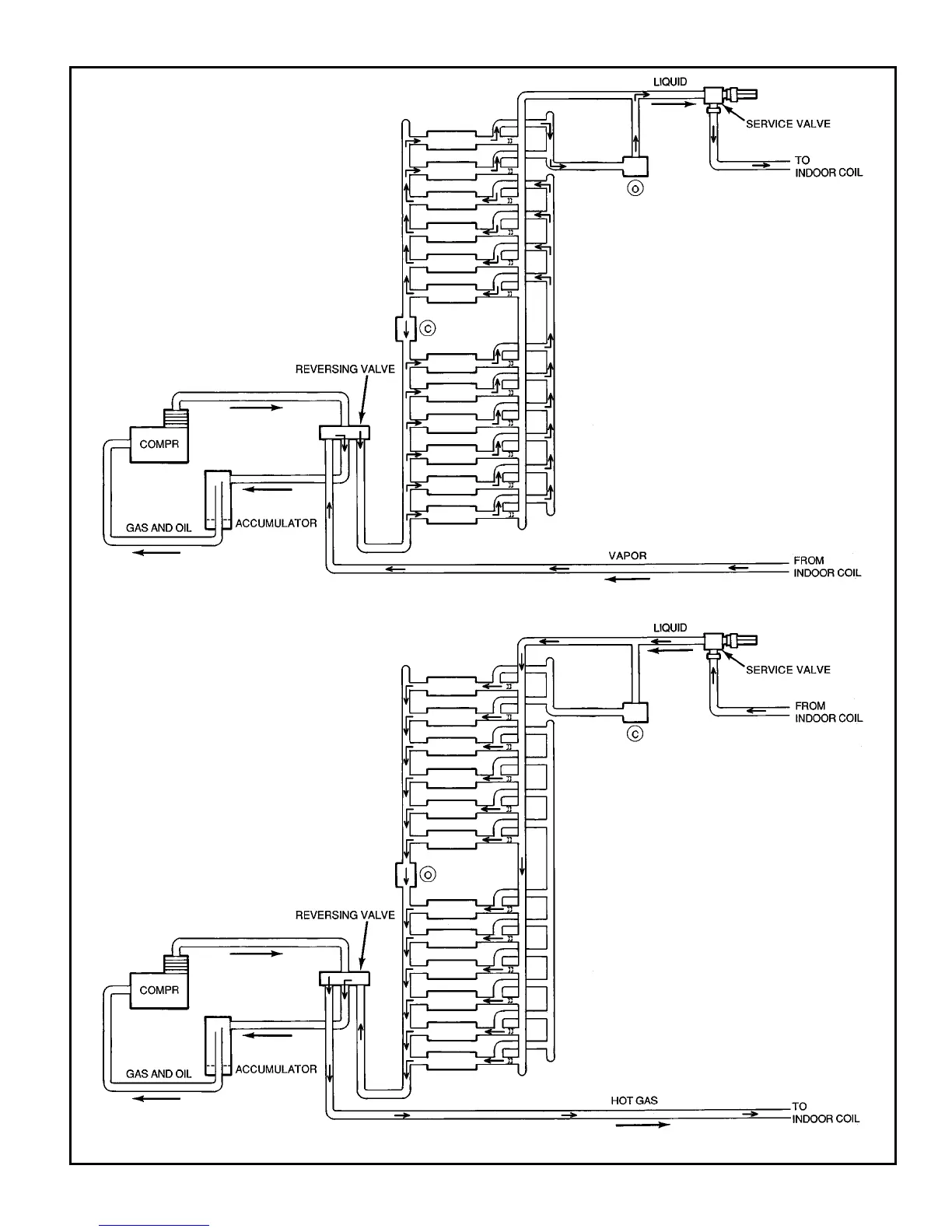
COOLING AND HEATING CYCLES TYPICAL FOR PH1S090 UNIT
COOLING
HEATING
LEGEND
C—Check Valve Closed
O—Check Valve Open
LEGEND
C—Check Valve Closed
O—Check Valve Open
3

Related product manuals