EasyManua.ls Logo

Payne PH3Z024 - Cooling Cycle; Heating Cycle

Payne PH3Z024
22 pages
Print Icon
To Next Page IconTo Next Page
To Next Page IconTo Next Page
To Previous Page IconTo Previous Page
To Previous Page IconTo Previous Page
Loading...
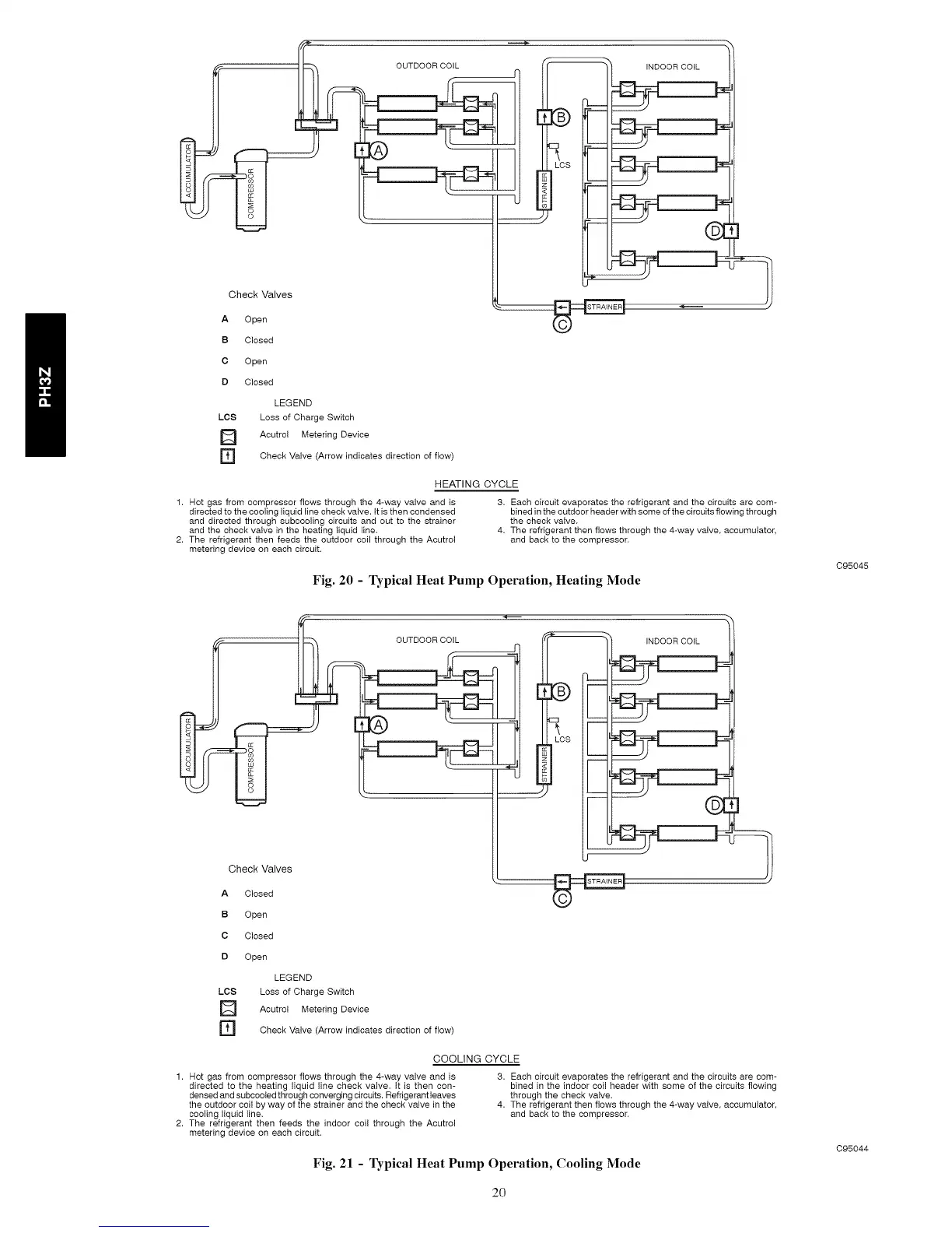
Check Valves
A Open
B Closed
OUTDOOR COIL
L
f
LCS
C Open
D Closed
LEGEND
LCS Loss of Charge Switch
D Acutrol Metering Device
] Check Valve indicates direction of
(Arrow flow)
HEATING CYCLE
1. Hot gas from compressor flows through the 4-way valve and is
directed to the cooling liquid line check valve, tt is then condensed
and directed through subcooling circuits and out to the strainer
and the check valve in the heating liquid line,
2. The refrigerant then feeds the outdoor coi! through the Acutrol
metering device on each circuit.
3. Each circuit evaporates the refrigerant and the circuits are com-
bined in the outdoor header with some of the circuits flowing through
the check valve,
4. The refrigerant then flows through the 4-way valve, accumulator,
and back to the compressor.
Fig. 20 - Typical Heat Pump Operation, Heating Mode
C95045
Check Valves
A Closed
B Open
OUTDOOR COIL
INDOOR COIL
LOS
C Closed
D Open
LEGEND
LCS Loss of Charge Switch
] Acutrol Metering Device
] Check Valve (Arrow indicates direction of flow)
COOLING CYCLE
1. Hot gas from compressor flows through the 4-way valve and is
directed to the heating liquid line check valve, tt is then con-
densed and subcooted through converging circuits. Refrigerant leaves
the outdoor coil by way of the strainer and the check valve in the
cooling liquid line,
2. The refrigerant then feeds the indoor coi! through the Acutrol
metering device on each circuit.
3. Each circuit evaporates the refrigerant and the circuits are com-
bined in the indoor coil header with some of the circuits flowing
through the check valve,
4. The refrigerant then flows through the 4-way valve, accumulator,
and back to the compressor.
Fig. 21 - Typical Heat Pump Operation, Cooling Mode
20
C95044

Related product manuals