EasyManua.ls Logo

PCS 4LHD - Page 42

PCS 4LHD
80 pages
Print Icon
To Next Page IconTo Next Page
To Next Page IconTo Next Page
To Previous Page IconTo Previous Page
To Previous Page IconTo Previous Page
Loading...
Page 36
Ph: 804.227.3023
10511 Old Ridge Rd. Ashland, VA 23005
4LHD/4LHDX Application Manual
Powertrain Control Solutions
REV 1.1
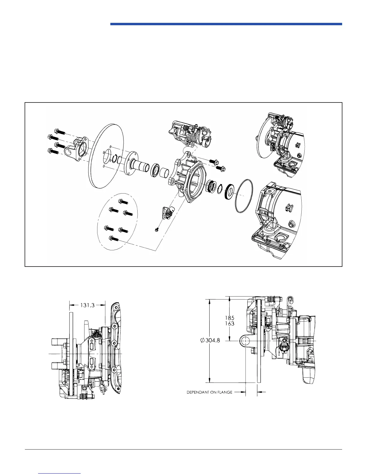
PCS Parking Brake
The PCS parking brake is a disk style brake that attaches to the 4LHD/4LHDX in rear wheel drive applications. It provides
a mechanical brake and also has an optional hydraulic brake that can be used for certain applications. It also can be
electronically controlled with the Parking Brake Module.
The caliper can be mounted in several different clocking orientations and is available with a left hand cable exit or a right
hand cable exit.
Figure 2.2.3-5: PCS Parking Brake Dimensions
Figure 2.2.3-4: PCS Parking Brake Explosion View
SIDE VIEW
BOTTOM VIEW
Figure 2.2.3-7 Example Flange

Table of Contents