EasyManua.ls Logo

PCS 4LHD - Page 43

PCS 4LHD
80 pages
Print Icon
To Next Page IconTo Next Page
To Next Page IconTo Next Page
To Previous Page IconTo Previous Page
To Previous Page IconTo Previous Page
Loading...
Page 37
Ph: 804.227.3023
10511 Old Ridge Rd. Ashland, VA 23005
4LHD/4LHDX Application Manual
Powertrain Control Solutions
REV 1.1
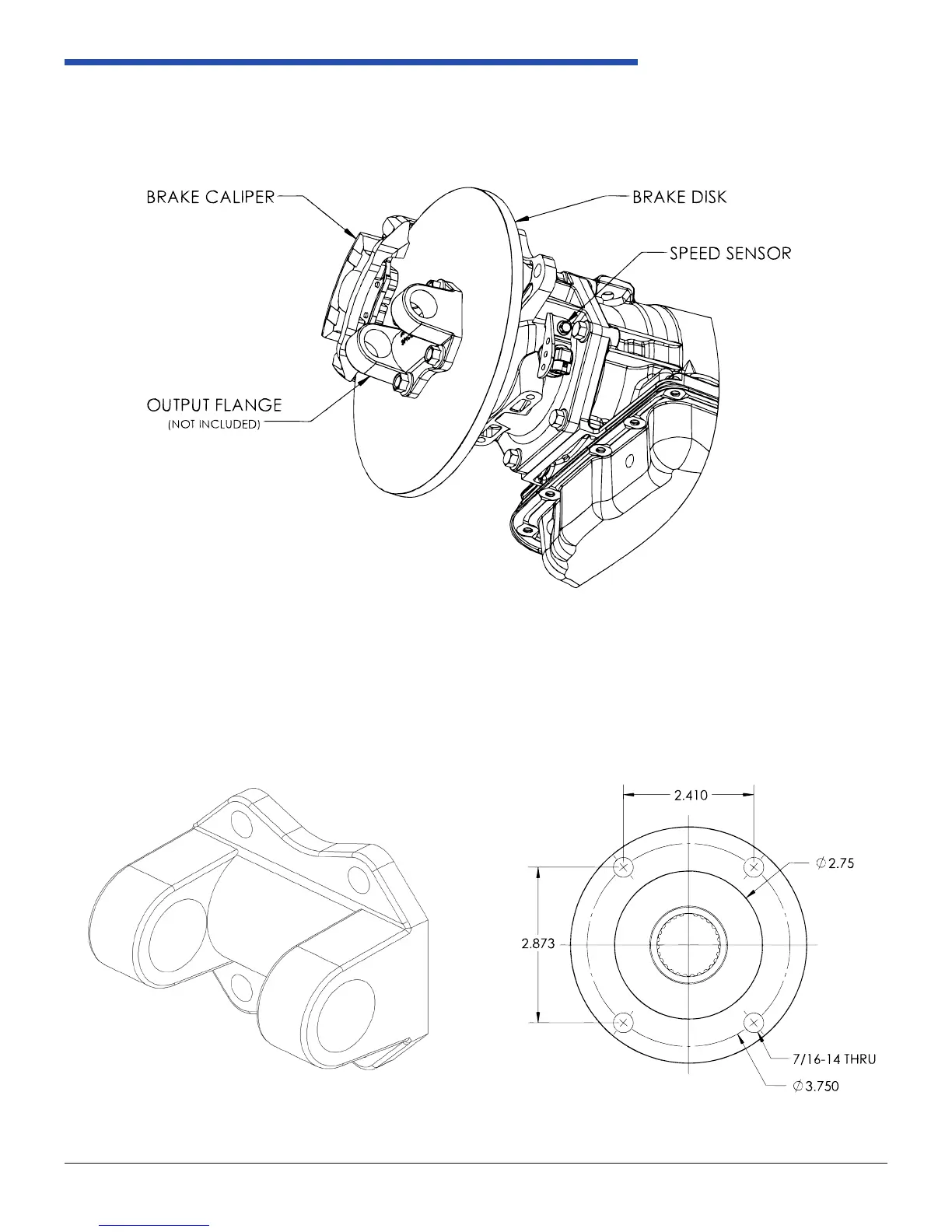
Figure 2.2.3-6: PCS Parking Brake Feature Locations
The PCS Parking Brake is designed and manufactured to take a standard driveshaft ange yoke, dimensions shown in
Figure 2.2.3-8. A common example, shown in gure 2.2.3-7 is the Spicer 3-2-159. This is a parking brake only, not an
emergency brake. Max vehicle holding weight is dependant on nal gear ratio and tire size. Contact PCS for application
engineering.
BORE FOR
MALE FLANGE
Figure 2.2.3-7 Example Flange
Figure 2.2.3-8 Flange Yoke Bolt Circle

Table of Contents