EasyManua.ls Logo

PeerlessBoilers Peerless PureFire PFC-460 - Page 28

PeerlessBoilers Peerless PureFire PFC-460
90 pages
Print Icon
To Next Page IconTo Next Page
To Next Page IconTo Next Page
To Previous Page IconTo Previous Page
To Previous Page IconTo Previous Page
Loading...
26
WATER PIPING AND CONTROLS
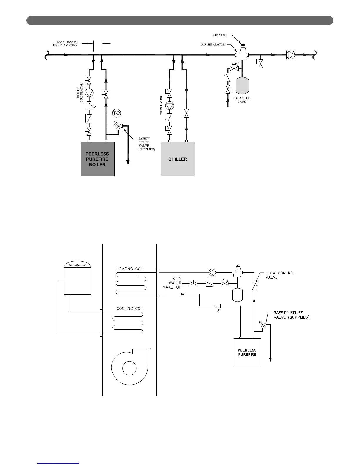
Figure 4.9: Boiler in conjunction with a Chilled Water System
Figure 4.10: Boiler Connected to a Heating Coil in a Forced Air System

Table of Contents

Related product manuals