EasyManua.ls Logo

PeerlessBoilers Peerless PureFire PFC-460 - Page 56

PeerlessBoilers Peerless PureFire PFC-460
90 pages
Print Icon
To Next Page IconTo Next Page
To Next Page IconTo Next Page
To Previous Page IconTo Previous Page
To Previous Page IconTo Previous Page
Loading...
54
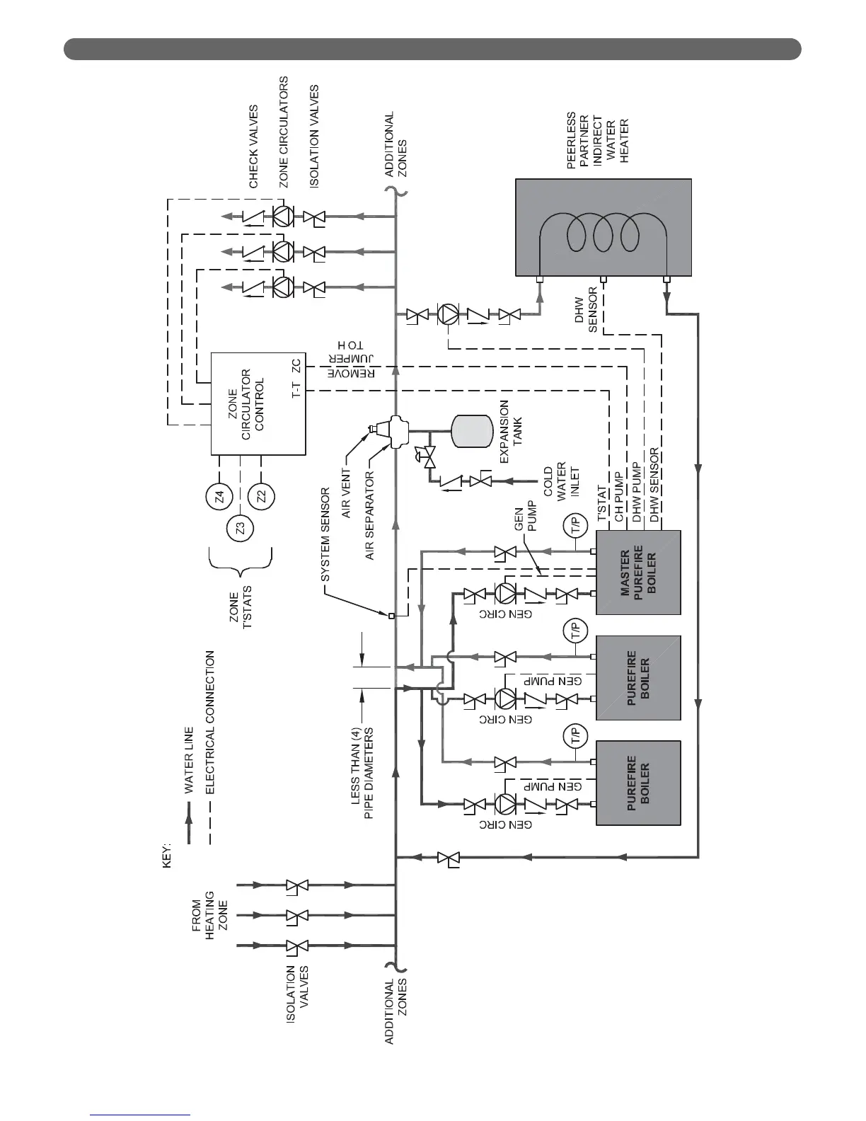
Figure 8.50: Multiple Boiler (Cascade) Piping / Electrical Connections for Systems with Zone Circulators
BOILER CONTROL: OPERATION

Table of Contents

Related product manuals