EasyManua.ls Logo

Perkins 2206-E13 - Aftermarket Products and Perkins Engines

Perkins 2206-E13
19 pages
Print Icon
To Next Page IconTo Next Page
To Next Page IconTo Next Page
To Previous Page IconTo Previous Page
To Previous Page IconTo Previous Page
Loading...
KENR6908 15
Troubleshooting Section
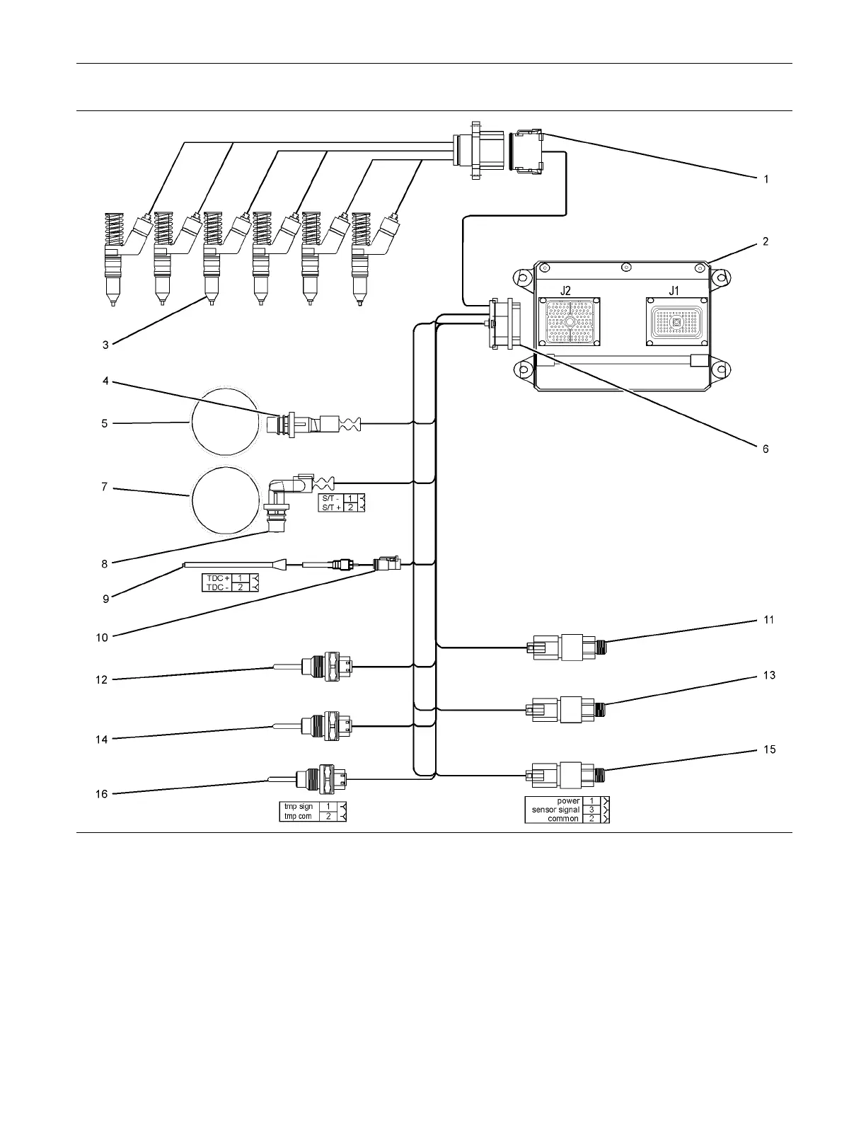
g01407090
Illustration 4
Block diagram for the 2206-13 engine compo nents
(1) 12-Pin Connector
(2) Electronic Control M odule (ECM)
(3) E lectronic unit Injectors
(4) Crankshaft position sensor
(5) 36 - 1 Tooth gear
(6) 120-Pin Conne ctor
(7) 36 + 1 Tooth gear
(8) Cam shaft p osition sensor
(9) Timing calibration probe
(10) Timing calibration probe connector
(11) Atmospheric pressure sensor
(12) Inlet m anifold tem perature sens or
(13) Inlet manifold pressure sensor
(14) Coolant tem perature sensor
(15) Engine o il pressure sensor
(16) Fuel temperature sensor
This document has been printed from SPI². Not for Resale

Other manuals for Perkins 2206-E13

Related product manuals