EasyManua.ls Logo

Philips 32PFL7623D/10 - Page 100

Philips 32PFL7623D/10
206 pages
Print Icon
To Next Page IconTo Next Page
To Next Page IconTo Next Page
To Previous Page IconTo Previous Page
To Previous Page IconTo Previous Page
Loading...
100Q529.1E LA 7.
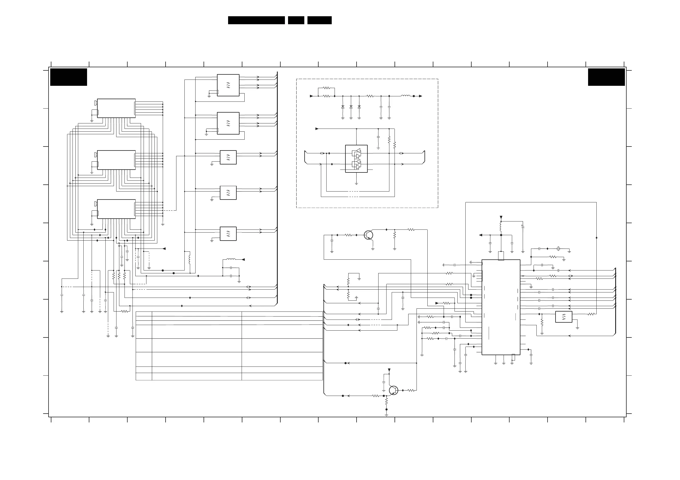
Circuit Diagrams and PWB Layouts
SSB: Main Tuner
I
O2IGND
O1
GND
CTAGC
CIFAGC
TAG C
AUD
CVBS
1
2
MPP
EXTFILO
CDEEM
IC
LF
SYN2
FM
VIF
A
B
EXT
IF1
CAF2
B
ADRSEL
AGCDIN
TOP2
FMI
FILI
FREF
A
VP
GND GNDA
BVS
SCL
SDA
SYN1
A
GNDD
NC
CAF1
IF2
B
A
IF3
OPTXTAL
B
OUT1
A
B
OUT2
O1
O2
NC
GND
O4
O3
IGND
IN
I
O2IGND
O1
GND
I1
O2I2
O1
GND
RF-IN
MT
MT
RF-IN
MT
MT
O1
O2
NC
GND
O4
O3
IGND
IN
O
GND
I
RF-IN
MT
MT
D
E
F
G
H
I
1T04 D2
1T06 A2
1T08 C2
1T55 C5
1T60 A5
X6874
X6768
I…C ADRESS C0
123 4567
X3451 K
B
C
D
E
F
G
H
I
A
B
C
678 9 10111213 14 15
A
(ana + dig ter )
1T65 E5
1T70 D5
1T71 E14
1T75 B5
*
(video + audio M)
TDA9897
2T64 E13
2T65 H11
2T66 G13
2T67 F1
2T68 G2
2T69 G3
2T71 F1
2T72 G2
2T73 G13
2T74 F14
2T75 G14
/
*
8 9 10111213 14 15
123 45
2T97 G11
2T99 E13
3T12 B9
3T15 B9
3T17 F8
3T22 F8
3T24 E8
3T25 E9
3T35 F2
3T36 F2
3T37 F3
AP
1T85 G14
2T02 B9
2T03 E8
2T37 I9
2T46 F11
2T47 F10
2T48 A9
2T49 A9
2T51 F13
2T53 E3
2T59 E2
2T60 F14
2T61 G2
2T62 F5
2T63 H11 3T42 E10
3T54 G10
3T55 G10
3T56 F13
3T57 F13
3T65 A8
3T66 A8
3T67 A9
3T70 I10
3T71 I9
3T74 G11
2T77 H11
2T78 F14
2T79 E12
2T80 G11
2T81 G11
2T82 G11
2T83 H11
2T84 E13
2T86 G9
2T91 E3
2T92 H13
2T93 F5
2T96 F13
3T85 I9
3T86 F11
3T87 F11
5T52 A10
5T53 E12
5T54 E5
5T61 E4
6T55 A9
6T56 A8
6T57 A8
7T19 B8
*
1T04
3T38 G2
3T39 G13
3T40 G11
3T41 G14
9T57 G9
9T58 G2
9T59 D8
9T60 D8
9T61 F3
9T64 F3
9T70 G9
9T77 E3
AT50 F12
AT51 G12
AT62 F4
EUR
1T70
M1973D
3T75 G10
3T76 E14 IT13 E2
IT14 E2
IT16 E3
IT17 E3
IT19 I10
IT21 E9
IT23 G13
IT28 E15
X6874 (dig cable)
IT30 E8
I…C ADRESS C0
7T20 E9
7T56 I10
7T57 E12
9T21 E3
9T53 F1
9T54 F2
9T55 D4
9T56 G2 IT92 F13
IT93 G11
IT94 G11
IT95 G10
IT96 H11
IT97 H11
K9362M
7T57
AT 63 F4
FT12 E12
FT13 I9
FT52 I9
FT56 I8
FT57 G14
FT58 A10
FT76 H8
IT04 C8
IT05 C8
IT06 E2
IT08 E2
IT09 E2
IT12 E2
MAIN TUNER
*
1T75
CH
TD1716
IT34 E8
IT35 G8
IT71 E13
IT73 G11
IT74 G11
IT75 H11
IT76 H13
IT77 H11
IT78 E14
IT79 A8
IT81 A9
IT86 G12
IT89 F4
IT90 F4
IT91 G4
(video not M)
*
TD1716
*
1T55
*
I…C ADRESS 86
*
1T65
(aidio not M)
*
TDA9898
*
1T06
*
X3451
2T65
470n
IT95
*
9T53
RES3T39
150R
BC847BW
7T20
1K0
3T22 3T17
1K0
IT96
3T74
470R
V1
IT81
2n2
2T82
3T36 47R
*
2T83
4n7
IT78
10n
2T46
100n
2T47
4M0
1T71
*
*
IT21
IT23
9T61
*
3T42
IT74
330R
100n
*
+VTUN
2T62
9T21
100n
2T37
2T63
100n
*
9T77
IT13
2T68
4n7
*
IT12
3T86
330R
39
26
27
29
30
24
23
47
11
43
44
1
13
12
16
2
18
35
37
42
22
14
45
6
7
9
10
3
4
19
38
8
33
17
15
21
46
48
40
41
25
36
31
32
28
34
20
5
1
3
2
Φ
PROCESSING
IF
TDA9898HL/V2/S1
7T57
7T56
BC847BW
2
4
5
1T70
M1973D
3
1
V1
38M
5T52
120R
22u
2T93
5T53
120R
*
9T55
*
2T99
22p
2T49
220n
FT13
47p
2T81
3T66
100R
3T24
IT04
470R
100R
3T56
100n
2T02
220R
3T85
V1
AT62
IT93
2
1
10
7
6
5
4
37M6/36M13
B39376
1T60
3
8
FT56
RES
9T54
*
9T64
*
AT 51
+5V-TUN
IT91
10n
IT97
2T51
220n
2T80
IT86
IT77
2 SCL0 7SCL1
3SDA0 6SDA1
8
VCC
5EN
4
GND
1
NC
SCL
5
SDA
2
TU
PCA9515A
7T19
13
14
15
16
17
18
19
6
NC1
10
NC2
4
9
+33V_TUN
7
+5V
8
ADC
1
AGC
3
AS
11
IF_OUT1
12
RES
TUNER
UV1316L
1T06
RES
9T60
*
9T59
9T58
4
5
3T55
5K6
X6768D
1T55
37M67
3
1
2
AT 63
2T84
22u
100p
2T78
*
3
1
2
5
4
38M9
1T65
OFWK9362M
4n7
2T67
*
2T86
IT92
3p3
IT76
9T56
*
IT14
IT79
100p
2T96
RES
IT89
FT52
IT19
5T61
560n
IT17
100R
3T67
+VTUN
AT50
3T15
4K7
220n
2T53
*
4n7
*
2T61
100R
RES
2T73
10n
3T65
FT12
IT09
3T57
100R
IT90
+33VTUN
RES
16V100u
2T64
*
2T75
10n
100n
2T79
7
SDA
XTAL_OUT
8
15
16
17
18
19
2
NC1
4
NC2
3
RF_AGC
6
SCL
9
+5V
5
AS
1
DC_PWR
10
IF_OUT1
11
IF_OUT2
12
1314
TUNER
1T04
TD1716F
3T54
330R
10K
3T25
3T41
RES
150R
IT73
10n
2T74
4K7
3T12
330R
3T87
2T66
10n
*
IT75
3T35
*
47R
IT35
*
IT34
IT05
3T37
47R
10n
2T60
22p
2T77
100p
2T91
*
9T57
6T57
PDZ33-B
4n7
2T72
220n
2T48
*
2T71
4n7
*
IT16
+3V3
PDZ33-B
6T56
3T40
4K7
9T70
RES
IT30
30R
5T54
100R
3T70
2T97
100n
68R
3T71
IT71
IT06
16
17
18
19
2
NC1
NC2
4
RF_AGC
3
SCL
6
SDA
7
ANT_PWR
1
AS
5
BM
9
IF_OUT1
10
IF_OUT2
11
12
1314
15
TUNER
VA1Y9ED2008
1T08
8
4MHZ_OUT
1n5
2T92
*
4n7
2T69
IT28
3T75
1K8
BZG05C33
2
13
6T55
RES
SFSKA
1T85
4M5
+5V-TUN
IT94
FT58
IT08
3
8
2
1
10
7
6
5
4
1T75
B39376
37M6/36M13
3T38
*
47R
FT76
100p
*
3T76
3K3
*
2T59
2T03
1n0
TDA-IF-AGC
IF-FILTP1
IF-FILTN1
IF-FILTP3
IF-FILTN3
IF-FILTP1
IF-FILTN1
IF-FILTN2
IF-FILTP2
TUN-AGC-MON
IF-P
IF-N
CVBS-TER-OUT
SCL-SSB SCL-TUNER
SDA-SSB SDA-TUNER
DIF-P
CVBS4
TUN-AGC
TUN-AGC
SDA-TUNER
SCL-TUNER
DIF-N
SDA-SSB
SCL-SSB
IF-FILTP1
IF-FILTN1
4-MHz
TUN-AGC
IF-FILTN3
IF-FILTP3
IF-FILTN2
IF-FILTP2
4-MHz
IF-FILTP3
IF-FILTN3
IF-FILTP1
IF-FILTN1
IF-FILTP2
IF-FILTN2
3139 123 6214.4
I_17660_005.eps
110308
B02B
B02B

Table of Contents

Related product manuals